电脑桌面
添加小米粒文库到电脑桌面
安装后可以在桌面快捷访问

直流斩波器工作原理

直流斩波器工作原理_第1页
1/7
直流斩波器工作原理_第2页
2/7
直流斩波器工作原理_第3页
3/7
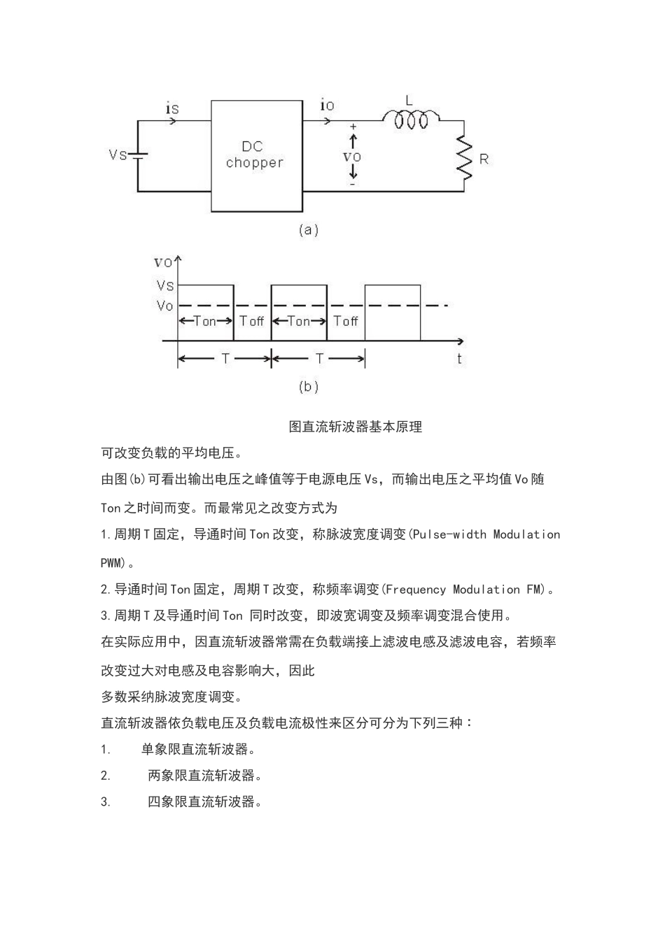
直流斩波器工作原理直流斩波器. Chopper)又称为截波器,它是将电压值固定的直流电,转换为电压值可变的直流电源装置,是一种直流对直流的转换器(DC to DC Converter)已被被广泛使用,如直流电机之速度控制、交换式电源供应器(Switching-Power-Supply)等。 二.基本原理直流斩波器乃利用功率组件对固定电压之电源做适当之切割以达成负载端电压改变之目的。若其输出电压较输入之电源电压低,则称为降压式(Buck )直流斩波器,若其输出电压较输入之电源电压高,则称为升压式(Boost) 直流斩波器;如图 1(a)所示为直流斩波器基本电路图,图 1(b)所示为负载电压波形,可看出当直流斩波器导通(Ton)时,负载端之电压 Vo 等于电源电压 Vs,当直流斩波器截止(Toff)时,负载端之电压 Vo 为 0,如此适当的控制直流斩波器可使直流电源断续的出现在负载测,只要控制直流斩波器的导通时间,即 图直流斩波器基本原理可改变负载的平均电压。 由图(b)可看出输出电压之峰值等于电源电压 Vs,而输出电压之平均值 Vo 随Ton 之时间而变。而最常见之改变方式为 1.周期 T 固定,导通时间 Ton 改变,称脉波宽度调变(Pulse-width Modulation PWM)。2.导通时间 Ton 固定,周期 T 改变,称频率调变(Frequency Modulation FM)。3.周期 T 及导通时间 Ton 同时改变,即波宽调变及频率调变混合使用。在实际应用中,因直流斩波器常需在负载端接上滤波电感及滤波电容,若频率改变过大对电感及电容影响大,因此多数采纳脉波宽度调变。 直流斩波器依负载电压及负载电流极性来区分可分为下列三种︰1. 单象限直流斩波器。2. 两象限直流斩波器。3. 四象限直流斩波器。如图(a)所示为单象限直流斩波器示意图,其负载电压及负载电流皆为正;如图(b)所示负载电压为正,负载电流有正有负称两象限直流斩波器;若负载电压有正有负,负载电流亦有正有负,称四象限直流斩波器如图(c)所示。本系统可依接线方式改变,达成上述三种直流斩波器。 图三种基本直流斩波器 三.模块说明A. 直流电源供应器及设定单元请参考本公司电力电子实习手册。B.直流 PWM 产生器 EM5202-2C主要功能在产生 PWM 控制信号,所需之工作电源为±15V。1. 命令电压由 I/P 端输入,为 0~10V(单象限),或-10V~+10V(四象限控制)。2. 三角波产生器:由频率选择开关可以选择 1KHZ、10KHZ、15KHZ,而波型选择开关可选择三角波之大小,单象限控制时命令电压为 0~10V,故选择大小...

1、当您付费下载文档后,您只拥有了使用权限,并不意味着购买了版权,文档只能用于自身使用,不得用于其他商业用途(如 [转卖]进行直接盈利或[编辑后售卖]进行间接盈利)。
2、本站所有内容均由合作方或网友上传,本站不对文档的完整性、权威性及其观点立场正确性做任何保证或承诺!文档内容仅供研究参考,付费前请自行鉴别。
3、如文档内容存在违规,或者侵犯商业秘密、侵犯著作权等,请点击“违规举报”。

碎片内容

直流斩波器工作原理

您可能关注的文档

确认删除?
VIP
微信客服
  • 扫码咨询
会员Q群
  • 会员专属群点击这里加入QQ群
客服邮箱
回到顶部