电脑桌面
添加小米粒文库到电脑桌面
安装后可以在桌面快捷访问

质量管理圈活动公司大会

质量管理圈活动公司大会_第1页
1/1
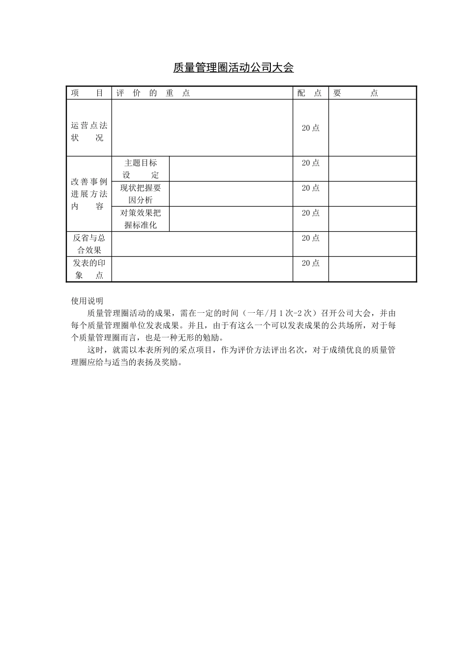
质量管理圈活动公司大会项 目评 价 的 重 点配 点要 点运 营 点 法状 况20 点改 善 事 例进 展 方 法内 容主题目标设 定20 点现状把握要因分析20 点对策效果把握标准化20 点反省与总合效果20 点发表的印象 点20 点使用说明 质量管理圈活动的成果,需在一定的时间(一年/月 1 次-2 次)召开公司大会,并由每个质量管理圈单位发表成果。并且,由于有这么一个可以发表成果的公共场所,对于每个质量管理圈而言,也是一种无形的勉励。这时,就需以本表所列的采点项目,作为评价方法评出名次,对于成绩优良的质量管理圈应给与适当的表扬及奖励。

1、当您付费下载文档后,您只拥有了使用权限,并不意味着购买了版权,文档只能用于自身使用,不得用于其他商业用途(如 [转卖]进行直接盈利或[编辑后售卖]进行间接盈利)。
2、本站所有内容均由合作方或网友上传,本站不对文档的完整性、权威性及其观点立场正确性做任何保证或承诺!文档内容仅供研究参考,付费前请自行鉴别。
3、如文档内容存在违规,或者侵犯商业秘密、侵犯著作权等,请点击“违规举报”。

碎片内容

质量管理圈活动公司大会

您可能关注的文档

一帆文传+ 关注
实名认证
内容提供者

欢迎光临店铺,各类公文供您挑选。

确认删除?
VIP
微信客服
  • 扫码咨询
会员Q群
  • 会员专属群点击这里加入QQ群
客服邮箱
回到顶部