电脑桌面
添加小米粒文库到电脑桌面
安装后可以在桌面快捷访问

隐蔽验收记录表9593606364

隐蔽验收记录表9593606364_第1页
1/33
隐蔽验收记录表9593606364_第2页
2/33
隐蔽验收记录表9593606364_第3页
3/33
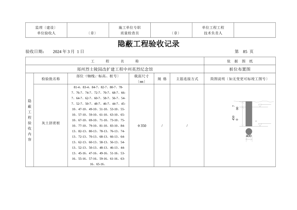
技 1—14隐蔽工程验收记录验收日期: 2024 年 2 月 28 日 第 84 页工 程 名 称依 据 图 纸郑州烈士陵园改扩建工程中州英烈纪念馆桩位布置图隐蔽工程验收内容检验批名称部位〔轴线、标高、桩号〕载面尺寸〔㎜〕规 格主筋连接方式简图说明〔如无变更可标竣工图号〕灰土挤密桩4-1、6-1、8-1、10-1、12-1、14-1、16-1、18-1、20-1、22-1、24-1、26-1、28-1、30-1、32-1、34-1、36-1、37-4、35-4、33-4、31-4、29-4、27-4、25-4、23-4、21-4、19-4、17-4、15-4、13-4、11-4、9-4、7-4、5-4、3-4、4-7、6-7、8-7、10-7、12-7、84-1、82-1、80-1、78-1、76-1、74-1、72-1、70-1、68-1、66-1、64-1、62-1、60-1、58-1、56-1、54-1、52-1、50-1、51-4、53-4、55-4、57-4、59-4、61-4、63-4、65-4、67-4、69-4、71-4、73-4、75-4、77-4、79-4、φ350//验收意见自检意见符合设计要求和施工标准有关规定4500700-400监理〔建设〕单位验收人 〔章〕施工单位专职质量检查员 〔章〕单位工程工程技术负责人 隐蔽工程验收记录验收日期: 2024 年 3 月 1 日 第 85 页工 程 名 称依 据 图 纸郑州烈士陵园改扩建工程中州英烈纪念馆桩位布置图隐蔽工程验收内容检验批名称部位〔轴线、标高、桩号〕载面尺寸〔㎜〕规 格主筋连接方式简图说明〔如无变更可标竣工图号〕灰土挤密桩81-4、83-4、84-7、82-7、80-7、78-7、76-7、74-7、72-7、70-7、68-7、66-7、64-7、62-7、60-7、58-7、56-7、54-7、52-7、50-7、48-7、46-7、44-7、45-10、47-10、49-10、51-10、53-10、55-10、57-10、59-10、61-10、63-10、65-10、67-10、69-10、71-10、73-10、75-10、77-10、79-10、81-10、83-10、84-13、82-13、80-13、78-13、76-13、74-13、72-13、70-13、68-13、66-13、64-13、62-13、60-13、58-13、56-13、54-13、52-13、50-13、48-13、46-13、44-13、45-16、47-16、49-16、51-16、53-16、55-16、57-16、59-16、61-16、63-16、65-16、φ350//4500700-400验收意见自检意见符合设计要求和施工标准有关规定监理〔建设〕单位验收人 〔章〕施工单位专职质量检查员 〔章〕单位工程工程技术负责人 隐蔽工程验收记录验收日期: 2024 年 3 月 1 日 第 86 页工 程 名 称依 据 图 纸郑州烈士陵园改扩建工程中州英烈纪念馆桩位布置图隐蔽检验批名称部位〔轴线、标高、桩号〕载面尺寸〔㎜〕规 格主筋连接方式简图说明〔如无变更可标竣工图号〕工...

1、当您付费下载文档后,您只拥有了使用权限,并不意味着购买了版权,文档只能用于自身使用,不得用于其他商业用途(如 [转卖]进行直接盈利或[编辑后售卖]进行间接盈利)。
2、本站所有内容均由合作方或网友上传,本站不对文档的完整性、权威性及其观点立场正确性做任何保证或承诺!文档内容仅供研究参考,付费前请自行鉴别。
3、如文档内容存在违规,或者侵犯商业秘密、侵犯著作权等,请点击“违规举报”。

碎片内容

隐蔽验收记录表9593606364

您可能关注的文档

确认删除?
VIP
微信客服
  • 扫码咨询
会员Q群
  • 会员专属群点击这里加入QQ群
客服邮箱
回到顶部