电脑桌面
添加小米粒文库到电脑桌面
安装后可以在桌面快捷访问

中职数控技术应用专业实施性人才培养方案

中职数控技术应用专业实施性人才培养方案_第1页
1/16
中职数控技术应用专业实施性人才培养方案_第2页
2/16
中职数控技术应用专业实施性人才培养方案_第3页
3/16
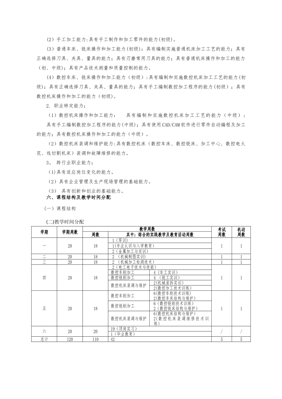
2024 级三年制数控技术应用专业人才培育方案盐城机电高等职业技术学校盐城机电高等职业技术学校数控技术应用专业人才培育方案 一、专业与专门化方向 专业名称:数控技术应用(专业代码 051400)专门化方向:数控车削加工、数控铣削(加工中心)加工、数控机床装调与维护二、入学要求与基本学制入学要求:初中毕业生或具有同等学力者基本学制:3 年三、培育目标本专业培育与我国社会主义现代化建设要求相适应,德、智、体、美全面进展,具有良好的职业道德和职业素养,掌握数控技术应用专业对应职业岗位必备的知识与技能,能从事数控设备的操作与编程,产品质量的检验,数控设备的管理、维护、营销及售后服务等工作,具备职业生涯进展基础和终身学习能力,能胜任生产、服务、管理一线工作的高素养劳动者和技术技能人才。四、职业(岗位)面对、职业资格及继续学习专业专门化方向职业(岗位)职业资格要求继续学习专业数控车削加工数控车工数控车床工(四级)高职:数控技术数控设备维修与管理数控设备应用与维护本科:机 械 设计 制 造及 其 自动化数控铣削(加工中心)加工数控铣工/加工中心操作工数控铣床工(四级)加工中心操作工(四级)数控机床装调与维护数控机床装调与维护数控机床装调维修工(四级)五、综合素养及职业能力(一)综合素养1.具有良好的道德品质、职业素养、竞争和创新意识。 2.具有健康的身体和心理。3.具有良好的责任心、进取心和坚强的意志。4.具有良好的人际交往、团队协作能力。5.具有良好的书面表达和口头表达能力.6.具有良好的人文素养和继续学习的能力。7.具有运用计算机进行技术沟通和信息处理的能力。8.具有借助工具查阅中、英文技术资料的基础能力。(二)职业能力(职业能力分析见附录)1。行业通用能力:(1)识读图样的能力:具有识读中等复杂零件图、简单装配图、简单电气图的能力;具有计算机绘制中等复杂程度零件图及简单装配图的能力。(2)手工加工能力:具有手工制作和加工零件的能力(初级)。 (3)普通车床、铣床操作和加工能力(初级):具有编制实施普通机床加工工艺的能力;具有正确选择刀具、夹具、量具的能力;具有刃磨常用刀具的能力;具有普通机床操作和加工的能力(初、中级);具有产品技术测量和质量控制的能力。(4)数控车床、铣床操作和加工能力(初级):具有编制和实施数控机床加工工艺的能力(初级);具有正确选择刀具、夹具、量具的能力;具有手工编制数控加工程序的能力(初级);具有数控机床操...

1、当您付费下载文档后,您只拥有了使用权限,并不意味着购买了版权,文档只能用于自身使用,不得用于其他商业用途(如 [转卖]进行直接盈利或[编辑后售卖]进行间接盈利)。
2、本站所有内容均由合作方或网友上传,本站不对文档的完整性、权威性及其观点立场正确性做任何保证或承诺!文档内容仅供研究参考,付费前请自行鉴别。
3、如文档内容存在违规,或者侵犯商业秘密、侵犯著作权等,请点击“违规举报”。

碎片内容

中职数控技术应用专业实施性人才培养方案

您可能关注的文档

确认删除?
VIP
微信客服
  • 扫码咨询
会员Q群
  • 会员专属群点击这里加入QQ群
客服邮箱
回到顶部