电脑桌面
添加小米粒文库到电脑桌面
安装后可以在桌面快捷访问

主变压器预试作业指导书

主变压器预试作业指导书_第1页
1/6
主变压器预试作业指导书_第2页
2/6
主变压器预试作业指导书_第3页
3/6
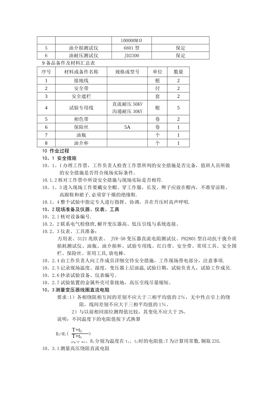
大唐石门发电有限责任公司企业标准Q/×× ××× ××××—××××检修作业指导书作业项目: 主变压器预试 作业日期: 批 准: 审 核: 编 制: 2024—12-01 发布 2024—01—01实施大唐石门发电有限责任公司发布主变压器预试作业指导书1 目的1.1 法律规范试验行为,确保变压器试验后能安全稳定运行.1。2 本作业指导书为所有参加本项目的工作人员所共同遵循的质量保证程序。2 范围本程序适用于 SFP10-370000/220 变压器没有吊罩检修试验。3 职责3.1 工作负责人职责:工作负责人负责办理检修工作票;负责设备(工器具)质量验证;负责备品备件和材料的质量验证;负责指定专人做好记录,确保记录真实、准确、工整;负责确认检修工作过程;负责项目自检并签证,对本项目的安全、质量负责;假如需要上一级验收(验证),负责提出验收(验证)申请。3.2 其他工作人员职责:在工作负责人的领导下,负责按工作程序进行工作;3。3 质检员职责:负责项目质量验收、签证.4 人员资质及配备4。1 专责试验工 1 名:具有班组工程师及以上资质并从事电气高压试验的专业人员,且通过安规考试及技能资格审查。Q/DTSM××4。2 试验工 3 名:具有从事电气高压试验人员,且通过安规考试及技能资格审查。5 试验内容(或流程)5.1 测量变压器绕组绝缘电阻5.2 测量变压器绕组直流电阻5。3 测量变压器绕组介损及高压套管介损及电容量5。4 测量变压器绕组泄漏电流5。5 测量变压器本体绝缘油试验5。6 测量变压器铁芯对地绝缘电阻6.质量标准6。1 测量高压、低压绕组绝缘电阻6。1.1 使用 2500V 摇表测量;6。1。2 测量高压、低压绕组绝缘电阻和吸收比,读 15 秒、60 秒、10 分钟的吸收比及极化指数;6。1.3 绝缘电阻≥1000,吸收比>1。3,极化指数>1。6.6。2 测量高压、低压绕组直流电阻6.2。1 使用变压器直流电阻测试仪;6。2.2 高压绕组各线间差不大于平均值的 1%,测得的线间差值与出厂相间差相比较其变化不应大于 2%,低压绕组相间差不大于 2%。6。3 测量高压、低压介损及电容量6.3.1 使用介损仪测量变压器介质损耗时,高低压绕组分别短路;6。3.2 高压侧试验电压 AC=10kV,低压侧试验电压 AC=10kV;6.3。3 采纳反接法测量介损.6。4 测量高压、低压绕组泄漏电流6.4.1 高、低压绕组分别短路;6.4。2 高压绕组试验电压 DC=40kV,6。4。3 低压绕组试验电压 DC=20kV;6.5 测量变压器本体绝缘油试验绝缘油试验,击穿电压...

1、当您付费下载文档后,您只拥有了使用权限,并不意味着购买了版权,文档只能用于自身使用,不得用于其他商业用途(如 [转卖]进行直接盈利或[编辑后售卖]进行间接盈利)。
2、本站所有内容均由合作方或网友上传,本站不对文档的完整性、权威性及其观点立场正确性做任何保证或承诺!文档内容仅供研究参考,付费前请自行鉴别。
3、如文档内容存在违规,或者侵犯商业秘密、侵犯著作权等,请点击“违规举报”。

碎片内容

主变压器预试作业指导书

文森传品+ 关注
实名认证
内容提供者

一家传播文化教育的小店,资料丰富,随意挑选。

确认删除?
VIP
微信客服
  • 扫码咨询
会员Q群
  • 会员专属群点击这里加入QQ群
客服邮箱
回到顶部