电脑桌面
添加小米粒文库到电脑桌面
安装后可以在桌面快捷访问

安全文明施工专项方案45024VIP专享

安全文明施工专项方案45024_第1页
1/8
安全文明施工专项方案45024_第2页
2/8
安全文明施工专项方案45024_第3页
3/8
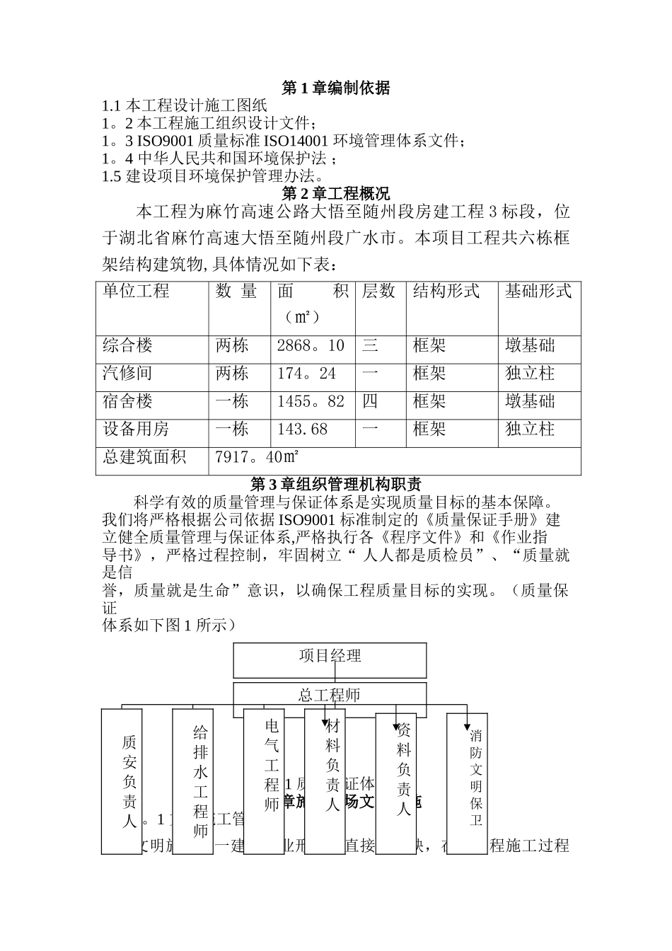
第 1 章编制依据1.1 本工程设计施工图纸1。2 本工程施工组织设计文件;1。3 ISO9001 质量标准 ISO14001 环境管理体系文件;1。4 中华人民共和国环境保护法 ;1.5 建设项目环境保护管理办法。第 2 章工程概况本工程为麻竹高速公路大悟至随州段房建工程 3 标段,位于湖北省麻竹高速大悟至随州段广水市。本项目工程共六栋框架结构建筑物,具体情况如下表:单位工程数 量面积(㎡)层数结构形式基础形式综合楼两栋2868。10三框架墩基础汽修间两栋174。24一框架独立柱 宿舍楼一栋1455。82四框架墩基础设备用房一栋143.68一框架独立柱总建筑面积7917。40㎡第 3 章组织管理机构职责科学有效的质量管理与保证体系是实现质量目标的基本保障。我们将严格根据公司依据 ISO9001 标准制定的《质量保证手册》建立健全质量管理与保证体系,严格执行各《程序文件》和《作业指导书》,严格过程控制,牢固树立“ 人人都是质检员”、“质量就是信 誉,质量就是生命”意识,以确保工程质量目标的实现。(质量保证体系如下图 1 所示)各专操作质图 1 质量保证体系图第 4 章施工现场文明措施4。1 文明施工管理文明施工是一建筑企业形象最直接的反映,在本工程施工过程项目经理总工程师质 安 负 责 人给 排 水 工 程 师电 气 工 程 师材 料 负 责 人资 料 负 责 人消 防 文 明 保 卫中,我单位将严格根据地方有关施工现场标准化管理规定的内容及相关文件进行布置与管理,避开或消除对周围环境的影响,建立起我单位的良好形象。本工程合理安排工序,加强现场管理,改善设备性能,最大限度的减少环境污染,确保职工安全、工作生活秩序。成立由项目经理和负责生产、安全的有关人员负责人组成文明施工领导小组,全面负责现场文明施工的管理,定期或不定期地组织施工现场内施工队伍进行文明施工的检查,对不符合文明施工要求的地方限期予以整改。1、管理制度1)、遵守湖北省及地方有关环卫、市容、文明施工的规定,贯彻执行单位现场管理文明施工的细则。2)、在主要通道口、楼面孔洞及钢筋与木材加工车间设立安全警示牌或安全文明施工操作规程牌。3)、现场材料管理:按平面布置图堆放料具,成排成行,大宗材料做到砖成垛,砂石成堆;门窗按规格分类堆放,做到保管妥善,使用方便。执行限额料或材料包干制度,及时回收落地灰、碎砖块、包装箱及其他余料,做到工完场清,余料堆放整齐.4)、施工机械管理:场地所有机械设备必须...

1、当您付费下载文档后,您只拥有了使用权限,并不意味着购买了版权,文档只能用于自身使用,不得用于其他商业用途(如 [转卖]进行直接盈利或[编辑后售卖]进行间接盈利)。
2、本站所有内容均由合作方或网友上传,本站不对文档的完整性、权威性及其观点立场正确性做任何保证或承诺!文档内容仅供研究参考,付费前请自行鉴别。
3、如文档内容存在违规,或者侵犯商业秘密、侵犯著作权等,请点击“违规举报”。

碎片内容

安全文明施工专项方案45024

确认删除?
VIP
微信客服
  • 扫码咨询
会员Q群
  • 会员专属群点击这里加入QQ群
客服邮箱
回到顶部