电脑桌面
添加小米粒文库到电脑桌面
安装后可以在桌面快捷访问

安全警示标志大全

安全警示标志大全_第1页
1/2
安全警示标志大全_第2页
2/2
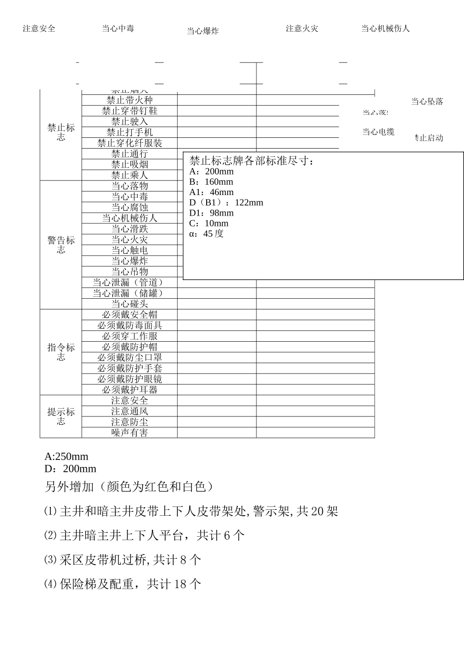
提 示 标志 牌 标准尺寸:A:250mmD:200mm另外增加(颜色为红色和白色)⑴ 主井和暗主井皮带上下人皮带架处,警示架,共 20 架⑵ 主井暗主井上下人平台,共计 6 个⑶ 采区皮带机过桥,共计 8 个⑷ 保险梯及配重,共计 18 个类型内容图片备注禁止标志禁止烟火禁止带火种禁止穿带钉鞋禁止驶入禁止打手机禁止穿化纤服装禁止通行禁止吸烟禁止乘人警告标志当心落物当心中毒当心腐蚀当心机械伤人当心滑跌当心火灾当心触电当心爆炸当心吊物当心泄漏(管道)当心泄漏(储罐)当心碰头指令标志必须戴安全帽必须戴防毒面具必须穿工作服必须戴防护帽必须戴防尘口罩必须戴防护手套必须戴防护眼镜必须戴护耳器提示标志注意安全注意通风注意防尘噪声有害当心爆炸注意安全当心中毒注意火灾当心机械伤人当心伤手当心轧脚当心吊物当心坠落当心落物当心坑洞当心塌方当心滑跌当心坠落必须戴安全帽必须系安全带当心落物当心落物当心落物严禁烟火 禁止吸烟禁止带火种禁止启动禁止合闸 禁止转动禁止触摸禁止靠近当心电缆禁止标志牌各部标准尽寸:A:200mmB:160mmA1:46mmD(B1):122mmD1:98mmC:10mmα:45 度⑸ 皮带机防护栏,共计 150 米⑹⑺⑻⑼⑽⑾⑿⒀⒁⒂⒃⒄⒅⒆⒇

1、当您付费下载文档后,您只拥有了使用权限,并不意味着购买了版权,文档只能用于自身使用,不得用于其他商业用途(如 [转卖]进行直接盈利或[编辑后售卖]进行间接盈利)。
2、本站所有内容均由合作方或网友上传,本站不对文档的完整性、权威性及其观点立场正确性做任何保证或承诺!文档内容仅供研究参考,付费前请自行鉴别。
3、如文档内容存在违规,或者侵犯商业秘密、侵犯著作权等,请点击“违规举报”。

碎片内容

安全警示标志大全

确认删除?
VIP
微信客服
  • 扫码咨询
会员Q群
  • 会员专属群点击这里加入QQ群
客服邮箱
回到顶部