电脑桌面
添加小米粒文库到电脑桌面
安装后可以在桌面快捷访问

2025年江苏开放大学形成性考核作业建筑施工技术4答案VIP专享

2025年江苏开放大学形成性考核作业建筑施工技术4答案_第1页
1/5
2025年江苏开放大学形成性考核作业建筑施工技术4答案_第2页
2/5
2025年江苏开放大学形成性考核作业建筑施工技术4答案_第3页
3/5
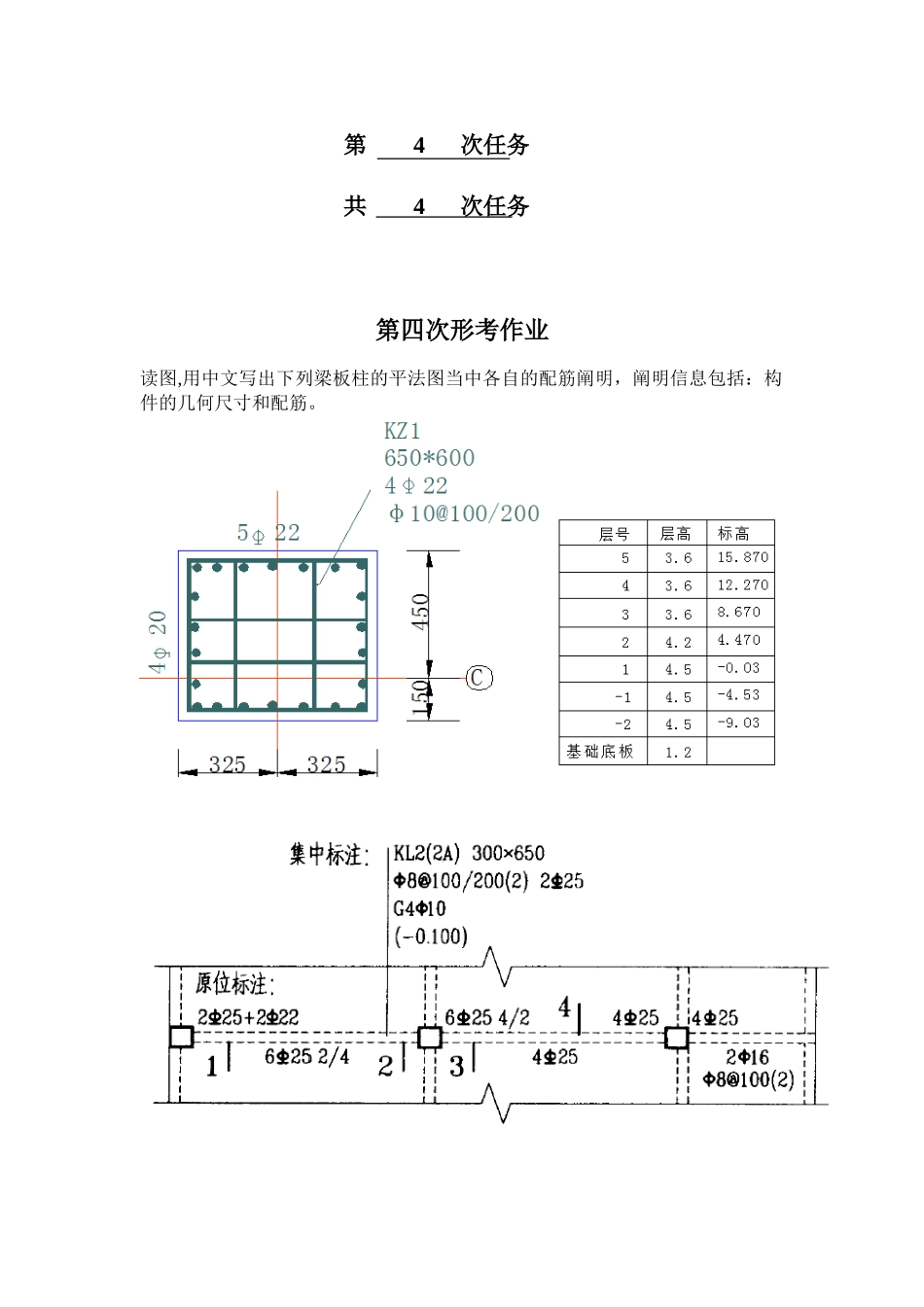
江苏开放大学形成性考核作业学 号 姓 名 吴海伟课 程 代 码 110020课 程 名 称 建筑构造评 阅 教 师 许 兰 兰第 4 次任务共 4 次任务第四次形考作业读图,用中文写出下列梁板柱的平法图当中各自的配筋阐明,阐明信息包括:构件的几何尺寸和配筋。答:=框架柱 1=尺寸 650mm×600mm 。=角筋为 4 根 22 二级钢=柱加密区是直径为 10 的一级钢 100mm 一档。柱非加密区是直径为 10 的圆钢 200mm 一档=650mm 边中部筋为 5 根直径为 22 的二级钢=600mm 边中部筋为 4 根直径为 20 的二级钢=楼层框架梁 2,共 2 跨,有一端有悬挑。梁尺寸为宽 300mm×高650mm=梁加密区直径为 8 的一级钢 100mm 一档,梁非加密区直径为 8 的一级钢 200mm 一档,两肢箍。2 根直径为 25 的二级钢为通长筋。=梁两个侧面共配置 4 根纵向构造钢筋,直径为 10 的一级钢,每侧各 2 根=梁顶标高比楼层构造标高下-0.1m=梁上部纵筋 2 根直径为 25 的二级钢做角筋,2 根直径为 22 的二级钢为中部筋伸入一边支座=梁下部纵筋上排纵筋为 2 根直径为 25 的二级钢,下排纵筋为 4 根直径为25 的二级钢所有伸入支座=梁上部纵筋为上排纵筋 4 根直径为 25 的二级钢,下排纵筋为 2 根直径为 25 的二级钢=梁下部纵筋为 4 根直径为 25 的二级钢=梁上部纵筋为 4 根直径为 25 的二级钢所有伸入支座=梁下部纵筋为 2 根直径为 16 的二级钢伸入支座,该段梁悬挑全加密,加密箍筋是直径为 8 的一级钢,100mm 一档为两肢箍该楼面板尺寸为 5040×3360,板顶构造标高为 2.900.=1-2 轴向下部贯穿筋是直径为 8 的一级钢150mm 一档=A-B 轴向下部贯穿筋是直径为 8 的一级钢 200mm 一档=A-B 轴向上部加强筋是直径为 8 的一级钢 150mm 一档,钢筋长度为出梁边 1200mm=B/1-2 轴向上部加强筋是直径为 8 的一级钢,间距为 200mm 一档,钢筋长度为出梁边 500mm=1-2 轴向上部加强筋是直径为 8 的一级钢,间距为 200mm 一档,钢筋长度为 1580mm=2/1-b 轴向上部加强筋是直径为 8 的一级钢,间距 200mm 一档,钢筋长度为出梁边 1200mm完毕日期:得分:评阅时间:课程名称:建筑构造(专) 第 2 次任务 评阅教师:

1、当您付费下载文档后,您只拥有了使用权限,并不意味着购买了版权,文档只能用于自身使用,不得用于其他商业用途(如 [转卖]进行直接盈利或[编辑后售卖]进行间接盈利)。
2、本站所有内容均由合作方或网友上传,本站不对文档的完整性、权威性及其观点立场正确性做任何保证或承诺!文档内容仅供研究参考,付费前请自行鉴别。
3、如文档内容存在违规,或者侵犯商业秘密、侵犯著作权等,请点击“违规举报”。

碎片内容

2025年江苏开放大学形成性考核作业建筑施工技术4答案

您可能关注的文档

确认删除?
VIP
微信客服
  • 扫码咨询
会员Q群
  • 会员专属群点击这里加入QQ群
客服邮箱
回到顶部