电脑桌面
添加小米粒文库到电脑桌面
安装后可以在桌面快捷访问

施工机具及配件检查维修保养记录表

施工机具及配件检查维修保养记录表_第1页
1/10
施工机具及配件检查维修保养记录表_第2页
2/10
施工机具及配件检查维修保养记录表_第3页
3/10
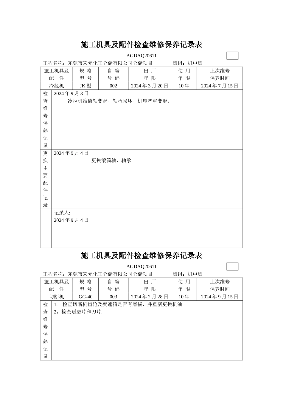
施工机具及配件检查维修保养记录表AGDAQ20611工程名称:东莞市宏元化工仓储有限公司仓储项目 班组:机电班施工机具及配 件规 格型 号自 编号 码出 厂年 限使 用年 限上次维修保养时间冷拉机JK 型0022024 年 3 月 20 日10 年2024 年 7 月 15 日检查维修保养记录2024 年 9 月 3 日 冷拉机滚筒轴变形、轴承损坏、机座严重变形。更换主要配件记录2024 年 9 月 4 日更换滚筒轴、轴承.记录人: 2024 年 9 月 4 日施工机具及配件检查维修保养记录表AGDAQ20611工程名称:东莞市宏元化工仓储有限公司仓储项目 班组:机电班施工机具及配 件规 格型 号自 编号 码出 厂年 限使 用年 限上次维修保养时间切断机GG-400032024 年 2 月 28 日10 年2024 年 9 月 15 日检查维修保养记录1.检查切断机齿轮及变速箱是否有磨损,并重新更换机油。2。检查耐磨片和刀片.更换主要配件记录1。更换耐磨片和刀片.记录人: 2024 年 10 月 12 日施工机具及配件检查维修保养记录表AGDAQ20611工程名称:东莞市宏元化工仓储有限公司仓储项目 班组:机电班施工机具及配 件规 格型 号自 编号 码出 厂年 限使 用年 限上次维修保养时间弯曲机GJ-40004、0052024 年 4 月 28 日10 年2024 年 8 月 23 日检查维修保养记录1、检查液压弯曲机液压油、液压管、齿轮及自动控制器;2、检查弯曲机三角带、桩头、挡板;3、检查弯曲机接触器、控制按扭是否灵敏。更换主要配件记录1。更换耐磨片和刀片。记录人: 2024 年 10 月 12 日施工机具及配件检查维修保养记录表AGDAQ20611工程名称:东莞市宏元化工仓储有限公司仓储项目 班组:机电班施工机具及配 件规 格型 号自 编号 码出 厂年 限使 用年 限上次维修保养时间搅拌机JZC-350型0012024 年 4 月5 年2024 年 9 月 10 日检查维修保养记录1、 保养搅拌机、清理沙浆、打润滑油2、 重新安装搅拌机机座更换主要配件记录1。更换水泵及止水阀.2、 更换钢丝绳记录人: 2024 年 9 月 15 日施工机具及配件检查维修保养记录表AGDAQ20611工程名称:东莞市宏元化工仓储有限公司仓储项目 班组:机电班施工机具及配 件规 格型 号自 编号 码出 厂年 限使 用年 限上次维修保养时间切断机GG-400032024 年 2 月10 年2024 年 10 月 21 日检查维修保养记录切断机密封圈磨损严重,齿轮油外漏以及磨片磨损严重,切断有间隙,不能...

1、当您付费下载文档后,您只拥有了使用权限,并不意味着购买了版权,文档只能用于自身使用,不得用于其他商业用途(如 [转卖]进行直接盈利或[编辑后售卖]进行间接盈利)。
2、本站所有内容均由合作方或网友上传,本站不对文档的完整性、权威性及其观点立场正确性做任何保证或承诺!文档内容仅供研究参考,付费前请自行鉴别。
3、如文档内容存在违规,或者侵犯商业秘密、侵犯著作权等,请点击“违规举报”。

碎片内容

施工机具及配件检查维修保养记录表

不二商店+ 关注
实名认证
内容提供者

我是你的不二选择

确认删除?
VIP
微信客服
  • 扫码咨询
会员Q群
  • 会员专属群点击这里加入QQ群
客服邮箱
回到顶部