电脑桌面
添加小米粒文库到电脑桌面
安装后可以在桌面快捷访问

施工机具安全技术交底

施工机具安全技术交底_第1页
1/25
施工机具安全技术交底_第2页
2/25
施工机具安全技术交底_第3页
3/25
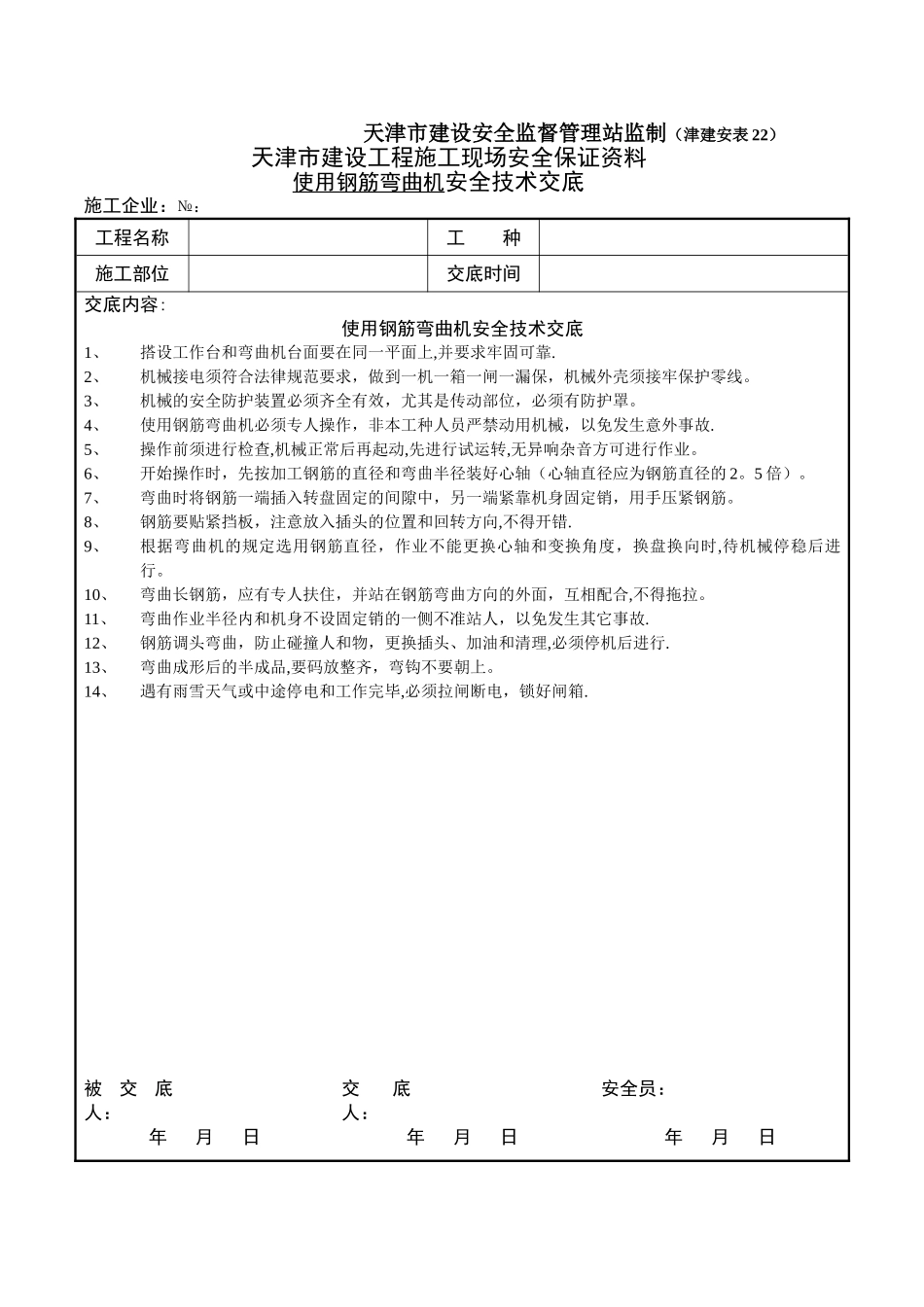
(津建安表 22)天津市建设工程施工现场安全保证资料施工机具安全技术交底施工企业:№:工程名称工 种施工部位交底时间交底内容:施工机具安全技术交底(应填写如下内容:1、有关技术规程、法律规范;2、施工方案的安全防护措施,施工技术操作要求,特种工艺要求;3、安全保证资料的要求。4、其它补充内容。)(以下内容仅供参考)1、 使用钢筋调直切断机安全技术交底2、使用钢筋弯曲机安全技术交底3、使用钢筋切断机安全技术交底4、使用振捣棒安全技术交底5、使用蛙夯机安全技术交底6、使用离心水泵安全技术交底7、使用潜水泵安全技术交底8、使用手持电动工具安全技术交底9、使用木工圆锯安全技术交底10、使用木工平刨安全技术交底11、使用台钻安全技术交底12、使用套丝机安全技术交底13、使用无齿锯安全技术交底14、电焊工操作安全技术交底15、气焊工操作安全技术交底16、使用对焊机安全技术交底17、施工机械使用安全技术交底被交底人:交底人:安全员: 年 月 日年 月 日年 月 日天津市建设安全监督管理站监制(津建安表 22) 天津市建设工程施工现场安全保证资料使用钢筋调直切断机安全技术交底施工企业:№:工程名称工 种施工部位交底时间交底内容:使用钢筋调直切断机安全技术交底1、使用调直切断机必须专人操作,非本工种人员不准随意运用机械,防止发生意外事故。2、机械接电须符合法律规范要求,配备专用开关箱,机械外壳接牢保护零线,移动电线须有绝缘防护装置。3、机械的安全防护装置必须齐全有效,各传动部位必须有防护罩.4、调直切断机的料架、料槽应安装平直,对准导向筒,调直筒和下切刀孔的中心线.5、用手转动飞轮,检查传动机构和工作装置,调整间隙,坚固螺栓,确认正常后,启动空运转,检查轴承应无异响、齿轮啮合良好,待运转正常后,方可作业。6、按调直钢筋的直径,选用适当的调直块及转运速度。在调直块未固定、防护罩没盖好之前不得送料。作业中严禁打开防护罩及调整间隙.7、送料前,应切去不直的料头。在上盘条穿丝引头切断时,均应停机进行。8、当钢筋送入后,手与电轮必须保持一定的距离,不得接近。9、送料前应将不直料头切去,导向筒应装一根一米长的钢管、钢筋必须先穿过钢管再送入调直前端的导孔内.10、钢筋进入压滚、手与滚筒应保持一定的距离,机械运转中不得调整滚筒,严禁载手套操作。11、短于 2 米或直径大于 9mm 的钢筋调直,应低速加工。12、钢筋调直到末端时,操作人员必须躲开,以防钢筋甩动伤人...

1、当您付费下载文档后,您只拥有了使用权限,并不意味着购买了版权,文档只能用于自身使用,不得用于其他商业用途(如 [转卖]进行直接盈利或[编辑后售卖]进行间接盈利)。
2、本站所有内容均由合作方或网友上传,本站不对文档的完整性、权威性及其观点立场正确性做任何保证或承诺!文档内容仅供研究参考,付费前请自行鉴别。
3、如文档内容存在违规,或者侵犯商业秘密、侵犯著作权等,请点击“违规举报”。

碎片内容

施工机具安全技术交底

您可能关注的文档

确认删除?
VIP
微信客服
  • 扫码咨询
会员Q群
  • 会员专属群点击这里加入QQ群
客服邮箱
回到顶部