电脑桌面
添加小米粒文库到电脑桌面
安装后可以在桌面快捷访问

机电保运方案最终版

机电保运方案最终版_第1页
1/18
机电保运方案最终版_第2页
2/18
机电保运方案最终版_第3页
3/18
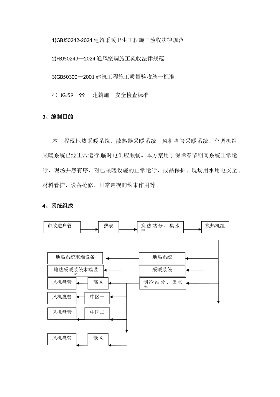
目 录1、工程简介 12 、编制依据 0 3 、编制目的 1 4 、系统组成 1 5 、组织架构 3 6 、物资准备 4 7 、现场交底 5 8 、第三方应提供的保障措施及系统运行责任划分 11 9 、注意事项 12 10 、紧急情况处理 13 11 、注意事项及简单问题解决方法 13 1、工程简介本工程为*************,建设单位为哈尔滨投资集团有限责任公司,建设地点*******************。建筑高度:室外地面至主塔 36 层屋面 159。00m。建筑物分为地下一层、地下二层、裙房和塔楼四部分组成.2、编制依据2。1 中华人民共和国颁布的现行有效的建筑施工的各类规程、法律规范及验评标准.2。2 根据我公司 IS09000 系列体系标准和企业质量保证手册、程序文件。2.3 建筑安装工程资料管理规程2。4 主要图集、标准、法律规范及法律规范性文件1)GBJ50242-2024 建筑采暖卫生工程施工验收法律规范2)FBJ50243—2024 通风空调施工验收法律规范3)GB50300—2001 建筑工程施工质量验收统一标准4)JGJ59—99 建筑施工安全检查标准3、编制目的本工程现地热采暖系统、散热器采暖系统、风机盘管采暖系统、空调机组采暖系统已经正常运行,临时电供应顺畅。本方案用于保障春节期间系统正常运行、现场井然有序、对已采暖设施的正常运行、成品保护、现场用水用电安全、材料看护、设备抢修、日常巡视的约束作用等。4、系统组成市政进户管热表换 热 站 分 、 集 水器换热机组制 冷 站 分 、 集 水器地热系统采暖系统地热系统末端设备地热采暖系统末端设备高区中区一中区二低区风机盘管风机盘管风机盘管风机盘管首端下口设备1#临时配电柜01APR01ACR—1H4 空调采暖01ACR-2H1 新风机组01ACR-3H2 散热器01ACR—4H3 地热01ALP—1,201AL、02AL 照明箱16AT-1电梯17AM-117AM—2直饮水预留17AM-317ACR—1换热机组17ACR—2补水泵17AC—3供水泵27AT-1电梯27AT—2电梯35AT—1电梯35AT-2电梯35AT—1035AC—9供水泵2#临时配电柜1-5ALP—1照明1—5AL—Q1、Q2裙房照明1-5AL—Q3,1-4AL—Q4裙房照明6—10ALP—1照明11—15ALP-照明116—21ALP—1照明22-26ALP-1照明27—30ALP—1照明31—34ALP—1照明5、组织架构5。1 组长:春节期间现场管理的总负责人,负责处理建设单位、监理单位、物业单位等相关方提出的问题,并将任务交代至总协调人落实、督办。5.2 总协调:负责处理组长安排的各项工作,并将各项工作任务分配至相关负责人,协调第三方资源,...

1、当您付费下载文档后,您只拥有了使用权限,并不意味着购买了版权,文档只能用于自身使用,不得用于其他商业用途(如 [转卖]进行直接盈利或[编辑后售卖]进行间接盈利)。
2、本站所有内容均由合作方或网友上传,本站不对文档的完整性、权威性及其观点立场正确性做任何保证或承诺!文档内容仅供研究参考,付费前请自行鉴别。
3、如文档内容存在违规,或者侵犯商业秘密、侵犯著作权等,请点击“违规举报”。

碎片内容

机电保运方案最终版

您可能关注的文档

确认删除?
VIP
微信客服
  • 扫码咨询
会员Q群
  • 会员专属群点击这里加入QQ群
客服邮箱
回到顶部