电脑桌面
添加小米粒文库到电脑桌面
安装后可以在桌面快捷访问

水冲桩施工技术VIP专享

水冲桩施工技术_第1页
1/5
水冲桩施工技术_第2页
2/5
水冲桩施工技术_第3页
3/5
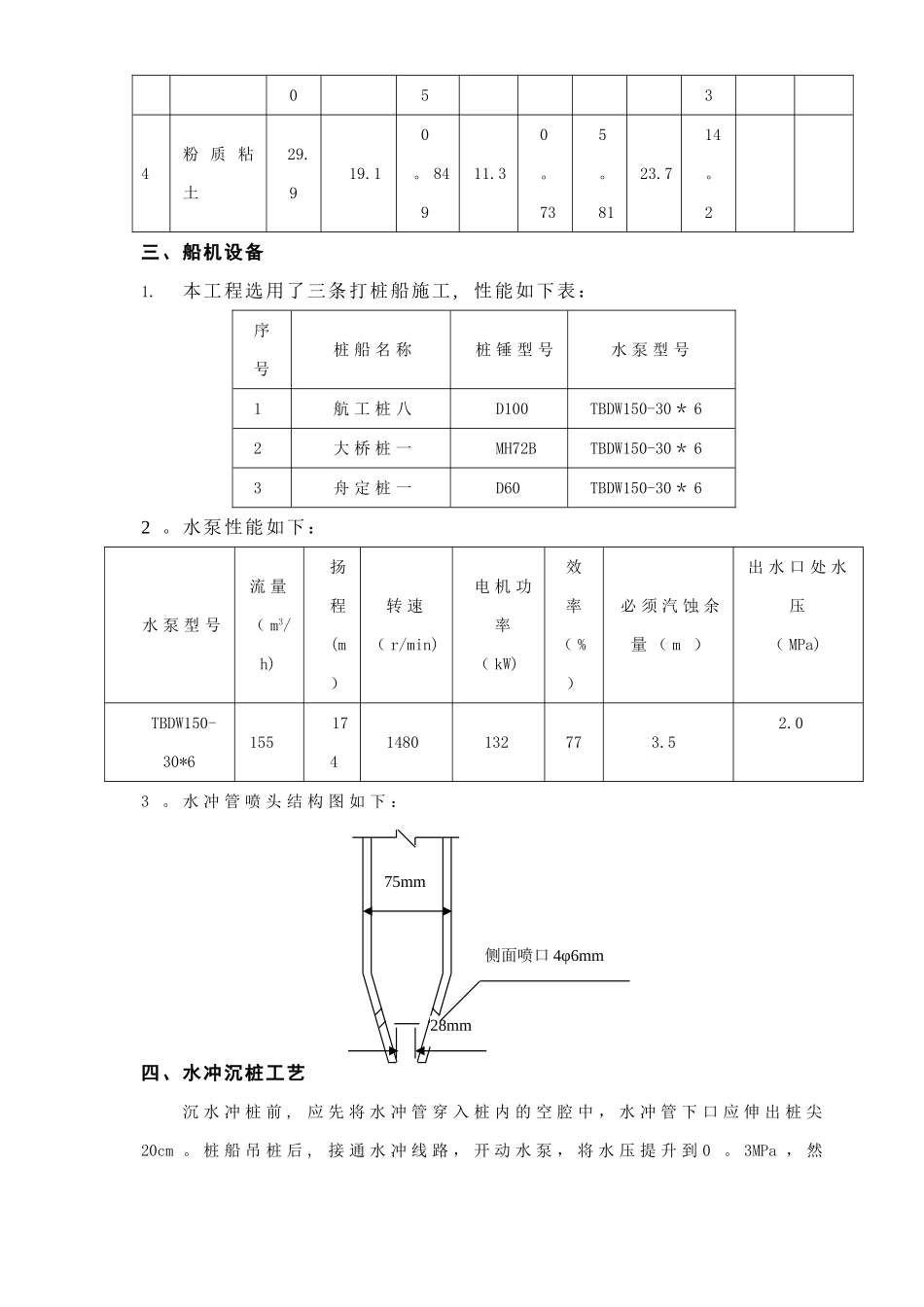
水冲桩施工技术二 航 局 第 三 分 公 司 朱 望 红 王 勇一、概述一 般 锤 击 沉 桩 要 穿 过 连 续 层 厚 8 ~ 15m、 标 贯 N>20 击 的 砂 层 是 很 困 难 的 ,碰 到 这 种 情 况 , 可 行 的 办 法 是 改 为 水 冲 桩 。 江 阴 长 江 拆 船 厂 码 头 工 程 为 新 建5 万 吨 级 散 货 码 头 , 共 有 桩 基 838根 。 其 结 构 型 式 为 600*600mm 预 应 力 砼 方 桩 ,原 设 计 全 部 为 干 打 桩 , 分 析 地 质 资 料 , 桩 基 很 难 穿 过 密 实 的 粉 细 砂 层 , 建 议设 计 院 改 为 水 冲 桩 。 设 计 院 将 桩 长 为 22m~25m 的 桩 未 作 变 更 , 仍 为 干 打 桩 , 共计 75 根 ; 将 桩 长 为 27m~ 46m的 桩 变 更 为 水 冲 桩 , 共 计 763根 .二、地质情况经地质资料反映,地质情况自上而下可分为四层,详见下表:层次地 层 名称含水量(%)天然重度kN/m3孔隙比塑性指数液性指数直 快修正后标贯击数桩侧阻力标准值kPa桩端阻力标准值kPa内聚力kPa内摩擦角φ°1淤 泥 质粉 细 粘土1.682粉 土 夹粉 砂26.019。 50.7438.80。825.833。 112.17213003粉 细 砂24。19。 60。 704.934。 727。9042000534粉 质 粘土29.919.10。 84911.30。735。8123.714。2三、船机设备1.本工程选用了三条打桩船施工,性能如下表:序号桩 船 名 称桩 锤 型 号水 泵 型 号1航 工 桩 八D100TBDW150-30* 62大 桥 桩 一MH72BTBDW150-30* 63舟 定 桩 一D60TBDW150-30* 62 。水泵性能如下:水 泵 型 号流 量( m3/h)扬程(m)转 速( r/min)电 机 功率( kW)效率( %)必 须 汽 蚀 余量 ( m )出 水 口 处 水压( MPa)TBDW150-30*61551741480132773.52.03 。 水 冲 管 喷 头 结 构 图 如 下 :四、水冲沉桩工艺沉 水 冲 桩 前 , 应 先 将 水 冲 管 穿 入 桩 内 的 空 腔 中 , 水 冲 管 下 口 应 伸 出 桩 尖20cm 。 桩 船 吊 桩 后 , 接 通 水 冲 线 路 , 开 动 水 泵 , 将 水 压 提 升 到 0 。 3MPa , 然75mm28mm侧面喷口 4φ6mm后 下 桩 , 根 据 下 沉 的 速 度 慢 慢 加 大 水 压 , 最 大 ...

1、当您付费下载文档后,您只拥有了使用权限,并不意味着购买了版权,文档只能用于自身使用,不得用于其他商业用途(如 [转卖]进行直接盈利或[编辑后售卖]进行间接盈利)。
2、本站所有内容均由合作方或网友上传,本站不对文档的完整性、权威性及其观点立场正确性做任何保证或承诺!文档内容仅供研究参考,付费前请自行鉴别。
3、如文档内容存在违规,或者侵犯商业秘密、侵犯著作权等,请点击“违规举报”。

碎片内容

水冲桩施工技术

确认删除?
VIP
微信客服
  • 扫码咨询
会员Q群
  • 会员专属群点击这里加入QQ群
客服邮箱
回到顶部