电脑桌面
添加小米粒文库到电脑桌面
安装后可以在桌面快捷访问

水污染控制工程第四版上册知识点

水污染控制工程第四版上册知识点_第1页
1/16
水污染控制工程第四版上册知识点_第2页
2/16
水污染控制工程第四版上册知识点_第3页
3/16
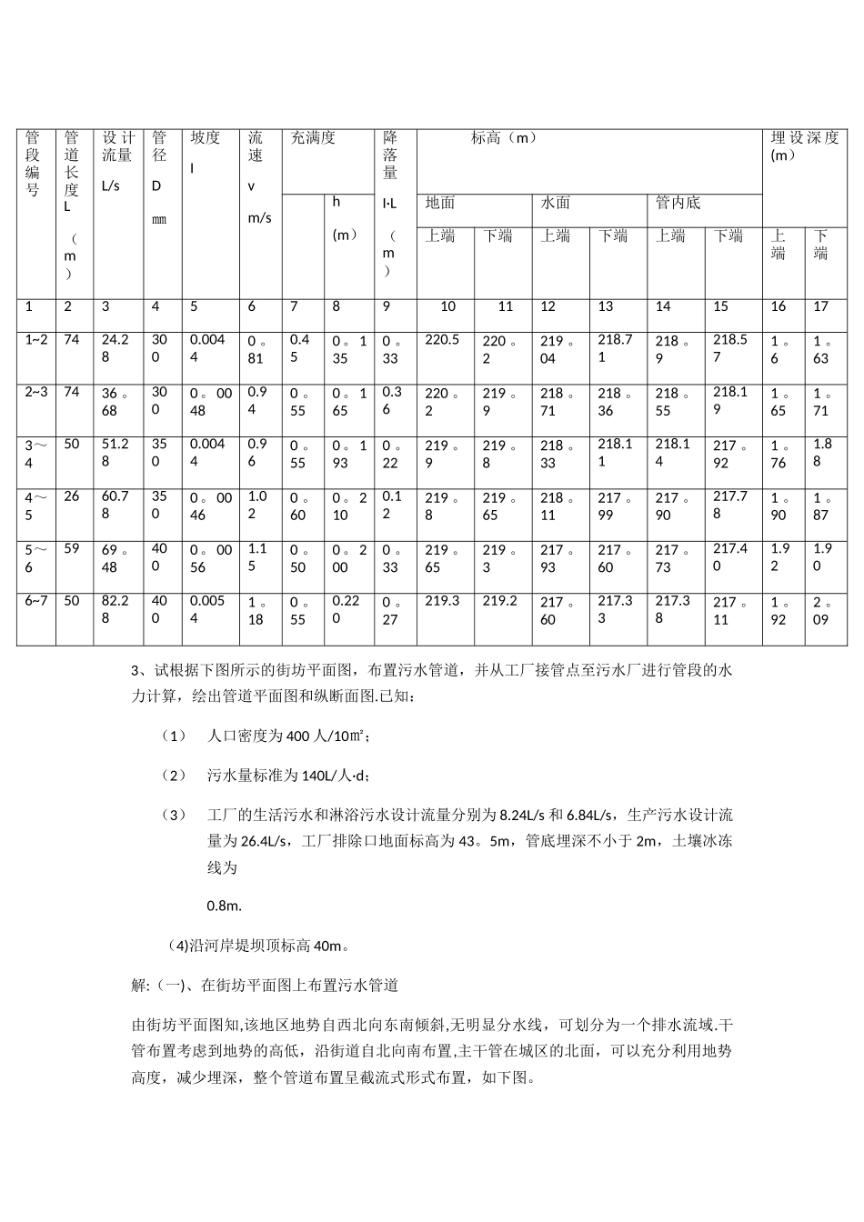
第二章答案1、某肉类联合加工厂每天宰杀活牲畜 258T,废水量标准 8。2m³/t 活畜,总变化系数 1.8,三班制生产,每班 8h,最大职工数 860 人,其中在高温及污染严重车间工作的职工占总数的40%,使用淋浴人数按 85%计,其余 60%的职工在一般车间工作,使用淋浴人数按 30%计.工厂居住区面积9。5×10㎡,人口密度 580 人/10㎡,生活污水量标准 160L/人·d,各种污水由管道汇合送至污水处理站,试计算该厂的最大时污水设计流量。解: 该厂的最大时污水设计流量 Q=Q+Q+QQ===18。525L/sQ=+=+=2。39+6。59=8.98L/sQ===44。08 L/sQ=Q+Q+Q=18。525+8。98+44。08=72.59 L/s2、下图为某工厂工业废水干管平面图.图上注明各废水排除口的位置,设计流量以及各设计管段的长度,检查井处的地面标高,排除口 1 的管底标高为 218。9m,其余各排除口的埋深均不得小于 1。6m.该地区土壤无冰冻。要求列表进行干管的水力计算,并将计算结果标注在图上。解:先进行干管的流量计算如下表:干管水量计算表管段编号排出口设计流量 L/s转输流量 L/s管段设计流量 L/s1~29.780.0024.2814.52~312。424。2836。683~414.636。6851.284~59。551。2860。785~68。760.7869.486~712。869.4882.28干管水力计算表 3、试根据下图所示的街坊平面图,布置污水管道,并从工厂接管点至污水厂进行管段的水力计算,绘出管道平面图和纵断面图.已知:(1)人口密度为 400 人/10㎡;(2)污水量标准为 140L/人·d;(3)工厂的生活污水和淋浴污水设计流量分别为 8.24L/s 和 6.84L/s,生产污水设计流量为 26.4L/s,工厂排除口地面标高为 43。5m,管底埋深不小于 2m,土壤冰冻线为0.8m.(4)沿河岸堤坝顶标高 40m。解:(一)、在街坊平面图上布置污水管道由街坊平面图知,该地区地势自西北向东南倾斜,无明显分水线,可划分为一个排水流域.干管布置考虑到地势的高低,沿街道自北向南布置,主干管在城区的北面,可以充分利用地势高度,减少埋深,整个管道布置呈截流式形式布置,如下图。管段编号管道长度L(m)设 计流量L/s管径D㎜坡度I流速vm/s充满度降落量I·L(m)标高(m)埋 设 深 度(m)h(m)地面水面管内底上端下端上端下端上端下端上端下端12345678910111213141516171~27424.283000.00440 。810.450。1350 。33220.5220 。2219 。04218.71218 。9218.571 。61 。632~37436 。683000。00480.940 。550。1650.36220 。2219 。9218 。71218 。362...

1、当您付费下载文档后,您只拥有了使用权限,并不意味着购买了版权,文档只能用于自身使用,不得用于其他商业用途(如 [转卖]进行直接盈利或[编辑后售卖]进行间接盈利)。
2、本站所有内容均由合作方或网友上传,本站不对文档的完整性、权威性及其观点立场正确性做任何保证或承诺!文档内容仅供研究参考,付费前请自行鉴别。
3、如文档内容存在违规,或者侵犯商业秘密、侵犯著作权等,请点击“违规举报”。

碎片内容

水污染控制工程第四版上册知识点

人从众+ 关注
实名认证
内容提供者

欢迎光临小店,本店以公文和教育为主,希望符合您的需求。

相关文档

确认删除?
VIP
微信客服
  • 扫码咨询
会员Q群
  • 会员专属群点击这里加入QQ群
客服邮箱
回到顶部