电脑桌面
添加小米粒文库到电脑桌面
安装后可以在桌面快捷访问

汽车吊性能表(全)

汽车吊性能表(全)_第1页
1/14
汽车吊性能表(全)_第2页
2/14
汽车吊性能表(全)_第3页
3/14
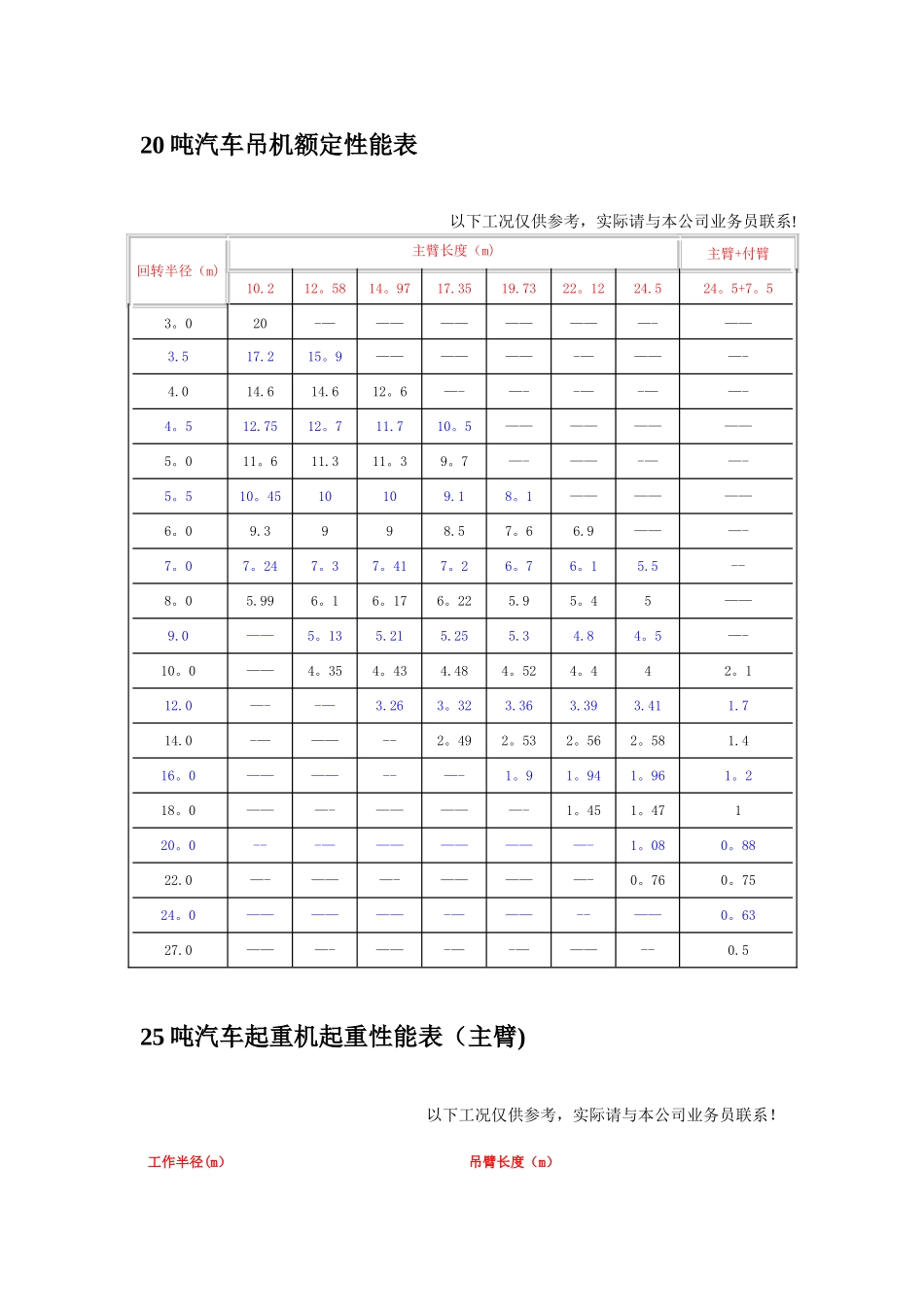
8 吨汽车起重机性能表 220 吨汽车吊机额定性能表 2 25 吨汽车起重机起重性能表(主臂 ) 2 30 吨汽车起重机性能表 ( 一) 4 50 吨汽车起重机性能表(主表) 5 80 吨汽车起重机起重性能表 ( 一 ) 7 100t 汽车吊性能表 8 120 吨汽车起重机起重性能表 8 150 吨汽车起重机性能表 ( 一 ) 9 150 吨汽车起重机性能表 ( 二 ) 10 160t 汽车吊性能表 11 200 吨汽车吊车 11 260 吨吊车性能表 11 LTM1300/1—300t 全液压汽车吊机 11 LTM1500-500t 全液压汽车吊机 12 LTM1500—500t 全液压汽车吊机 13 8 吨汽车起重机性能表以下工况仅供参考,实际请与本公司业务员联系! 主要技术参数6.95m 吊臂8。50m 吊臂10。15m 吊臂11。70m 吊臂参数名称参数工作半径(m)起升高度(m)起重量(t)工作半径(m)起升高度(m)起重量(t)工作半径(m)起升高度(m)起重量(t)工作半径(m)起升高度 (m)起重量(t)全车总重15。50t3。27.58.03。49.26。74。2 10。6 4。24.912。0 3。2最大爬坡能力22%3。77.15。44。08。84。55。010.13.15。8 11。4 2。4吊臂最大仰角 4.36.54.04。78.33.45。79。62。56.710。81.9吊臂全伸时长度11。70m4。95。73.25.47.62。76。68。81。97。79.91。4吊臂全缩时长度6。95m5。54。62.66.26。82。27。57。71.58.88.61。0最大提升高度12。00m 6.95.61.88。46。31。29。77.00.9最小工作半径3.20m 7.54。21。59。04.81。010.55.20。8最小转弯半径9。20m 20 吨汽车吊机额定性能表以下工况仅供参考,实际请与本公司业务员联系! 回转半径(m)主臂长度(m)主臂+付臂10.212。5814。9717.3519.7322。1224.524。5+7。53。020-——————————-——3.517.215。9——————-————-4.014.614.612。6—-—--—-——-4。512.7512。711.710。5————————5。011。611.311。39。7—-——-——-5。510。4510109.18。1——————6。09.3998.57。66.9———-7。07。247。37。417。26。76。15.5--8。05.996。16。176。225.95。45——9.0——5。135.215.255.34.84。5—-10。0——4。354。434.484。524。442。112.0—--—3.263。323.363.393.411.714.0-———--2。492。532。562。581.416。0————--—-1。91。941。961。218。0———-—————-1。451。47120。0---————————-1。080。8822.0—-———-—————-0。760。7524。0——————-———--——0。...

1、当您付费下载文档后,您只拥有了使用权限,并不意味着购买了版权,文档只能用于自身使用,不得用于其他商业用途(如 [转卖]进行直接盈利或[编辑后售卖]进行间接盈利)。
2、本站所有内容均由合作方或网友上传,本站不对文档的完整性、权威性及其观点立场正确性做任何保证或承诺!文档内容仅供研究参考,付费前请自行鉴别。
3、如文档内容存在违规,或者侵犯商业秘密、侵犯著作权等,请点击“违规举报”。

碎片内容

汽车吊性能表(全)

确认删除?
VIP
微信客服
  • 扫码咨询
会员Q群
  • 会员专属群点击这里加入QQ群
客服邮箱
回到顶部