电脑桌面
添加小米粒文库到电脑桌面
安装后可以在桌面快捷访问

涂装电泳废水处理工艺流程

涂装电泳废水处理工艺流程_第1页
1/13
涂装电泳废水处理工艺流程_第2页
2/13
涂装电泳废水处理工艺流程_第3页
3/13
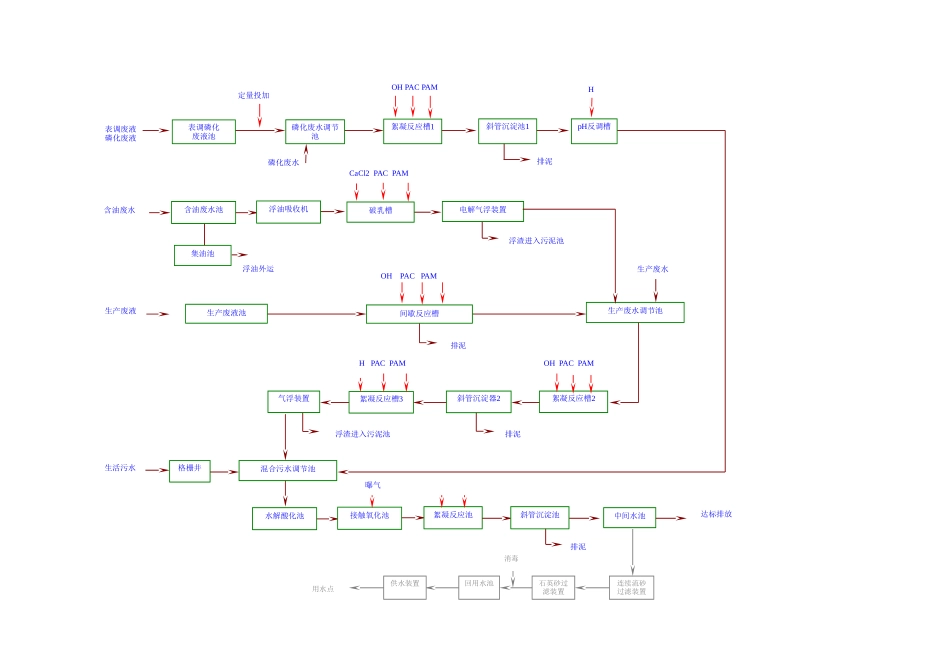
一、 江苏金山污水处理工艺流程根据本项目的污水特点及我公司在涂装项目中的施工及运行经验,本项目的处理采纳物化法和生化法相结合。具体工艺流程图如下:定量投加表调废液磷化废液絮凝反应槽1表调磷化废液池排泥磷化废水调节池磷化废水斜管沉淀池1pH反调槽H 含油废水破乳槽含油废水池CaCl2 PAC PAM 集油池浮渣进入污泥池生产废水调节池浮油外运电解气浮装置浮油吸收机生产废液间歇反应槽生产废液池排泥斜管沉淀器2生产废水絮凝反应槽2OH PAC PAM OH PAC PAM排泥絮凝反应槽3H PAC PAM气浮装置混合污水调节池生活污水浮渣进入污泥池OH PAC PAM连续流砂过滤装置石英砂过滤装置回用水池消毒供水装置用水点格栅井水解酸化池排泥中间水池接触氧化池曝气达标排放絮凝反应池斜管沉淀池工艺流程说明如下:1、磷化废水处理系统2、含油废水预处理系统3、生产废液预处理系统4、生产废水处理系统定量投加表调废液磷化废液絮凝反应槽1表调磷化废液池OH PAC PAM排泥磷化废水池磷化废水斜管沉淀池1pH反调槽H 混合污水调节池含油废水破乳槽含油废水池CaCl2 PAC PAM集油池浮渣进入污泥池生产废水调节池浮油外运电解气浮装置生产废液间歇反应槽生产废液池 OH PAC PAM排泥生产废水调节池5、混合污水处理系统及回用系统6、污泥处理系统3。3 工艺流程说明1、废水废液分质分流措施考虑该项目废水种类多,水质差异大,成分复杂,水质水量波动大,首先对各厂区排放的污水实行相应的分流、分质措施.2、废液预处理系统针对各废水水质特征,对高浓度废水、废液首先进行预处理,然后再与相对低浓度废水进行混合处理.减小对后续处理工序的冲击负荷,提高处理的稳定性.(1)含油废水预处理系统絮凝反应槽2生产废水调节池排泥斜管沉淀器2絮凝反应槽3气浮装置排泥混合污水调节池OH PAC PAMH PAC PAM生产废水PAC PAM生活污水格栅井混合污水调节池水解酸化池接触氧化池絮凝反应池斜管沉淀池达标排放曝 气中间水池连续流砂过滤装置石英砂过滤装置回用水池消毒供水装置用水点污泥污泥池污泥浓缩箱污泥脱水机污泥外运采纳盐析破乳及电聚法进行处理。含油废水池内设浮油吸收机,对浮油吸除率可达到 85%~90%,废水经废液泵提升至破乳反应槽,向破乳反应槽中投加 CaCl2 进行破乳,静止撇渣,然后顺序投加混凝剂 PAC 和阴离子 PAM,经混合、反应、静置、沉淀、撇油后,排水排泥。上清液进入电解气浮,通过电聚法处理,撇除浮渣,出水排入生产废水调节池.(...

1、当您付费下载文档后,您只拥有了使用权限,并不意味着购买了版权,文档只能用于自身使用,不得用于其他商业用途(如 [转卖]进行直接盈利或[编辑后售卖]进行间接盈利)。
2、本站所有内容均由合作方或网友上传,本站不对文档的完整性、权威性及其观点立场正确性做任何保证或承诺!文档内容仅供研究参考,付费前请自行鉴别。
3、如文档内容存在违规,或者侵犯商业秘密、侵犯著作权等,请点击“违规举报”。

碎片内容

涂装电泳废水处理工艺流程

您可能关注的文档

确认删除?
VIP
微信客服
  • 扫码咨询
会员Q群
  • 会员专属群点击这里加入QQ群
客服邮箱
回到顶部