电脑桌面
添加小米粒文库到电脑桌面
安装后可以在桌面快捷访问

消防工程竣工验收全套资料

消防工程竣工验收全套资料_第1页
1/83
消防工程竣工验收全套资料_第2页
2/83
消防工程竣工验收全套资料_第3页
3/83
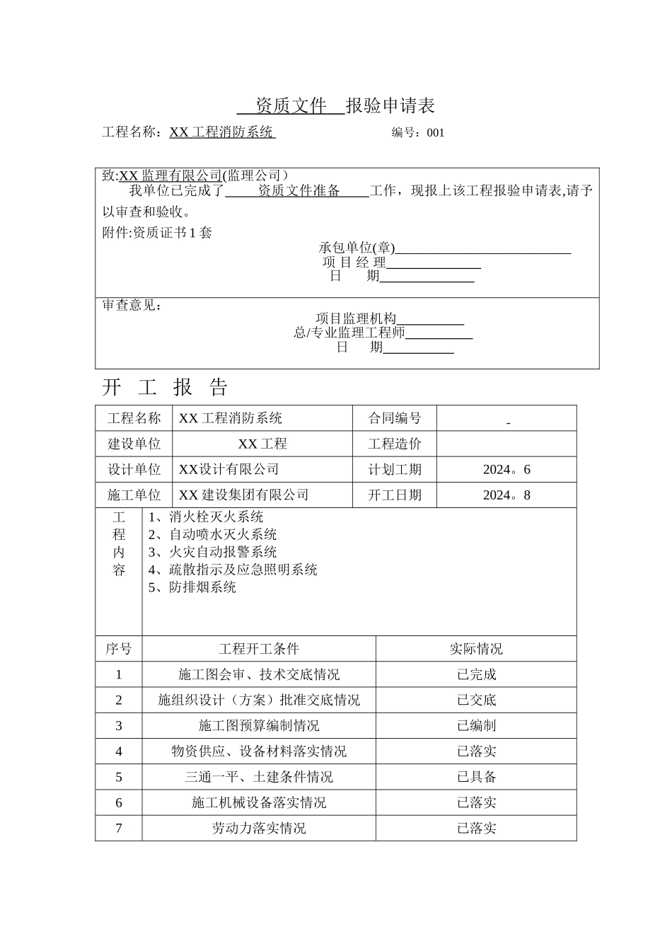
资质文件 报验申请表工程名称:XX 工程消防系统 编号:001 开 工 报 告工程名称XX 工程消防系统合同编号 建设单位XX 工程工程造价设计单位XX设计有限公司计划工期2024。6施工单位XX 建设集团有限公司开工日期2024。8工程内容1、消火栓灭火系统2、自动喷水灭火系统3、火灾自动报警系统4、疏散指示及应急照明系统5、防排烟系统序号工程开工条件实际情况1施工图会审、技术交底情况已完成2施组织设计(方案)批准交底情况已交底3施工图预算编制情况已编制4物资供应、设备材料落实情况已落实5三通一平、土建条件情况已具备6施工机械设备落实情况已落实7劳动力落实情况已落实致:XX 监理有限公司 (监理公司)我单位已完成了 资质文件准备 工作,现报上该工程报验申请表,请予以审查和验收。附件:资质证书 1 套承包单位(章)__________________________ 项 目 经 理 日 期 审查意见: 项目监理机构 总/专业监理工程师 日 期 8安全技术措施落实情况已落实910备注各方条件已具备,申请开工.建设(监理)单位:代表: 年 月 日施工单位:代表: 年 月 日施工组织设计(方案) 报验申请表工程名称:XX 工程消防系统 编号:002致:XX 监理有限公司 (监理公司)我单位已完成了 施工组织设计(方案)编制 工作,现报上该工程报验申请表,请予以审查和验收.附件:施工组织设计(方案) 承包单位(章)__________________________项 目 经 理 日 期 审查意见:项目监理机构 总/专业监理工程师 日 期 施工组织设计(方案) 编号:003工程名称XX 工程消防系统建设单位XX 工程设计单位XX 设计有限公司施工单位XX 建设集团有限公司施工组织设计(方案) 一、工程概况1、工程位置及布置本工程为XX工程消防系统;建筑地点位于安徽省XX市XX路;其中XX楼总建筑面积为50770平方米;XX楼总建筑面积为40984平方米;XX楼总建筑面积为19676.3平方米;XX楼总建筑面积为10829。7平方米;XX楼总建筑面积为16069.1平方米消防水池及消防泵房设在地下室,消防水池容积为270T,水泵房内设消火栓泵及喷淋泵各二台;屋顶设18米3消防不锈钢水箱一座及消防稳压设备两套;消防控制室设在一层,消防控制室内设火灾自动报警控制器一套。自动寻水泡灭火控制器一套。 2、工程简述此工程主要包括:消火栓灭火系统、自动喷水灭火系统、火灾自动报警系统、气体灭火系统、防排烟系统、疏散指示及应急照明系统。二、施工部署1、施工管理构成为确保...

1、当您付费下载文档后,您只拥有了使用权限,并不意味着购买了版权,文档只能用于自身使用,不得用于其他商业用途(如 [转卖]进行直接盈利或[编辑后售卖]进行间接盈利)。
2、本站所有内容均由合作方或网友上传,本站不对文档的完整性、权威性及其观点立场正确性做任何保证或承诺!文档内容仅供研究参考,付费前请自行鉴别。
3、如文档内容存在违规,或者侵犯商业秘密、侵犯著作权等,请点击“违规举报”。

碎片内容

消防工程竣工验收全套资料

您可能关注的文档

确认删除?
VIP
微信客服
  • 扫码咨询
会员Q群
  • 会员专属群点击这里加入QQ群
客服邮箱
回到顶部