电脑桌面
添加小米粒文库到电脑桌面
安装后可以在桌面快捷访问

混凝土坍落度记录表

混凝土坍落度记录表_第1页
1/57
混凝土坍落度记录表_第2页
2/57
混凝土坍落度记录表_第3页
3/57
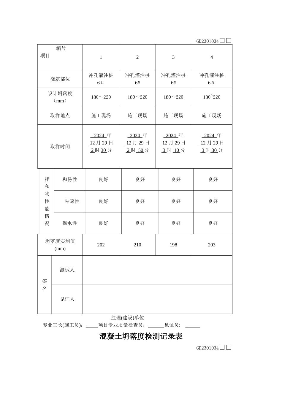
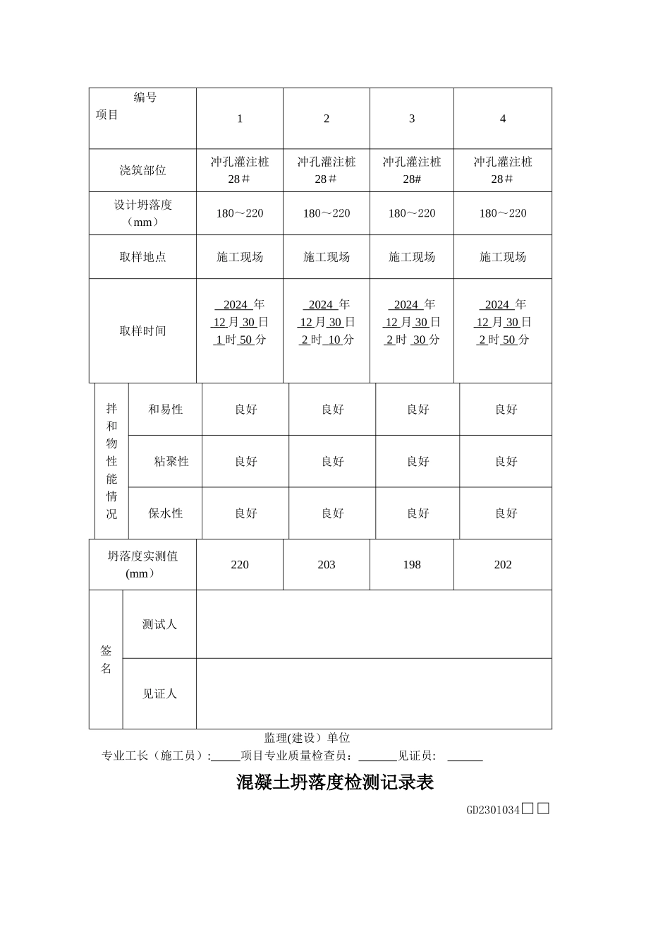
混凝土坍落度检测记录表GD2301034□□ 编号项目1234浇筑部位冲孔灌注桩18#冲孔灌注桩18#冲孔灌注桩18#冲孔灌注桩18#设计坍落度(mm)180~220180~220180~220180~220取样地点施工现场施工现场施工现场施工现场取样时间 2024 年 12 月 29 日 2 时 30 分 2024 年 12 月 29 日 2 时 50 分 2024 年 12 月 29 日 3 时 10 分 2024 年 12 月 29 日 3 时 30 分拌和物性能情况和易性良好良好良好良好粘聚性良好良好良好良好保水性良好良好良好良好坍落度实测值(mm)205210200203签名测试人见证人 监理(建设)单位专业工长(施工员): 项目专业质量检查员: 见证员: 混凝土坍落度检测记录表GD2301034□□ 编号项目1234浇筑部位冲孔灌注桩6#冲孔灌注桩6#冲孔灌注桩6#冲孔灌注桩6#设计坍落度(mm)180~220180~220180~220180~220取样地点施工现场施工现场施工现场施工现场取样时间 2024 年 12 月 29 日 2 时 30 分 2024 年 12 月 29 日 2 时 50 分 2024 年 12 月 29 日 3 时 10 分 2024 年 12 月 29 日 3 时 30 分拌和物性能情况和易性良好良好良好良好粘聚性良好良好良好良好保水性良好良好良好良好坍落度实测值(mm)202210198203签名测试人见证人 监理(建设)单位专业工长(施工员): 项目专业质量检查员: 见证员: 混凝土坍落度检测记录表GD2301034□□ 编号项目1234浇筑部位冲孔灌注桩28#冲孔灌注桩28#冲孔灌注桩28#冲孔灌注桩28#设计坍落度(mm)180~220180~220180~220180~220取样地点施工现场施工现场施工现场施工现场取样时间 2024 年 12 月 30 日 1 时 50 分 2024 年 12 月 30 日 2 时 10 分 2024 年 12 月 30 日 2 时 30 分 2024 年 12 月 30 日 2 时 50 分拌和物性能情况和易性良好良好良好良好粘聚性良好良好良好良好保水性良好良好良好良好坍落度实测值(mm)220203198202签名测试人见证人 监理(建设)单位专业工长(施工员): 项目专业质量检查员: 见证员: 混凝土坍落度检测记录表GD2301034□□ 编号项目1234浇筑部位冲孔灌注桩7#冲孔灌注桩7#冲孔灌注桩7#冲孔灌注桩7#设计坍落度(mm)180~220180~220180~220180~220取样地点施工现场施工现场施工现场施工现场取样时间 2024 年 12 月 30 日 1 时 30 分 2024 年 12 月 30 日 1 时 50 分 2024 年 12 月 30 日...

1、当您付费下载文档后,您只拥有了使用权限,并不意味着购买了版权,文档只能用于自身使用,不得用于其他商业用途(如 [转卖]进行直接盈利或[编辑后售卖]进行间接盈利)。
2、本站所有内容均由合作方或网友上传,本站不对文档的完整性、权威性及其观点立场正确性做任何保证或承诺!文档内容仅供研究参考,付费前请自行鉴别。
3、如文档内容存在违规,或者侵犯商业秘密、侵犯著作权等,请点击“违规举报”。

碎片内容

混凝土坍落度记录表

您可能关注的文档

确认删除?
VIP
微信客服
  • 扫码咨询
会员Q群
  • 会员专属群点击这里加入QQ群
客服邮箱
回到顶部