电脑桌面
添加小米粒文库到电脑桌面
安装后可以在桌面快捷访问

温湿度试验设备作业指导书

温湿度试验设备作业指导书_第1页
1/3
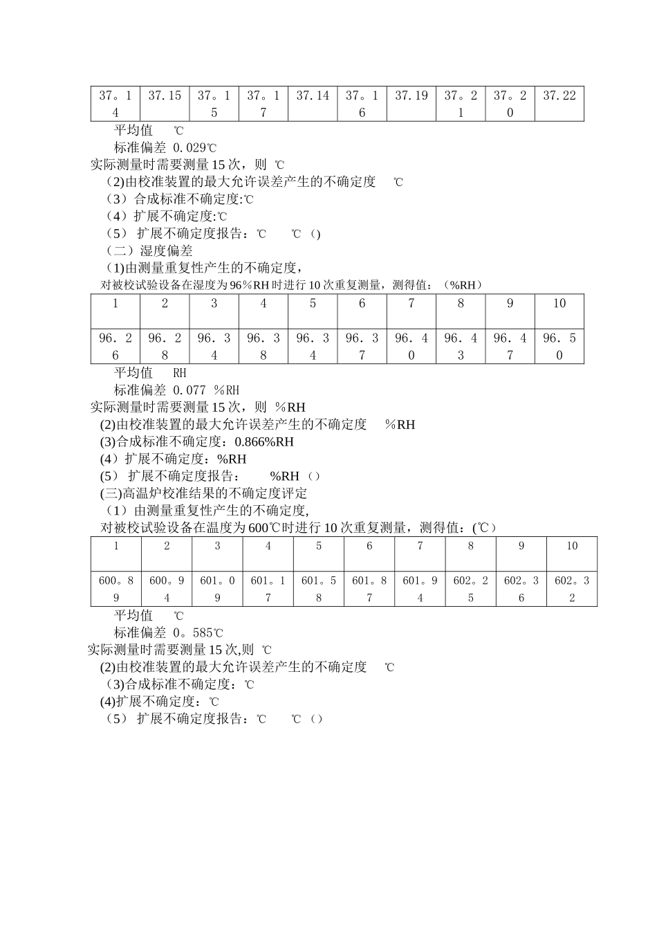
温湿度试验设备作业指导书_第2页
2/3
温湿度试验设备作业指导书_第3页
3/3
白山市计量检定测试所温湿度试验设备作业指导书(ZY/JLSxxx-2024) 编制日期:2010 年 11 月 10 日 批准人:温湿度试验设备校准装置操作法律规范l 目的及适用范围为了严格执行 JJF1101—2024 环境试验设备温度、湿度校准法律规范,使校准工作更加法律规范化、程序化,特制定本法律规范。本法律规范适用于环境试验设备温度、湿度计量性能的校准。2 编写依据JJF1101-2024 环境试验设备温度、湿度校准法律规范3 技术要求及技术条件3、1 温度为(15~35)℃湿度为(30~85%)%RH 气压(86~106)kPa3、2 设备周围应保持清洁、无强烈振动及腐蚀气体,远离冷、热源.3、3 设备应有良好的气密性,从而保证温度、湿度不散失。4 测量标准及配套设备名称型号/规格准确度等级/不确定度测量范围仪器编号温湿度试验设备自动检定系统Vtest-1101温度:±0.03%F.S湿度:±1。5%温度:(-50~300)℃湿度:0~100%100511185 操作方法5、1 将测量系统与传感器连接好后,根据法律规范要求,布放好检测点,用户输入本人的账号密码登录进入操作界面后,点击开始自动检测按钮,进入单位及样品的设置。再点击开始计量曲线按钮,开始检测。5、2 如要检测湿度,首先在进入操作界面后点击系统设置,选择 5 通道精密温湿度 1,在 101 通道前打√。然后点击开始自动检测按钮,进入单位及样品的设置。再点击开始计量曲线按钮,开始检测。5、3 当显示曲线稳定后开始读数,每 2min 记录所有测试点的温度一次,在30min 内共测试 15 次。6 计算结果6、1 温度偏差计算:△td=td—to式中:△td—-—温度偏差,℃to-——中心点 n 次测量的平均值,℃td-——设备显示温度平均值,℃6、2 温度均匀度计算:△tu=式中: △tu—-—温度均匀度,℃n---测量次数timax--—各校准点在第 i 次测得的最高温度,℃ timin—各校准点在第 i 次测得的最低温度,℃6、3 温度波动度计算:△tf=±(tomax—tomin)/2式中: △tf—--温度波动度,℃tomax—-—中心点 n 次测量中的最高温度,℃ tomin—中心点 n 次测量中的最低温度,℃6、4 相对湿度偏差计算:△hd=hd-ho式中:△hd---湿度偏差,%RHho—--中心点 n 次测量的平均值,%RH hd———设备显示温度平均值,%RH6、5 相对湿度均匀度计算:△hu=式中: △hu---温度均匀度,%RHn--—测量次数himax-—-各校准点在第 i 次测得的最高温度,%RH himin-各校准点在第 i 次测得的最低温度,%RH6、6 相对湿...

1、当您付费下载文档后,您只拥有了使用权限,并不意味着购买了版权,文档只能用于自身使用,不得用于其他商业用途(如 [转卖]进行直接盈利或[编辑后售卖]进行间接盈利)。
2、本站所有内容均由合作方或网友上传,本站不对文档的完整性、权威性及其观点立场正确性做任何保证或承诺!文档内容仅供研究参考,付费前请自行鉴别。
3、如文档内容存在违规,或者侵犯商业秘密、侵犯著作权等,请点击“违规举报”。

碎片内容

温湿度试验设备作业指导书

您可能关注的文档

人从众+ 关注
实名认证
内容提供者

欢迎光临小店,本店以公文和教育为主,希望符合您的需求。

确认删除?
VIP
微信客服
  • 扫码咨询
会员Q群
  • 会员专属群点击这里加入QQ群
客服邮箱
回到顶部