电脑桌面
添加小米粒文库到电脑桌面
安装后可以在桌面快捷访问

焊钉焊接施工工艺

焊钉焊接施工工艺_第1页
1/5
焊钉焊接施工工艺_第2页
2/5
焊钉焊接施工工艺_第3页
3/5
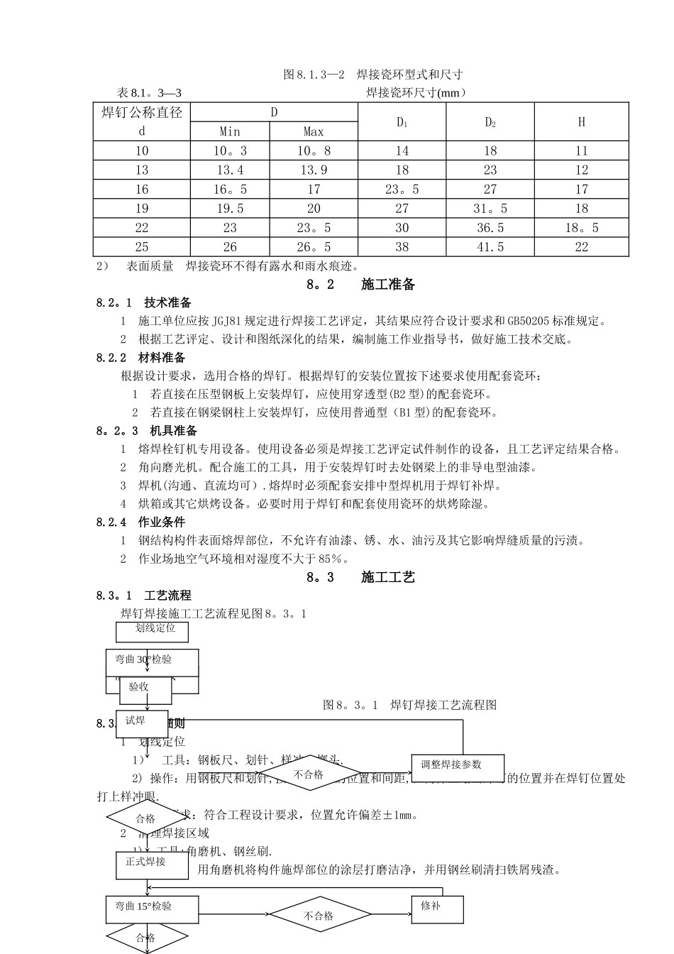
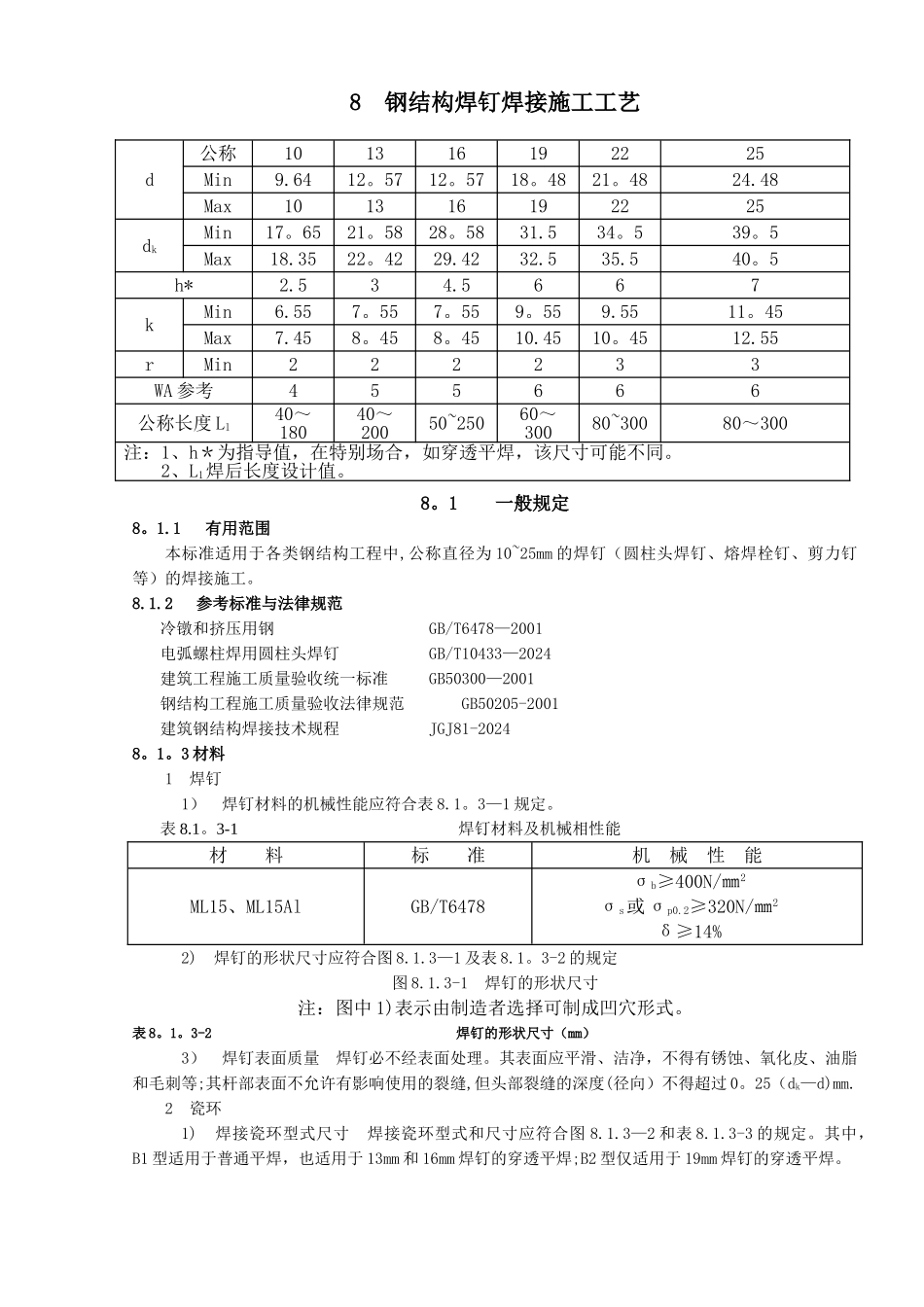
8 钢结构焊钉焊接施工工艺8。1 一般规定8。1.1 有用范围本标准适用于各类钢结构工程中,公称直径为 10~25mm 的焊钉(圆柱头焊钉、熔焊栓钉、剪力钉等)的焊接施工。8.1.2 参考标准与法律规范冷镦和挤压用钢 GB/T6478—2001电弧螺柱焊用圆柱头焊钉 GB/T10433—2024 建筑工程施工质量验收统一标准 GB50300—2001钢结构工程施工质量验收法律规范 GB50205-2001建筑钢结构焊接技术规程 JGJ81-20248。1。3 材料1 焊钉1) 焊钉材料的机械性能应符合表 8.1。3—1 规定。表 8.1。3-1 焊钉材料及机械相性能材 料标 准机 械 性 能ML15、ML15AlGB/T6478σb≥400N/㎜2σs或 σp0.2≥320N/㎜2δ≥14%2) 焊钉的形状尺寸应符合图 8.1.3—1 及表 8.1。3-2 的规定图 8.1.3-1 焊钉的形状尺寸注:图中 1)表示由制造者选择可制成凹穴形式。表 8。1。3-2 焊钉的形状尺寸(mm)3) 焊钉表面质量 焊钉必不经表面处理。其表面应平滑、洁净,不得有锈蚀、氧化皮、油脂和毛刺等;其杆部表面不允许有影响使用的裂缝,但头部裂缝的深度(径向)不得超过 0。25(dk—d)mm.2 瓷环1) 焊接瓷环型式尺寸 焊接瓷环型式和尺寸应符合图 8.1.3—2 和表 8.1.3-3 的规定。其中,B1 型适用于普通平焊,也适用于 13mm 和 16mm 焊钉的穿透平焊;B2 型仅适用于 19mm 焊钉的穿透平焊。d公称101316192225Min9.6412。5712。5718。4821。4824.48Max101316192225dkMin17。6521。5828。5831.534。539。5Max18.3522。4229.4232.535.540。5h*2.534.5667kMin6.557。557。559。559.5511。45Max7.458。458。4510.4510。4512.55rMin222233WA 参考455666公称长度 L140~18040~20050~25060~30080~30080~300注:1、h*为指导值,在特别场合,如穿透平焊,该尺寸可能不同。2、L1焊后长度设计值。图 8.1.3—2 焊接瓷环型式和尺寸表 8.1。3—3 焊接瓷环尺寸(mm) 焊钉公称直径dDD1D2HMinMax1010。310。81418111313.413.91823121616。51723。527171919.5202731。518222323。53036.518。5252626。53841.5222) 表面质量 焊接瓷环不得有露水和雨水痕迹。8。2 施工准备8.2。1 技术准备1 施工单位应按 JGJ81 规定进行焊接工艺评定,其结果应符合设计要求和 GB50205 标准规定。2 根据工艺评定、设计和图纸深化的结果,编制施工作业指导书,做好施工技术交底。8.2.2 材料准备根据设计要求,选用合格的焊钉。根据焊钉的安装位置按下述要求使用配套瓷...

1、当您付费下载文档后,您只拥有了使用权限,并不意味着购买了版权,文档只能用于自身使用,不得用于其他商业用途(如 [转卖]进行直接盈利或[编辑后售卖]进行间接盈利)。
2、本站所有内容均由合作方或网友上传,本站不对文档的完整性、权威性及其观点立场正确性做任何保证或承诺!文档内容仅供研究参考,付费前请自行鉴别。
3、如文档内容存在违规,或者侵犯商业秘密、侵犯著作权等,请点击“违规举报”。

碎片内容

焊钉焊接施工工艺

您可能关注的文档

确认删除?
VIP
微信客服
  • 扫码咨询
会员Q群
  • 会员专属群点击这里加入QQ群
客服邮箱
回到顶部