电脑桌面
添加小米粒文库到电脑桌面
安装后可以在桌面快捷访问

空气呼吸器检查保养、使用记录表

空气呼吸器检查保养、使用记录表_第1页
1/6
空气呼吸器检查保养、使用记录表_第2页
2/6
空气呼吸器检查保养、使用记录表_第3页
3/6
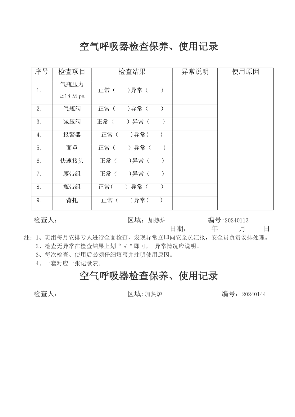
空气呼吸器检查保养、使用记录检查人: 区域:加热炉 编号:20240113 日期: 年 月 日注:1、班组每月安排专人进行全面检查,发现异常立即向安全员汇报,安全员负责安排处理。2、检查无异常在检查结果上划“√"即可, 异常情况应说明。3、每次检查、使用后必须仔细填写并注明使用原因。4、一套对应一张记录表。空气呼吸器检查保养、使用记录检查人: 区域:加热炉 编号:20240144 序号检查项目检查结果异常说明使用原因1.气瓶压力≧18 M pa正常( )异常( )2.气瓶阀正常( )异常( )3.减压阀正常( )异常( )4.报警器正常( )异常( )5.面罩正常( )异常( )6.快速接头正常( )异常( )7.腰带组正常( )异常( )8.瓶带组正常( )异常( )9.背托正常( )异常( )日期: 年 月 日注:1、班组每月安排专人进行全面检查,发现异常立即向安全员汇报,安全员负责安排处理。2、检查无异常在检查结果上划“√"即可, 异常情况应说明。3、每次检查、使用后必须仔细填写并注明使用原因。4、一套对应一张记录表.空气呼吸器检查保养、使用记录检查人: 区域:风机房 编号:20240111 序号检查项目检查结果异常说明使用原因10.气瓶压力≧18 M pa正常( )异常( )11.气瓶阀正常( )异常( )12.减压阀正常( )异常( )13.报警器正常( )异常( )14.面罩正常( )异常( )15.快速接头正常( )异常( )16.腰带组正常( )异常( )17.瓶带组正常( )异常( )18.背托正常( )异常( )日期: 年 月 日注:1、班组每月安排专人进行全面检查,发现异常立即向安全员汇报,安全员负责安排处理。2、检查无异常在检查结果上划“√"即可, 异常情况应说明。3、每次检查、使用后必须仔细填写并注明使用原因。4、一套对应一张记录表。空气呼吸器检查保养、使用记录检查人: 区域:风机房 编号:20240104 序号检查项目检查结果异常说明使用原因19.气瓶压力≧18 M pa正常( )异常( )20.气瓶阀正常( )异常( )21.减压阀正常( )异常( )22.报警器正常( )异常( )23.面罩正常( )异常( )24.快速接头正常( )异常( )25.腰带组正常( )异常( )26.瓶带组正常( )异常( )27.背托正常( )异常( )日期: 年 月 日注:1、班组每月安排专人进行全面检查,发现异常立即向安全员汇报,安全员负责安排处理。2、检查无异常在检查结果上划“√"即可, 异常情况应说明。3、每次检查、使用后必须仔细...

1、当您付费下载文档后,您只拥有了使用权限,并不意味着购买了版权,文档只能用于自身使用,不得用于其他商业用途(如 [转卖]进行直接盈利或[编辑后售卖]进行间接盈利)。
2、本站所有内容均由合作方或网友上传,本站不对文档的完整性、权威性及其观点立场正确性做任何保证或承诺!文档内容仅供研究参考,付费前请自行鉴别。
3、如文档内容存在违规,或者侵犯商业秘密、侵犯著作权等,请点击“违规举报”。

碎片内容

空气呼吸器检查保养、使用记录表

雏圣文化+ 关注
实名认证
内容提供者

欢迎光临,大量办公文档供您挑选。

确认删除?
VIP
微信客服
  • 扫码咨询
会员Q群
  • 会员专属群点击这里加入QQ群
客服邮箱
回到顶部