电脑桌面
添加小米粒文库到电脑桌面
安装后可以在桌面快捷访问

等截面等跨连续梁在常用荷载作用下的内力系数表

等截面等跨连续梁在常用荷载作用下的内力系数表_第1页
1/12
等截面等跨连续梁在常用荷载作用下的内力系数表_第2页
2/12
等截面等跨连续梁在常用荷载作用下的内力系数表_第3页
3/12
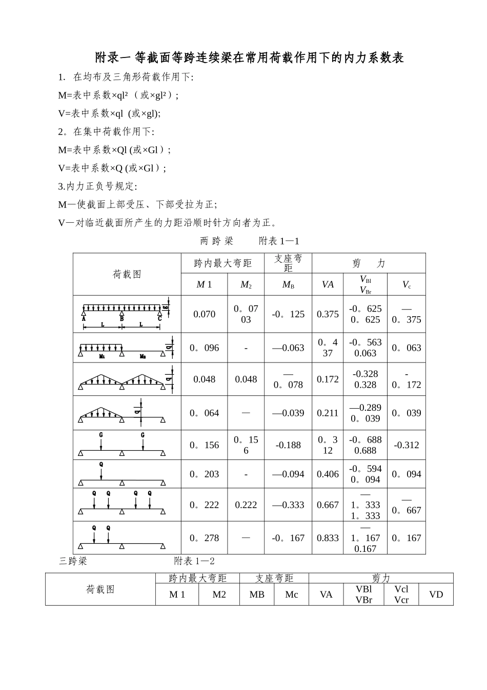
附录一 等截面等跨连续梁在常用荷载作用下的内力系数表1.在均布及三角形荷载作用下:M=表中系数×ql² (或×gl²);V=表中系数×ql (或×gl);2。在集中荷载作用下:M=表中系数×Ql (或×Gl);V=表中系数×Q (或×Gl);3.内力正负号规定:M—使截面上部受压、下部受拉为正;V—对临近截面所产生的力距沿顺时针方向者为正。两 跨 梁 附表 1—1荷载图跨内最大弯距支座弯距剪 力M 1M2MBVAVBlVBrVc0.0700。0703-0。1250.375-0。6250。625—0。3750。096-—0.0630。437-0。5630.0630。0630.0480.048—0。0780.172-0.3280.328-0。1720。064——0.0390.211—0.2890。0390。0390。1560。156-0.1880。312-0。6880.688-0.3120。203-—0.0940.406-0。5940。0940。0940。2220.222—0.3330.667—1。3331。333—0。6670。278—-0。1670.833—1。1670.1670。167三跨梁 附表 1—2荷载图跨内最大弯距支座弯距剪力M 1M2MBMcVAVBlVBrVclVcrVD0.0800.025—0.100—0.1000。400-0.6000。500—0。5000.600—0。4000.101——0.050—0.0500.450-0。550000.550—0.450-0。075—0.050-0.0500。050—0。0500。500—0.5000。0500.0500。0730。054-0.117-0。0330。383-0.6170。5830。083—0.017-0。0170.094—-0.0670.0170。433—0.5670。0830。083-0.017-0.0170.0540.021-0。063—0.0630.183-0。3130。250—0。2500。313-0。1880。068—-0。031—0.0310.219-0.281000。281-0.219—0.052-0。031-0.0310。031—0。0310。250—0.2500.0510。0310。0500.038—0.073-0。0210。177—0.3230.302-0。1980。0210.0210。063-—0.0420。0100。208-0.2920。0520.052—0.010—0.0100.1750.100-0.150—0.1500。350—0。6500。500-0.5000。650—0.3500。213—-0.075-0。0750。425—0.575000.575—0.425—0。175-0.075-0。075-0.075-0。0750。500—0.5000.0750。0750.1620。137—0.175-0。0500。325-0.6750.625-0。3750.0500.0500。200——0.1000。0250.400—0。6000。1250.125—0.025—0。0250.2440。067-0.2670.2670。733—1。2671.000-1.0001。267—0。7330。289—0。133—0。1330。866-1.134001.134-0.866—0.200—0。1330.133-0。133-0。1331。000—1。0000。1330。1330。2290。170—0.311—0。0890.689-1。3111.222—0.7780.0890.0890.274—0.1780。0440.822—1.1780.2220.222—0。044—0.044四 跨 梁 附表 1-3荷载图跨内最大弯距支座弯距剪力M 1M2M3M4MBMCMDVAVBlVB...

1、当您付费下载文档后,您只拥有了使用权限,并不意味着购买了版权,文档只能用于自身使用,不得用于其他商业用途(如 [转卖]进行直接盈利或[编辑后售卖]进行间接盈利)。
2、本站所有内容均由合作方或网友上传,本站不对文档的完整性、权威性及其观点立场正确性做任何保证或承诺!文档内容仅供研究参考,付费前请自行鉴别。
3、如文档内容存在违规,或者侵犯商业秘密、侵犯著作权等,请点击“违规举报”。

碎片内容

等截面等跨连续梁在常用荷载作用下的内力系数表

您可能关注的文档

确认删除?
VIP
微信客服
  • 扫码咨询
会员Q群
  • 会员专属群点击这里加入QQ群
客服邮箱
回到顶部