电脑桌面
添加小米粒文库到电脑桌面
安装后可以在桌面快捷访问

级配碎石垫层试验段施工总结报告

级配碎石垫层试验段施工总结报告_第1页
1/8
级配碎石垫层试验段施工总结报告_第2页
2/8
级配碎石垫层试验段施工总结报告_第3页
3/8
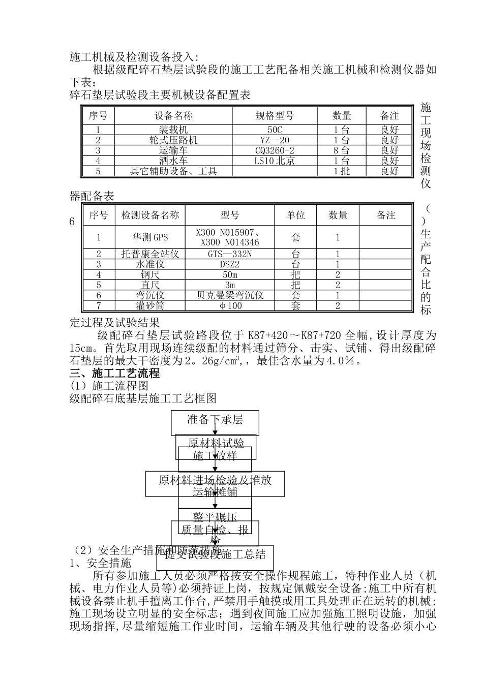
XXXXXX 工程项目X 标段(XXXXXX~XXXXXX)碎石垫层(试验段)施工技术方案编制: 复核: 审核: XXXXXXXXXXXX 标段项目部XXXX 年 XX 月 XX 日碎石垫层试验段施工总结报告 路面垫层是在底基层下面铺筑的承重层,本合同段采纳级配碎石垫层结构厚度 15cm。因而在路面施工中,必须层层把关,严格要求,在垫层施工中应给予高度重视,防止在垫层施工中出现原材料质量不合格、配合比不准确、拌和不均匀、碾压不密实、接缝不平整等质量弊病,避开出现夹层起皮、松散、裂缝、弹簧等质量缺陷,以确保路面垫层的工程质量。根据《公路路面基层施工技术法律规范》,为优质高效地完成垫层施工任务,根据施工进度计划的要求,在现场办、总监办的监督和指导下,我合同段于 XXXX 年 XX 月 XX 日在 XXXXXX~XXXXXX 段进行了级配碎石垫层试验路段铺筑。现将试验路段铺筑情况总结报告如下:一、试验路段的目的 (1)通过铺筑试验路段,确定合理的集料级配。 (2)确定混合料的均匀性。 (3)确定混合料含水量的控制方法。 (4)确定混合料摊铺方法和适用机械。 (5)确定压实机械的组合及压实顺序、速度、遍数等。 (6)确定混合料的松铺系数。 (7)确定每天作业段的合理长度。 (8)制定质量保证的具体措施. (9)制定合适的施工方案及技术交底。二、施工准备(1)碎石 采纳王昆田碎石场供材料,按《公路工程集料试验规程》JTG-2024 进行压碎值、筛分(水洗法)试验,小于 5(mm)颗粒含量进行液限塑限试验,液限塑限和压碎指标符合法律规范要求.检测项目数量备注(0-4.75)mm 石屑液限(%)22.5/塑限(%)18。8/塑限指数3。7/碎石压碎值(%)23。3/ 水:采纳沿线百姓生产、生活用水,无污染。(2)材料标准试验及配合比设计试验结果 取施工场地实际使用并具有代表性的各种材料筛分,用图解法求得目标配合比,并用重型击实法求得最佳含水量为 4。0%,最大干密度为2。26g/cm3。(3)铺筑前对路基重新整修碾压检验 在铺筑前已经对路基进行高程、中线偏位、宽度、横坡度和平整度检查,对路基进行了复压。(4)施工测量放样 在拟铺筑路段两侧每 10 米设控制桩挂线,使用全站仪和水准仪准确放样,控制其平面位置、高程、横坡、平整度等。人员及技术力量投入: 为确保碎石垫层的工程质量,在开始施工前对施工人员进行全面的技术、操作、质量、安全交底,确保施工过程的工程质量、人身安全。主要施工管理人员配置表序 号姓 名职 务职责...

1、当您付费下载文档后,您只拥有了使用权限,并不意味着购买了版权,文档只能用于自身使用,不得用于其他商业用途(如 [转卖]进行直接盈利或[编辑后售卖]进行间接盈利)。
2、本站所有内容均由合作方或网友上传,本站不对文档的完整性、权威性及其观点立场正确性做任何保证或承诺!文档内容仅供研究参考,付费前请自行鉴别。
3、如文档内容存在违规,或者侵犯商业秘密、侵犯著作权等,请点击“违规举报”。

碎片内容

级配碎石垫层试验段施工总结报告

您可能关注的文档

确认删除?
VIP
微信客服
  • 扫码咨询
会员Q群
  • 会员专属群点击这里加入QQ群
客服邮箱
回到顶部