电脑桌面
添加小米粒文库到电脑桌面
安装后可以在桌面快捷访问

表2.1.3-普通混凝土钢筋制作及安装工序施工质量验收评定表

表2.1.3-普通混凝土钢筋制作及安装工序施工质量验收评定表_第1页
1/3
表2.1.3-普通混凝土钢筋制作及安装工序施工质量验收评定表_第2页
2/3
表2.1.3-普通混凝土钢筋制作及安装工序施工质量验收评定表_第3页
3/3
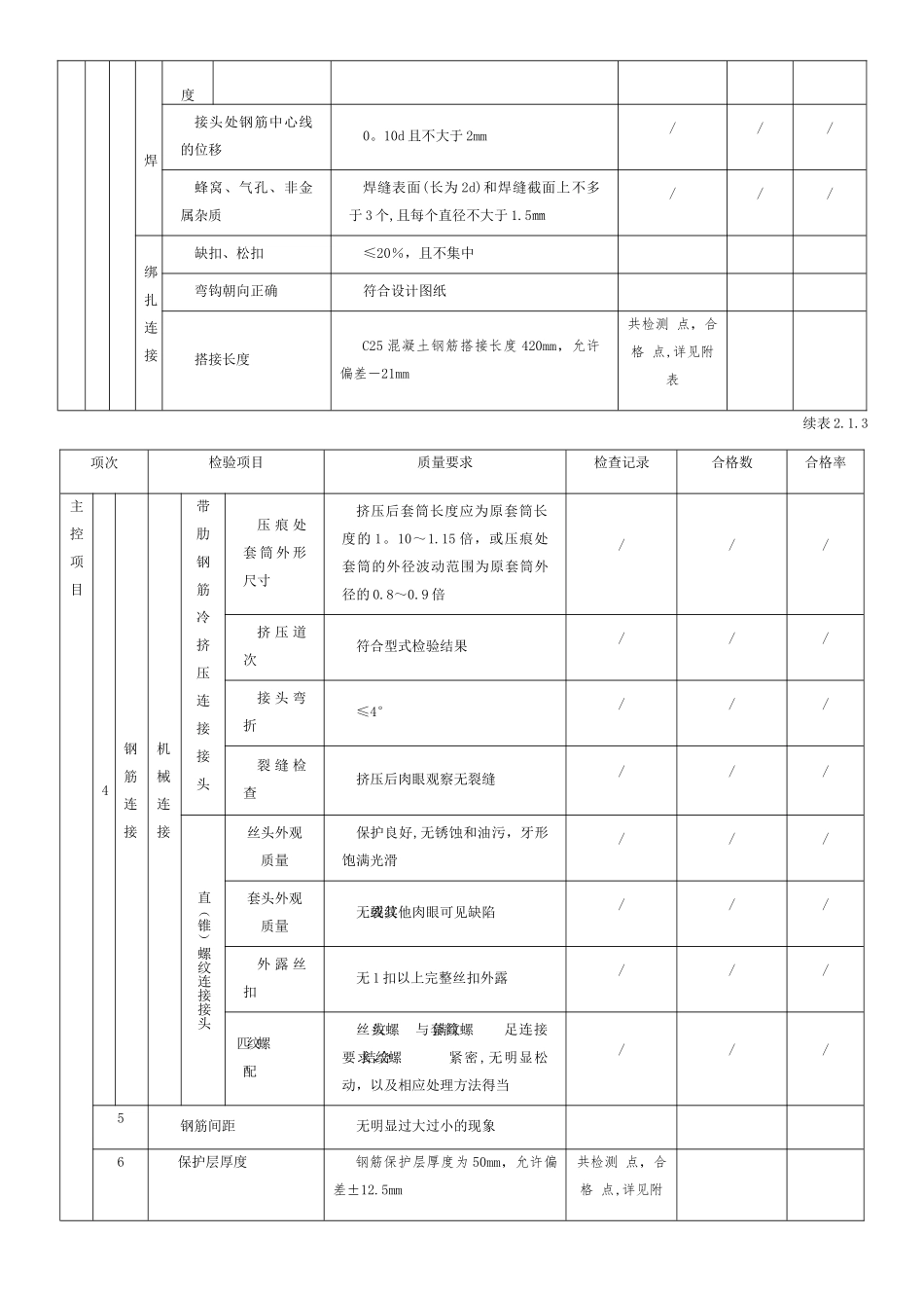
水利水电工程表 2。1.3 普通混凝土钢筋制作及安装工序施工质量验收评定表单位工程名称右岸穿堤建筑物拆除封堵及维修加固工程(一)(D33)工序编号分部工程名称 右岸穿堤建筑物维修加固(一) (D33-F11)施工单位水利部漳卫南局德州水利水电工程集团有限公司单元工程名称、部位 白庄闸(Y75+118) (D33-F11—3)钢筋制作及安装施工日期 年 月 日- 年 月 日项次检验项目质量要求检査记录合格数合格率主控项目1钢筋的数量、规格尺寸、安装位置符合质量标准和设计的要求2钢筋接头的力学性能符合法律规范要求和国家及行业有关规定//3焊接接头和焊缝外观不允许有裂缝、脱焊点、漏焊点,表面平顺,没有明显的咬边、凹陷、气孔等,钢筋不应有明显烧伤///4钢筋连接电弧焊帮条对焊接头中心纵向偏移差不大于 0。5d///接头处钢筋轴线的曲折≤4°///焊缝长度允许偏差-0.5d///宽度允许偏差-0.1d///高度允许偏差-0。05d///表面气孔夹渣在 2d 长度上数量不多于 2 个;气孔、夹渣的直径不大于 3mm///对焊及溶槽焊接接头根部未焊透深Φ25~40mm 钢筋≤0.15d///Φ40~70mm 钢筋≤0。10d///焊度接头处钢筋中心线的位移0。10d 且不大于 2mm///蜂窝、气孔、非金属杂质焊缝表面(长为 2d)和焊缝截面上不多于 3 个,且每个直径不大于 1.5㎜///绑扎连接缺扣、松扣≤20%,且不集中弯钩朝向正确符合设计图纸搭接长度 C25 混凝土钢筋搭接长度 420mm,允许偏差-21mm共检测 点,合格 点,详见附表 续表 2.1.3项次检验项目质量要求检查记录合格数合格率主控项目4钢筋连接机械连接带肋钢筋冷挤压连接接头压 痕 处套 筒 外 形尺寸挤压后套筒长度应为原套筒长度的 1。10~1.15 倍,或压痕处套筒的外径波动范围为原套筒外径的 0.8~0.9 倍///挤 压 道次符合型式检验结果///接 头 弯折≤4°///裂 缝 检查挤压后肉眼观察无裂缝///直(锥)螺纹连接接头丝头外观质量保护良好,无锈蚀和油污,牙形饱满光滑///套头外观质量无裂纹或其他肉眼可见缺陷///外 露 丝扣无 1 扣以上完整丝扣外露///螺纹匹配丝头螺纹与套筒螺纹满足连接要求,螺纹结合紧密,无明显松动,以及相应处理方法得当///5钢筋间距无明显过大过小的现象6 保护层厚度 钢筋保护层厚度为 50mm,允许偏差±12.5mm共检测 点,合格 点,详见附表一般项目1钢筋长度方向主筋长度分别为 16000mm、8870mm、4739mm、4650mm、13100mm,局部偏差±25mm共检测 点,合格 点,详见附...

1、当您付费下载文档后,您只拥有了使用权限,并不意味着购买了版权,文档只能用于自身使用,不得用于其他商业用途(如 [转卖]进行直接盈利或[编辑后售卖]进行间接盈利)。
2、本站所有内容均由合作方或网友上传,本站不对文档的完整性、权威性及其观点立场正确性做任何保证或承诺!文档内容仅供研究参考,付费前请自行鉴别。
3、如文档内容存在违规,或者侵犯商业秘密、侵犯著作权等,请点击“违规举报”。

碎片内容

表2.1.3-普通混凝土钢筋制作及安装工序施工质量验收评定表

确认删除?
VIP
微信客服
  • 扫码咨询
会员Q群
  • 会员专属群点击这里加入QQ群
客服邮箱
回到顶部