电脑桌面
添加小米粒文库到电脑桌面
安装后可以在桌面快捷访问

PE管和双壁波纹管施工分部、分项、检验批质量验收表格模板

PE管和双壁波纹管施工分部、分项、检验批质量验收表格模板_第1页
1/8
PE管和双壁波纹管施工分部、分项、检验批质量验收表格模板_第2页
2/8
PE管和双壁波纹管施工分部、分项、检验批质量验收表格模板_第3页
3/8
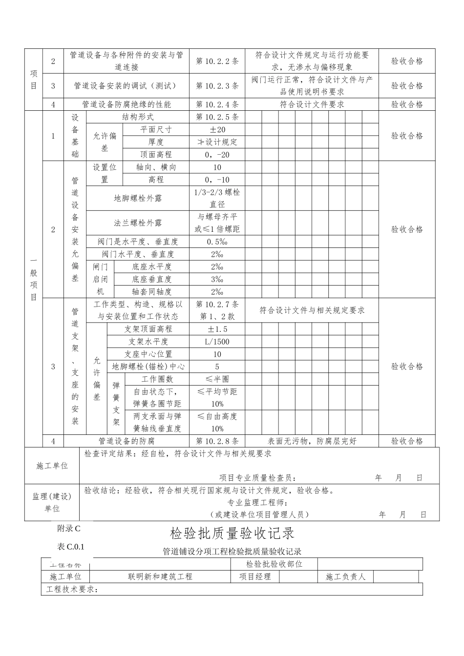
沟槽回填 分项工程检验批质量验收记录(球墨管)工程名称检验批验收部位施工单位项目经理施工负责人回填材料中粗砂管材品种规格PE63、PE32、PE25、DN50回填深度0.6M地面情况土路基质量验收规的规定施工单位检查评定记录监理(建设)单位验收记录主控项目1管区围的回填材料要求第 6.4.1 条符合要求符合要求2不得带水回填第 6.4.2 条符合要求符合要求3沟槽回填时管区围不同部位的投料、回填、夯实方法第 6.4.3 条第 1、2 款符合要求符合要求回填时的管道保护第 6.4.3 条第 3 款符合要求回填后管道竖向变形钢管≯0.03D无 此 项/化学管材≯0.05D无 此 项一般项目1回填高度与顶面第 6.4.4 条回填达到规定高度,表面平整符合要求2当有回填压实系数要求时,沟槽管区围的回填压实系数(%)管道两侧第 6.4.5 条90929091909592939290符合要求管顶以上300mm 围878888909192928888923附属构筑物周围的回填第 6.4.6 条符合要求符合要求施工单位检查评定结果:经自检,符合设计图纸与相关规要求。项目专业质量检查员: 年 月 日监理(建设)单位验收结论:经验收,符合设计图纸与相关规要求。专业监理工程师: (或建设单位项目管理人员) 年 月 日管道设备(阀门) 分项工程检验批质量验收记录工程名称检验批验收部位施工单位项目经理施工负责人设备品种、规格PE63 给水管接口连接方式螺栓连接设备基础结构形式软封密质量验收规的规定施工单位检查评定记录监理(建设)单位验收记录主控1管道设备的产品质保资料、品种规格与各项性能第 10.2.1 条符合设计文件规定,产品质量保证资料齐全验收合格项目2管道设备与各种附件的安装与管道连接第 10.2.2 条符合设计文件规定与运行功能要求,无渗水与偏移现象验收合格3管道设备安装的调试(测试)第 10.2.3 条阀门运行正常,符合设计文件与产品使用说明书要求验收合格4管道设备防腐绝缘的性能第 10.2.4 条符合设计文件要求验收合格一般项目1设备基础结构形式第 10.2.5 条验收合格允许偏差平面尺寸±20厚度≯设计规定顶面高程0,-202管道设备安装允偏差设置位置轴向、横向10验收合格高程0,-10地脚螺栓外露1/3-2/3 螺栓直径法兰螺栓外露与螺母齐平或≤1 倍螺距阀门是水平度、垂直度0.5‰阀门水平度、垂直度2‰闸门启闭机底座水平度2‰底座垂直度3‰轴套同轴度2‰3管道支架、支座的安装工作类型、构造、规格以与安装位置和工作状态第 10.2.7 条第 1、2 款符合设计文件与相关...

1、当您付费下载文档后,您只拥有了使用权限,并不意味着购买了版权,文档只能用于自身使用,不得用于其他商业用途(如 [转卖]进行直接盈利或[编辑后售卖]进行间接盈利)。
2、本站所有内容均由合作方或网友上传,本站不对文档的完整性、权威性及其观点立场正确性做任何保证或承诺!文档内容仅供研究参考,付费前请自行鉴别。
3、如文档内容存在违规,或者侵犯商业秘密、侵犯著作权等,请点击“违规举报”。

碎片内容

PE管和双壁波纹管施工分部、分项、检验批质量验收表格模板

您可能关注的文档

确认删除?
VIP
微信客服
  • 扫码咨询
会员Q群
  • 会员专属群点击这里加入QQ群
客服邮箱
回到顶部