电脑桌面
添加小米粒文库到电脑桌面
安装后可以在桌面快捷访问

人力资源-2024AutoCAD高端培训资料VIP专享

人力资源-2024AutoCAD高端培训资料_第1页
1/83
人力资源-2024AutoCAD高端培训资料_第2页
2/83
人力资源-2024AutoCAD高端培训资料_第3页
3/83
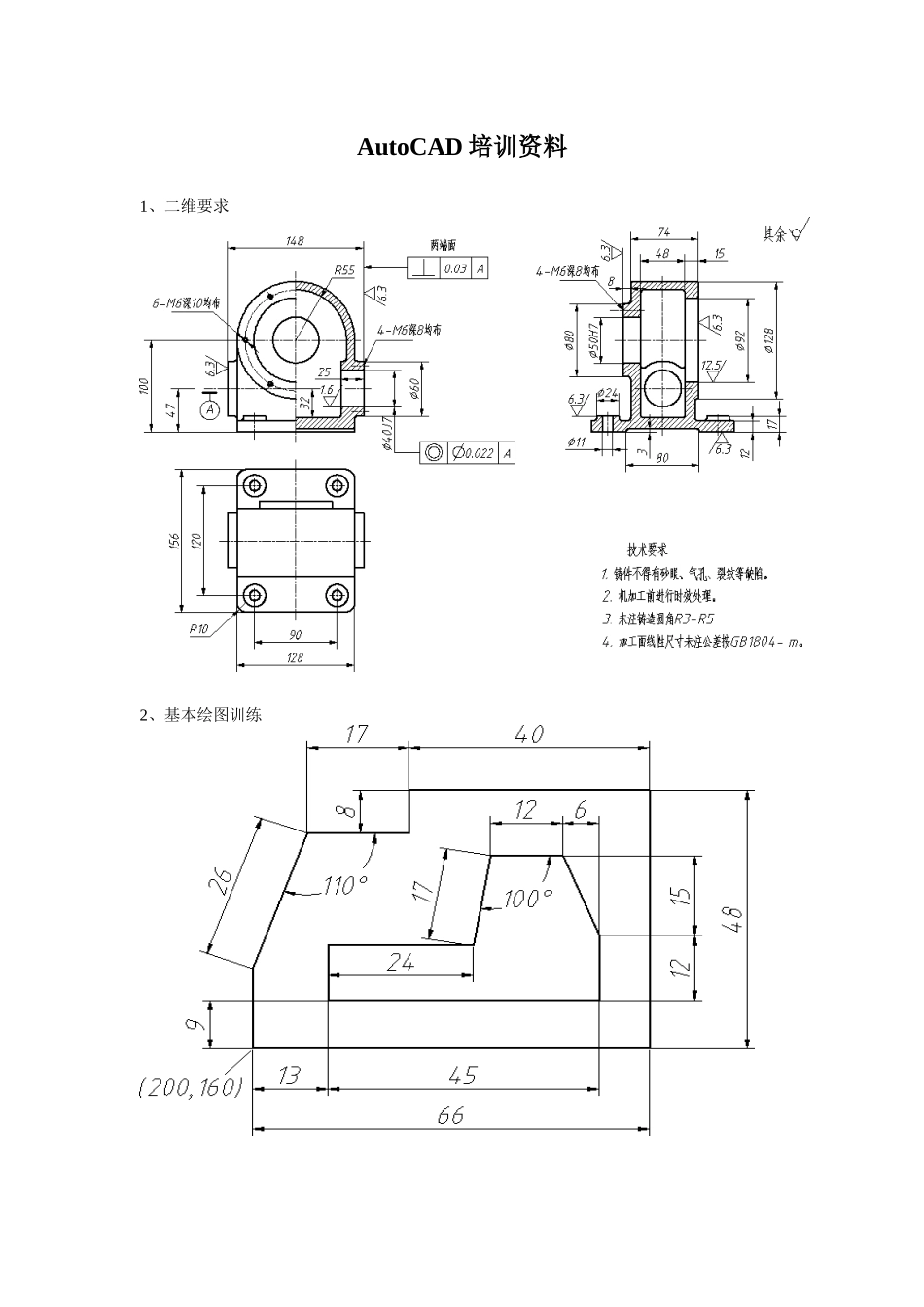
CAD 高端培训AutoCAD 所有版本高级培训资料版权所有 翻录必究2024 年 10 月前 言AutoCAD 高级培训主要针对有志成为 AutoCAD 高端应用人才的相关专业人员。通过该项认证的考生以此向企业、学校证明自身应用 CAD 进行设计的能力。在校理工科大学生不久将踏入社会,不管你是搞机械的,还是搞建筑或室内设计的;不论你是设计元器件的,还是设计家具的;亦或讨论高分子材料的、讨论光学的或是 GIS专业(地理信息系统)的等等,在自己的工作中总要画画图纸,并进行一些几何力学分析、空间运动或材料等方面的分析运算。作为辅助设计行业标准的 AutoCAD,其用户已遍及 150多个国家;在《财宝》 500 强中,98%都是 Autodesk 的客户;每年在全球 1000 多家Autodesk 培训中心,有 1 百万学生接受 AutoCAD 培训。在中国入世的今日,各国技术沟通越发紧密,随着应用要求的提升,必将扩大市场对高端 CAD 应用人才的需求。从今年南京市的情况来看,参加 AutoCAD 考试的在校大学生呈明显上升趋势。学生越发觉得 AutoCAD是一个非常优秀的网络设计工具(而不是简单地抄抄图纸),其高端三维应用已成为大学生的追求目标。比较其他种类的 CAD 培训,高级培训侧重于考核考生解决实际设计过程中遇到的几何和力学计算问题的能力(这才是真正的设计,而不是把所有数据给你,让你简单地用计算机描描图)。 这样就显得获得该证书的学员具有很强的 CAD 实际设计能力,倍受大型建筑和机械设计公司的青睐。你假如真的很想成为一位 AutoCAD 高手,你首先必须明白自己很可能成不了这方面的高手。如同恋爱中的男女总期望有个美好的结果,但往往事与愿违。于是,我们开始信任缘分的存在;于是,我们开始慢慢学会等待。接下来一点,我认为对那些真正想成为 AutoCAD 高手的朋友们来说,是极为重要的,那就是:向 AutoCAD 妥协。很多人不能真正理解 AutoCAD 的原因是,当他们遇到问题时,想的不是利用自身已有的几何学知识,通过 AutoCAD 提供的工具,玩出一种新的作图法;而是直接向那些所谓的更高级的软件索要新的工具。其实任何软件都是有其局限的。想想看,假如你想和自己的女 ( 男 ) 朋友有结果的话,是不是要学着宽容和理解一点? 最后一点就是要学会感谢,感谢父母的恩情,感谢朋友的照顾,感谢老师的指点。缘分 — 等待 — 妥协 — 感谢,这四个富含着绅士精神的词汇,这四个高贵优雅的词汇,你做到了几个?我现在算是做得...

1、当您付费下载文档后,您只拥有了使用权限,并不意味着购买了版权,文档只能用于自身使用,不得用于其他商业用途(如 [转卖]进行直接盈利或[编辑后售卖]进行间接盈利)。
2、本站所有内容均由合作方或网友上传,本站不对文档的完整性、权威性及其观点立场正确性做任何保证或承诺!文档内容仅供研究参考,付费前请自行鉴别。
3、如文档内容存在违规,或者侵犯商业秘密、侵犯著作权等,请点击“违规举报”。

碎片内容

人力资源-2024AutoCAD高端培训资料

确认删除?
VIP
微信客服
  • 扫码咨询
会员Q群
  • 会员专属群点击这里加入QQ群
客服邮箱
回到顶部