电脑桌面
添加小米粒文库到电脑桌面
安装后可以在桌面快捷访问

北京邮电大学微机原理硬件实验报告

北京邮电大学微机原理硬件实验报告_第1页
1/31
北京邮电大学微机原理硬件实验报告_第2页
2/31
北京邮电大学微机原理硬件实验报告_第3页
3/31
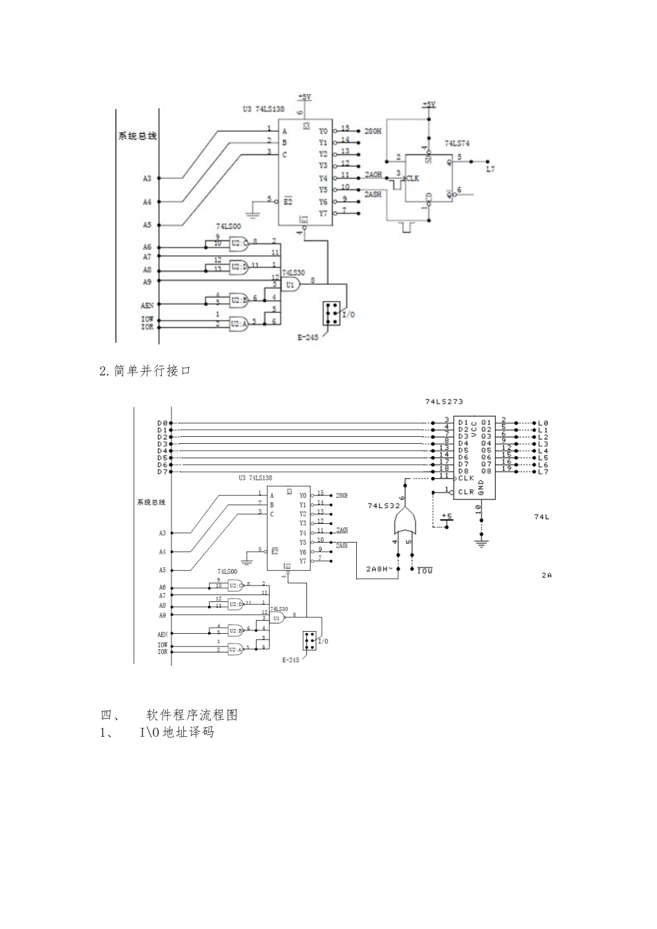
实验报告一:I/0 地址译码和简单并行接口——实验一&实验二一、实验目的掌握 I/O 地址译码电路的工作原理;掌握简单并行接口的工作原理与使用方法。二、实验原理与容 a) I/0 地址译码 1、实验电路如图 1-1 所示,其中 74LS74 为 D 触发器,可直接使用实验台上数字电路实验区的 D 触发器,74LS138 为地址译码器。译码输出端 Y0~Y7在实验台上“I/O 地址“输出端引出,每个输出端包含 8 个地址,Y0:280H~287H,Y1:288H~28FH,……当 CPU 执行 I/O 指令且地址在 280H~2BFH 围,译码器选中,必有一根译码线输出负脉冲。例如:执行下面两条指令MOV DX,2A0H OUT DX,AL(或 IN AL,DX)Y4 输出一个负脉冲,执行下面两条指令MOV DX,2A8H OUT DX,AL(或 IN AL,DX)Y5 输出一个负脉冲。利用这个负脉冲控制 L7 闪耀发光(亮、灭、亮、灭、……),时间间隔通过软件延时实现。2、接线: Y4/IO 地址接 CLK/D 触发器Y5/IO 地址接 CD/D 触发器D/D 触发器接 SD/D 触发器接 +5V Q/D 触发器接 L7(LED 灯)或逻辑笔b) 简单并行接口 1、按下面图 4-2-1 简单并行输出接口电路图连接线路(74LS273 插通用插座,74LS32 用实验台上的“或门”)。74LS273 为八 D 触发器,8 个 D 输入端分别接数据总线 D0~D7,8 个 Q 输出端接 LED 显示电路L0~L7。2、编程从键盘输入一个字符或数字,将其 ASCⅡ 码通过这个输出接口输出,根据 8 个发光二极管发光情况验证正确性。3、按下面图 4-2-2 简单并行输入接口电路图连接电路(74LS244 插通用插座,74LS32 用实验台上的“或门”)。74LS244 为八缓冲器,8个数据输入端分别接逻辑电平开关输出 K0~K7,8 个数据输出端分别接数据总线 D0~D7。4、用逻辑电平开关预置某个字母的 ASCⅡ 码,编程输入这个 ASCⅡ码,并将其对应字母在屏幕上显示出来。5、接线:1)输出按图 4-2-1 接线(图中虚线为实验所需接线,74LS32 为实验台逻辑或门)2)输入按图 4-2-2 接线(图中虚线为实验所需接线,74LS32 为实验台逻辑或门)三、硬件连线图1、I/O 地址译码2.简单并行接口四、软件程序流程图1、I\O 地址译码2、简单并行接口五、源程序1、I\O 地址译码STACK SEGMENT STACK 'STACK' DB 100 DUP(?)STACK ENDSDATA SEGMENTDATA ENDSCODE SEGMENT ASSUME CS:CODE,SS:STACK,DS:DATASTART:MOV AX,DATA MOV DS,AX LOP: MOV DX,2...

1、当您付费下载文档后,您只拥有了使用权限,并不意味着购买了版权,文档只能用于自身使用,不得用于其他商业用途(如 [转卖]进行直接盈利或[编辑后售卖]进行间接盈利)。
2、本站所有内容均由合作方或网友上传,本站不对文档的完整性、权威性及其观点立场正确性做任何保证或承诺!文档内容仅供研究参考,付费前请自行鉴别。
3、如文档内容存在违规,或者侵犯商业秘密、侵犯著作权等,请点击“违规举报”。

碎片内容

北京邮电大学微机原理硬件实验报告

您可能关注的文档

一帆文传+ 关注
实名认证
内容提供者

欢迎光临店铺,各类公文供您挑选。

确认删除?
VIP
微信客服
  • 扫码咨询
会员Q群
  • 会员专属群点击这里加入QQ群
客服邮箱
回到顶部