电脑桌面
添加小米粒文库到电脑桌面
安装后可以在桌面快捷访问

某食品公司的全套ISO体系质量手册范本

某食品公司的全套ISO体系质量手册范本_第1页
1/31
某食品公司的全套ISO体系质量手册范本_第2页
2/31
某食品公司的全套ISO体系质量手册范本_第3页
3/31
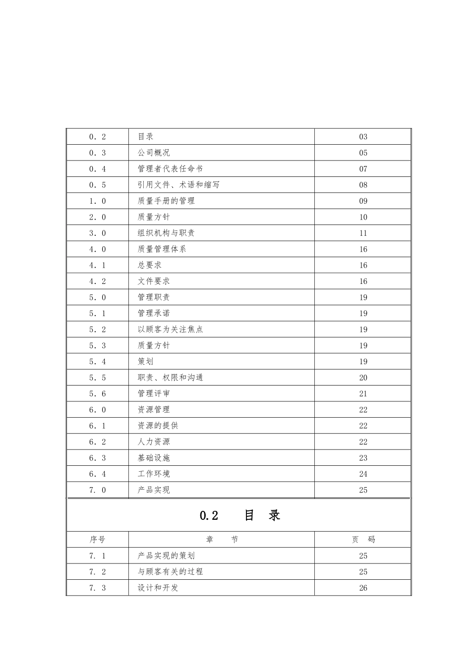
0.0 版本修订历史记录序号修订容修订人修订日期版本备注1新版下发A00.1 批准页为了健全和完善本公司的质量保证体系,促进质量管理和质量保证活动系统化、规化、根据 GB/T19001—ISO9001:2000 标准的要求,根据本公司实际情况制定了本《质量手册》。 本《质量手册》对作为质量管理和质量保证活动的纲领性文件和法规性文件,对外则阐明公司的质量保证体系,是本公司质量体系运行时需长期遵守的纲领性文件,是实施质量管理的基本法规,现予以颁布,要求公司全员仔细学习,严格遵守并贯彻执行本质量手册的各项规定和要求。 本《质量手册》从生效日期开始,正式在本公司颁发执行,今后随着市场的变化和客户的需求变化,随着科学技术的不断进展,将对本手册不断修改,以满足客户需求,促进公司的进展。总 经 理:日 期:0.2 目 录序号章 节页 码0.0版本修订历史记录010.1批准页020.2目录030.3公司概况050.4管理者代表任命书070.5引用文件、术语和缩写081.0质量手册的管理092.0质量方针103.0组织机构与职责114.0质量管理体系164.1总要求164.2文件要求165.0管理职责195.1管理承诺195.2以顾客为关注焦点195.3质量方针195.4策划195.5 职责、权限和沟通205.6管理评审216.0资源管理226.1资源的提供226.2人力资源226.3基础设施236.4工作环境247. 0 产品实现250.2 目 录序号章 节页 码7. 1产品实现的策划257. 2与顾客有关的过程257. 3设计和开发267. 4采购277. 5生产和服务的运作287. 6 检测和测量装置的控制308. 0测量、分析和改进318. 1总则318. 2监视和测量318. 3不合格控制338. 4数据分析348. 5改进349. 0附录379. 1管理程序清单379. 2外包过程清单与控制说明350.3 公司介绍鸿雁食品是从事鹅肥肝产业专业化开发的公司,于 2000 年 6 月注册成立。鸿雁食品高起点走国际化合作进展的道路,成为国际鹅肥肝生产、销售产业链的一环。2024 年 4 月,公司与法国 LE CANARD DU MIDI 公司在正式签署了技术、生产、商标、销售全面合作的合同,共同开发世界鹅肥肝市场。鸿雁食品与其实施的鹅肥肝产业开发项目,得到了各级政府和社会各届的普遍认同和看好。2000 年 12 月,公司被壮族自治区人民政府列为“农业产业化龙头企业”;2001 年 5 月,“鹅肥肝产业开发二期工程”被列入第十个五年计划工业进展规划重点项目;2001 年 7 月,被国家外经贸部给予自营进出口经营权;2024年 3 ...

1、当您付费下载文档后,您只拥有了使用权限,并不意味着购买了版权,文档只能用于自身使用,不得用于其他商业用途(如 [转卖]进行直接盈利或[编辑后售卖]进行间接盈利)。
2、本站所有内容均由合作方或网友上传,本站不对文档的完整性、权威性及其观点立场正确性做任何保证或承诺!文档内容仅供研究参考,付费前请自行鉴别。
3、如文档内容存在违规,或者侵犯商业秘密、侵犯著作权等,请点击“违规举报”。

碎片内容

某食品公司的全套ISO体系质量手册范本

确认删除?
VIP
微信客服
  • 扫码咨询
会员Q群
  • 会员专属群点击这里加入QQ群
客服邮箱
回到顶部