电脑桌面
添加小米粒文库到电脑桌面
安装后可以在桌面快捷访问

潜在失效模式与效果分析报告

潜在失效模式与效果分析报告_第1页
1/25
潜在失效模式与效果分析报告_第2页
2/25
潜在失效模式与效果分析报告_第3页
3/25
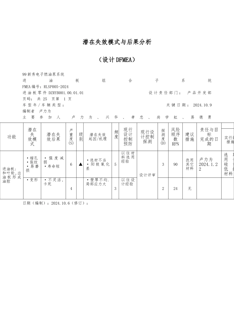
潜在失效模式与后果分析(设计 DFMEA)99 新秀电子燃油泵系统 进油板组合子系统 FMEA 编号:RLSP005-2024 进 油 板 零 件 DZRYB001.00.01.01 设 计 责 任 部 门 : 产 品 开 发 部 页码: 共 25 页第 1 页车 型 年 / 车 辆 类 型 : 关 键 日 期 : 2024.10.9 编制者 卢力为主要参加人 卢力为、兴华、孝忠、尚学虹、易德勇 日期(编制):2024.10.6(修订):功能潜在失效模式潜在失效后果严重度(S)级别潜在失效起因/机理频度现行设计控制预防现行设计控制探测探测度(D)风险顺序数RPN建议措施责任与目标完成的日期实行的措施进油板:和叶轮,出油 板 形 成油腔·缩孔·裂纹·易磨损· 强 度 减弱·寿命短6▲·选材不当· 阳 极 氧 化差5以 往 材料 选 用经验设计评审390改用其它材料卢力为2024.1.22选取用含硅量低的材料·变形·不灵活,卡死4·壁厚不均.局部应力大3以 往 设计经验224无潜在失效模式与后果分析(设计 DFMEA)99 新秀电子燃油泵系统 进油板组合子系统 FMEA 编号:RLSP005-2024 销 钉 零 件 DZRYB001.00.01.02 设 计 责 任 部 门 : 产 品 开 发 部 页码:共 25 页第 2 页车 型 年 / 车 辆 类 型 : 关 键 日 期 : 2024.10.9 编制者 卢力为主要参加人 卢力为、兴华、孝忠、尚学虹、易德勇 日期(编制):2024. 10.6(修订):功能潜在失效模式潜在失效后果严重度(S)级别潜在失效起因/机理频度现行设计控制预防现行设计控制探测探测度(D)风险顺序数RPN建议措施责任与目标完成的日期措 施 结 果实行的措施定位,脱落产品失效5选 用 的 公 差配合不当3类 似 产品 的 设计经验设计评审230无易磨损产 品 寿 命缩短5设 计 的 热 处理硬度太低3参 考 样件 的 表面硬度230无潜在失效模式与后果分析(设计 DFMEA)99 新秀电子燃油泵系统 外壳装配子系统 FMEA 编号:RLSP005-2024 叶 轮 零 件 DZRYB001.00.02.01 设 计 责 任 部 门 : 产 品 开 发 部 页码:共 25 页第 3 页车 型 年 / 车 辆 类 型 : 关 键 日 期 : 2024.10.6 编制者 卢力为主要参加人 卢力为、兴华、孝忠、尚学虹、易德勇 日期(编制):2024. 10.6(修订):功能潜在失效模式潜在失效后果严重度(S)级别潜在失效起因/机理频度现行设计控制预防现行设计控制探测探测度(D)风险顺序数RPN建议...

1、当您付费下载文档后,您只拥有了使用权限,并不意味着购买了版权,文档只能用于自身使用,不得用于其他商业用途(如 [转卖]进行直接盈利或[编辑后售卖]进行间接盈利)。
2、本站所有内容均由合作方或网友上传,本站不对文档的完整性、权威性及其观点立场正确性做任何保证或承诺!文档内容仅供研究参考,付费前请自行鉴别。
3、如文档内容存在违规,或者侵犯商业秘密、侵犯著作权等,请点击“违规举报”。

碎片内容

潜在失效模式与效果分析报告

确认删除?
VIP
微信客服
  • 扫码咨询
会员Q群
  • 会员专属群点击这里加入QQ群
客服邮箱
回到顶部