电脑桌面
添加小米粒文库到电脑桌面
安装后可以在桌面快捷访问

碗扣式楼板模板支撑架计算书

碗扣式楼板模板支撑架计算书_第1页
1/10
碗扣式楼板模板支撑架计算书_第2页
2/10
碗扣式楼板模板支撑架计算书_第3页
3/10
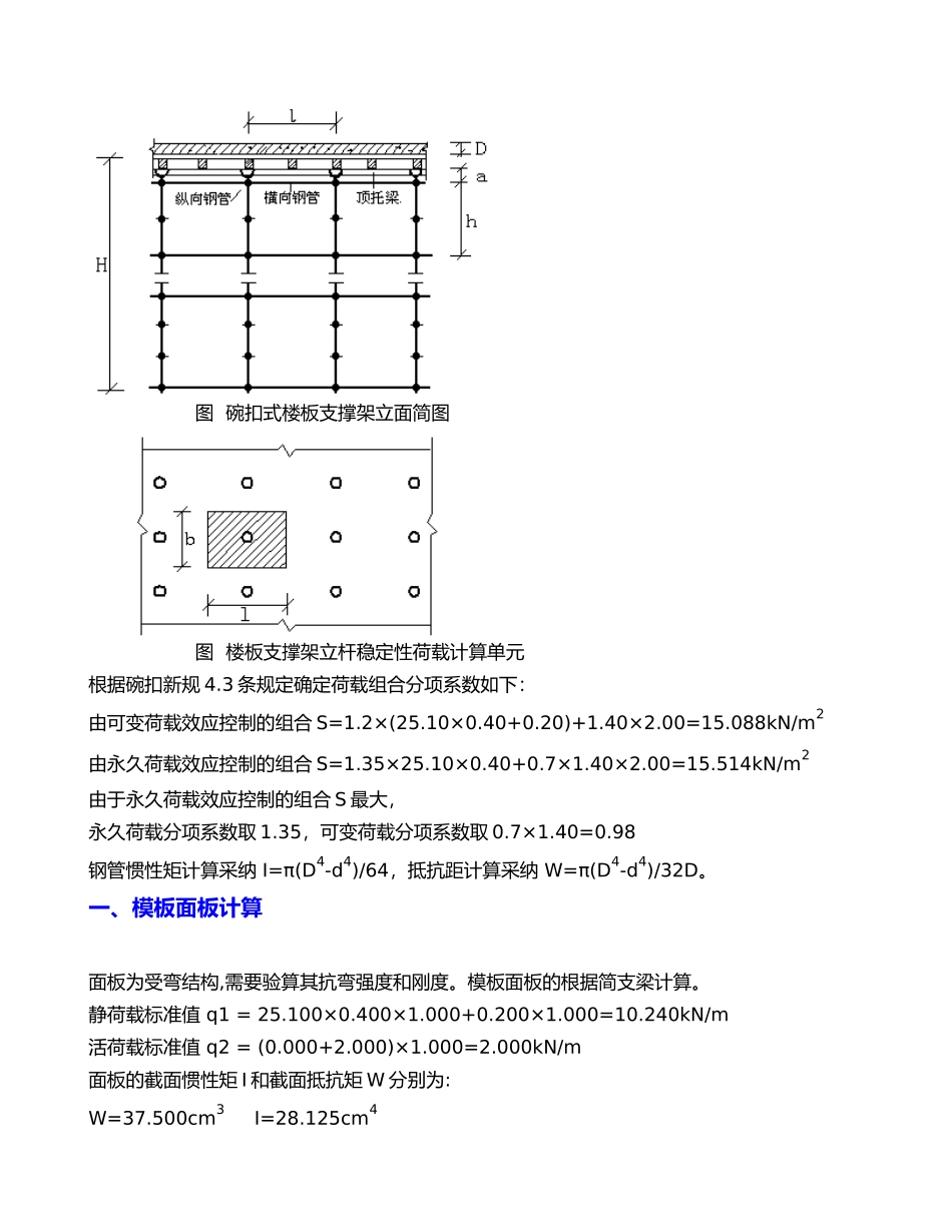
碗扣式楼板模板支撑架计算书依据规:《建筑施工脚手架安全技术统一标准》GB51210-2024《建筑施工碗扣式钢管脚手架安全技术规》JGJ166-2024《建筑施工模板安全技术规》JGJ 162-2024《建筑结构荷载规》GB50009-2024《钢结构设计规》GB50017-2024《混凝土结构设计规》GB50010-2024《建筑地基基础设计规》GB50007-2024《建筑施工扣件式钢管脚手架安全技术规》JGJ130-2024计算参数:碗扣式支架立杆钢管强度为 205.00N/mm2,水平杆钢管强度为 205.00 N/mm2,钢管强度折减系数取 1.00。架体结构重要性系数取 1.00。模板支架搭设高度为 6.0m, 立杆的纵距 b=0.90m ,立杆的横距 l=0.90m ,脚手架步距 h=1.20m。立杆钢管类型选择:LG-A-120(Φ48.3×3.5×1200);横向水平杆钢管类型选择:SPG-90(Φ48.3×3.5×900);纵向水平杆钢管类型选择:SPG-90(Φ48.3×3.5×900);面板厚度 15mm,剪切强度 1.4N/mm2,抗弯强度 15.0N/mm2,弹性模量 6000.0N/mm2。龙骨采纳方钢管 40.×40.×3.mm,间距 300mm,顶托梁采纳方钢管 40.×60.×3.mm。模板自重 0.20kN/m2,混凝土钢筋自重 25.10kN/m3。振捣混凝土荷载标准值 0.00kN/m2,施工均布荷载标准值 2.00kN/m2。地基承载力标准值 170kN/m2,基础底面扩展面积 0.250m2,地基承载力调整系数 0.40。 图 碗扣式楼板支撑架立面简图 图 楼板支撑架立杆稳定性荷载计算单元根据碗扣新规 4.3 条规定确定荷载组合分项系数如下:由可变荷载效应控制的组合 S=1.2×(25.10×0.40+0.20)+1.40×2.00=15.088kN/m2由永久荷载效应控制的组合 S=1.35×25.10×0.40+0.7×1.40×2.00=15.514kN/m2由于永久荷载效应控制的组合 S 最大,永久荷载分项系数取 1.35,可变荷载分项系数取 0.7×1.40=0.98 钢管惯性矩计算采纳 I=π(D4-d4)/64 ,抵抗距计算采纳 W=π(D4-d4)/32D。一、模板面板计算面板为受弯结构,需要验算其抗弯强度和刚度。模板面板的根据简支梁计算。 静荷载标准值 q1 = 25.100×0.400×1.000+0.200×1.000=10.240kN/m 活荷载标准值 q2 = (0.000+2.000)×1.000=2.000kN/m面板的截面惯性矩 I 和截面抵抗矩 W 分别为:W=37.500cm3 I=28.125cm4(1)抗弯强度计算 f = γ0M / W < [f] 其中 f —— 面板的抗弯强度计算值(N/mm2); M —— 面板的最大弯距(N.mm); W —— 面板的净截面抵抗矩; [f] —— 面板的抗弯强度设计值,取 15.00N/mm2; M = 0.125ql2 其...

1、当您付费下载文档后,您只拥有了使用权限,并不意味着购买了版权,文档只能用于自身使用,不得用于其他商业用途(如 [转卖]进行直接盈利或[编辑后售卖]进行间接盈利)。
2、本站所有内容均由合作方或网友上传,本站不对文档的完整性、权威性及其观点立场正确性做任何保证或承诺!文档内容仅供研究参考,付费前请自行鉴别。
3、如文档内容存在违规,或者侵犯商业秘密、侵犯著作权等,请点击“违规举报”。

碎片内容

碗扣式楼板模板支撑架计算书

确认删除?
VIP
微信客服
  • 扫码咨询
会员Q群
  • 会员专属群点击这里加入QQ群
客服邮箱
回到顶部