电脑桌面
添加小米粒文库到电脑桌面
安装后可以在桌面快捷访问

飞机维护手册AMM手册查询

飞机维护手册AMM手册查询_第1页
1/11
飞机维护手册AMM手册查询_第2页
2/11
飞机维护手册AMM手册查询_第3页
3/11
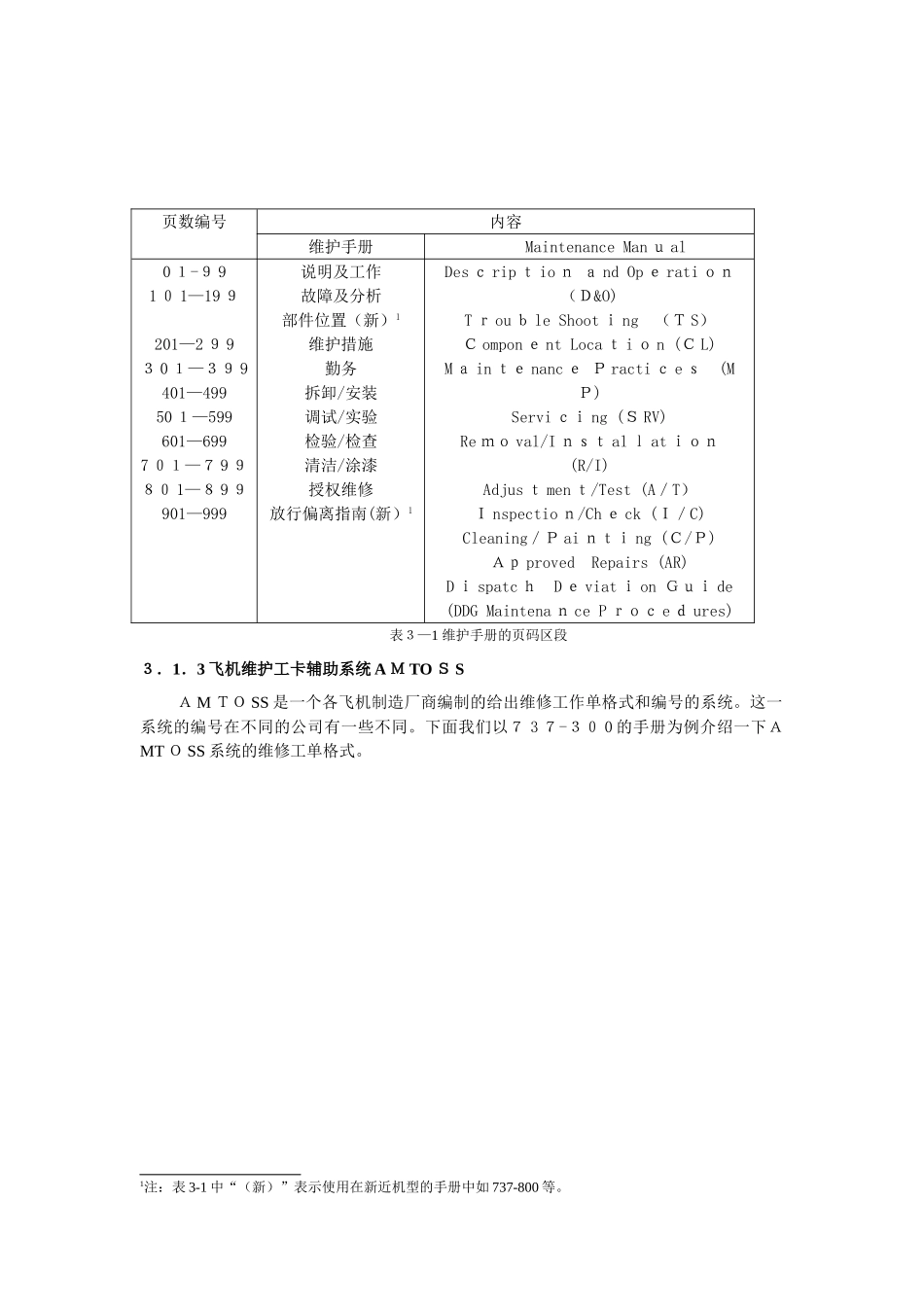
飞机维护手册第一节 维护手册的概述和结构3.1.1 维护手册的概述飞机维护手册是外场维护中使用最频繁的一本手册,是飞机工作人员的工作指南,这本手册的内容丰富、充实、多样。而且,在维修文件历史的传承中,出现了很多维护手册内容的分支,在不同时代出现了不同内容的维护手册,新旧不同版本的维护手册的内容也不尽相同。最新版本(波音737—600/700/800/900飞机)的维护手册在工作的分类上,将通用性、原理性的信息另成一册称为系统描述部分(Systems Description Section, SDS),继承了原来(波音737—300/400/500飞机)在01—99页部分的概述内容,由于这部分内容不涉及工作内容,波音公司可以免责其中的错误.而原有的第五章定时性检修的数据,都写在维修计划数据MPD中,这部分不再写在AMM中,现在第五章的内容只包含非定时性的维修检查。而原来停场封存数据专门成册的出版物,现在写在AMM手册11章中.本书的第二章第一节简要介绍了 AMM 手册,AMM 手册实际上是工作程序的集合,针对航线可更换件 L RU进行的维护步骤和程序的集合。它是由飞机制造厂商发布的,依据各种组件、系统、APU、发动机的供货商提供的数据和制造厂商的技术数据综合编写而成,手册基本上都是严格根据 A TA l00 格式进行编排的,所以,掌握 ATA 1 00 内容对手册的查阅是非常重要的。下面以波音 73 7-300 飞机为例介绍 AMM 手册。学会查阅 AMM 的工作步骤,是机务维护人员的必修课程,是以维护手册为标准进行施工的必要前提。3.1.2维护手册 AMM 的结构维护手册的结构图已经出现在第二章第三节的内容中,维修手册依据A T Al 00 的章节形式“**—-**—-**"进行划分。除此之外维护手册根据自身的性质,根据工作的不同内容,将页码分成不同的区段.从表 3—1 中不难看出,页码的第一位是功能位,代表该页码段的工作内容和性质。而后面两位是顺序的页码,表明的是每页的排序,由于A M M手册的基本单位是页,因此页码对 A M M 手册的查询是一个关键点。需特别指出的是,新的手册(波音 7 3 7—600/7 00/800/900 飞机)中,将飞机系统和组件的故障查找和故障隔离,另外编写了两本手册分别为故障隔离手册F I M(空客公司称为故障查找手册 T SM)、故障报告手册 F R M,故障隔离手册用于对故障的分析、隔离和排除,故障报告手册是故障发生时,如何使用故障代码等形式进行报告。这部分内容原载于AMM 手册 2...

1、当您付费下载文档后,您只拥有了使用权限,并不意味着购买了版权,文档只能用于自身使用,不得用于其他商业用途(如 [转卖]进行直接盈利或[编辑后售卖]进行间接盈利)。
2、本站所有内容均由合作方或网友上传,本站不对文档的完整性、权威性及其观点立场正确性做任何保证或承诺!文档内容仅供研究参考,付费前请自行鉴别。
3、如文档内容存在违规,或者侵犯商业秘密、侵犯著作权等,请点击“违规举报”。

碎片内容

飞机维护手册AMM手册查询

办公文档专营+ 关注
实名认证
内容提供者

大量办公文档,欢迎选择

确认删除?
VIP
微信客服
  • 扫码咨询
会员Q群
  • 会员专属群点击这里加入QQ群
客服邮箱
回到顶部