电脑桌面
添加小米粒文库到电脑桌面
安装后可以在桌面快捷访问

高速铁路桥涵工程施工质量验收标准---副本

高速铁路桥涵工程施工质量验收标准---副本_第1页
1/2
高速铁路桥涵工程施工质量验收标准---副本_第2页
2/2
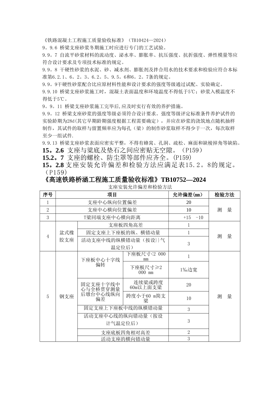
根据最新下发的施工质量验收标准,我部将简支梁架设法律规范摘录出来,便于各部门学习:《高速铁路桥涵工程施工质量验收标准》TB10752—2024第一章 架桥机架设预应力混凝土简支箱梁1、架 梁8。4.1 梁体规格和质量应符合设计要求。(P63) 8。4。2 梁体存放和运输支点位置应符合设计要求。且支点应位于同一平面上,箱梁同一端支点相对高差不得大于 2mm。架设时吊点位置应符合设计要求。(P64)8.4.2 预制箱梁架设落梁应采纳支点反力控制,支承垫石顶面与支座底面间隙灌浆硬化前,每个支点反力与四个支点反力的平均值之差不得超过±5%。支座砂浆强度达到 20MPa,千斤顶撤出后方可通过运架设备.(P64)8。4.4 预制箱梁架设后的相邻梁跨梁端桥面之间、梁端桥面与相邻桥台胸墙顶面之间的相对高差不得大于 10mm。预制箱梁桥面高程不得高于设计高程,也不得低于设计高程 20mm。(P64)8.4。5 预制箱梁支承垫石顶面与支座底面间的砂浆厚度不得小于20mm,也不得大于 30mm。(P64)8.4.6 梁体架设后应梁体稳固,梁缝均匀,梁体无损伤.(P64)2、支 座15。1。1 支座安装前应检查桥梁跨度、支承垫石尺寸和高程、预留锚栓孔位置和尺寸等。支承垫石和锚栓孔应清理洁净,做到无泥土、无浮沙、无积水、无冰雪和油污等杂物,并对支承垫石顶面进行凿毛处理。(P158)15。1.2 预制箱梁架设完成后应保证每个支座反力与四个支座反力的平均值相差不超过±5%。(P158)15.1。3 支座防尘罩应及时安装,并应做到严实、牢固、栓钉齐全,防尘罩开启不应与防落梁装置或梁端限位装置相抵触。(P158)15。2 支 座 安 装15.2。1 支座品种、规格、质量和调商量等应符合设计要求和相关标准的规定。(P158)15。2.2 支座的安装位置及方向应符合设计要求。同一座桥梁上固定支座和纵向活动支座应安装在梁的同一侧,横向活动支座与多向活动支座应安装在梁的另一侧。(P158)15。2。3 固定支座上下座板应互相对正,活动支座上下座板横向应对正,纵向预偏量应根据支座安装施工温度与设计安装温度之差和梁体混凝土未完成收缩、徐变量及弹性压缩量计算确定,并在各施工阶段进行调整,当体系转换全部完成时梁体支座中心应符合设计要求。(P159)15。2。4 支座锚栓应拧紧,其埋置深度和外露长度应符合设计要求.(P159)15。2。5 支座砂浆的类别和质量应符合设计要求,其施工及检验应符合铁道部现行《铁路混凝土工程施工质量验收标准》(TB10424-2024)第9.9.6条~第9。9.13条的规...

1、当您付费下载文档后,您只拥有了使用权限,并不意味着购买了版权,文档只能用于自身使用,不得用于其他商业用途(如 [转卖]进行直接盈利或[编辑后售卖]进行间接盈利)。
2、本站所有内容均由合作方或网友上传,本站不对文档的完整性、权威性及其观点立场正确性做任何保证或承诺!文档内容仅供研究参考,付费前请自行鉴别。
3、如文档内容存在违规,或者侵犯商业秘密、侵犯著作权等,请点击“违规举报”。

碎片内容

高速铁路桥涵工程施工质量验收标准---副本

确认删除?
VIP
微信客服
  • 扫码咨询
会员Q群
  • 会员专属群点击这里加入QQ群
客服邮箱
回到顶部