电脑桌面
添加小米粒文库到电脑桌面
安装后可以在桌面快捷访问

《工业品买卖合同》[示范文本]

《工业品买卖合同》[示范文本]_第1页
1/3
《工业品买卖合同》[示范文本]_第2页
2/3
《工业品买卖合同》[示范文本]_第3页
3/3
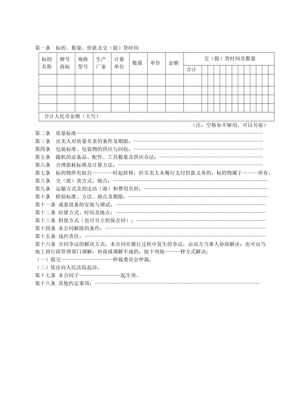
GF-2000-0101工业品买卖合同[示范文本]出卖人:________________________________买受人:________________________________合同编号:______________________________签定地点:_______________________________签订时间:______________________________第一条 标的、数量、价款及交(提)货时间标的名称牌号商标规格型号生产厂家计量单位数量单价金额交(提)货时间及数量合计合计人民币金额(大写) (注:空格如不够用,可以另接)第二条 质量标准————————————————————————————————————第三条 出卖人对质量负责的条件及期限:—————————————————————————第四条 包装标准、包装物的供应与回收:—————————————————————————第五条 随机的必备品、配件、工具数量及供应办法:————————————————————第六条 合理损耗标准及计算方法:————————————————————————————第七条 标的物所有权自————时起转移,但买卖人未履行支付价款义务的,标的物属于———所有。第八条 交(提)货方式、地点:——————————————————————————————第九条 运输方式及到达站(港)和费用负担:————————————————————————第十条 检验标准、方法、地点及期限:———————————————————————————第十一条 成套设备的安装与调试:—————————————————————————————第十二条 结算方式、时间及地点:—————————————————————————————第十三条 担保方式(也可另立担保合同):—————————————————————————第十四条 本合同解除的条件:———————————————————————————————第十五条 违约责任:———————————————————————————————————第十六条 合同争议的解决方式:本合同在履行过程中发生的争议,由双方当事人协商解决;也可由当地工商行政管理部门调解;协商或调解不成的,按下列地———种方式解决;(一)提交——————————仲裁委员会仲裁;(二)依法向人民法院起诉。第十七条 本合同子————————起生效。第十八条 其他约定事项:—————————————————————...

1、当您付费下载文档后,您只拥有了使用权限,并不意味着购买了版权,文档只能用于自身使用,不得用于其他商业用途(如 [转卖]进行直接盈利或[编辑后售卖]进行间接盈利)。
2、本站所有内容均由合作方或网友上传,本站不对文档的完整性、权威性及其观点立场正确性做任何保证或承诺!文档内容仅供研究参考,付费前请自行鉴别。
3、如文档内容存在违规,或者侵犯商业秘密、侵犯著作权等,请点击“违规举报”。

碎片内容

《工业品买卖合同》[示范文本]

文章天下+ 关注
实名认证
内容提供者

各种文档应有尽有

确认删除?
VIP
微信客服
  • 扫码咨询
会员Q群
  • 会员专属群点击这里加入QQ群
客服邮箱
回到顶部