电脑桌面
添加小米粒文库到电脑桌面
安装后可以在桌面快捷访问

二级斜齿圆柱齿轮减速器中间轴设计和实现 机械设计制造及自动化专业

二级斜齿圆柱齿轮减速器中间轴设计和实现 机械设计制造及自动化专业_第1页
1/10
二级斜齿圆柱齿轮减速器中间轴设计和实现 机械设计制造及自动化专业_第2页
2/10
二级斜齿圆柱齿轮减速器中间轴设计和实现 机械设计制造及自动化专业_第3页
3/10
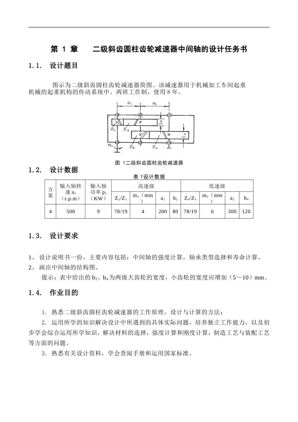
目录第 1 章二级斜齿圆柱齿轮减速器高速级齿轮传动的设计任务书..........................................11.1.设计题目..............................................................................................................................11.3.设计要求..............................................................................................................................11.4.作业目的..............................................................................................................................1第 2 章二级斜齿圆柱齿轮减速器高速级齿轮传动的设计与计算..........................................22.1.选择齿轮材料、热处理方式和精度等级.......................................................................22.2.初步计算传动主要尺寸....................................................................................................32.3.确定传动尺寸.........................................................................................................................42.4.校核齿根弯曲疲劳强度....................................................................................................52.5.计算齿轮传动其他几何尺寸............................................................................................6设计小结...................................................................................................................................................7参考文献...................................................................................................................................................8i第 1 章 二级斜齿圆柱齿轮减速器中间轴的设计任务书1.1.设计题目图示为二级斜齿圆柱齿轮减速器简图。该减速器用于机械加工车间起重机械的起重机构的传动系统中。两班工作制,使用 8 年。图 1二级斜齿圆柱齿轮减速器1.2.设计数据表 1设计数据方案输入轴转速 n1(r.p.m)输入轴功率 p1(KW)高速级低速级Z2/Z1mn(mm)a1b2Z4/Z3mn(mm)a2b44500978/1942008078/1963001201.3.设计要求1、 设计说明书一份,主要内容包括:中间轴的强度计算,轴承类型选择和寿命计算。2、...

1、当您付费下载文档后,您只拥有了使用权限,并不意味着购买了版权,文档只能用于自身使用,不得用于其他商业用途(如 [转卖]进行直接盈利或[编辑后售卖]进行间接盈利)。
2、本站所有内容均由合作方或网友上传,本站不对文档的完整性、权威性及其观点立场正确性做任何保证或承诺!文档内容仅供研究参考,付费前请自行鉴别。
3、如文档内容存在违规,或者侵犯商业秘密、侵犯著作权等,请点击“违规举报”。

碎片内容

二级斜齿圆柱齿轮减速器中间轴设计和实现 机械设计制造及自动化专业

您可能关注的文档

确认删除?
VIP
微信客服
  • 扫码咨询
会员Q群
  • 会员专属群点击这里加入QQ群
客服邮箱
回到顶部