电脑桌面
添加小米粒文库到电脑桌面
安装后可以在桌面快捷访问

专家推荐批准的检测检验业务范围

专家推荐批准的检测检验业务范围_第1页
1/14
专家推荐批准的检测检验业务范围_第2页
2/14
专家推荐批准的检测检验业务范围_第3页
3/14
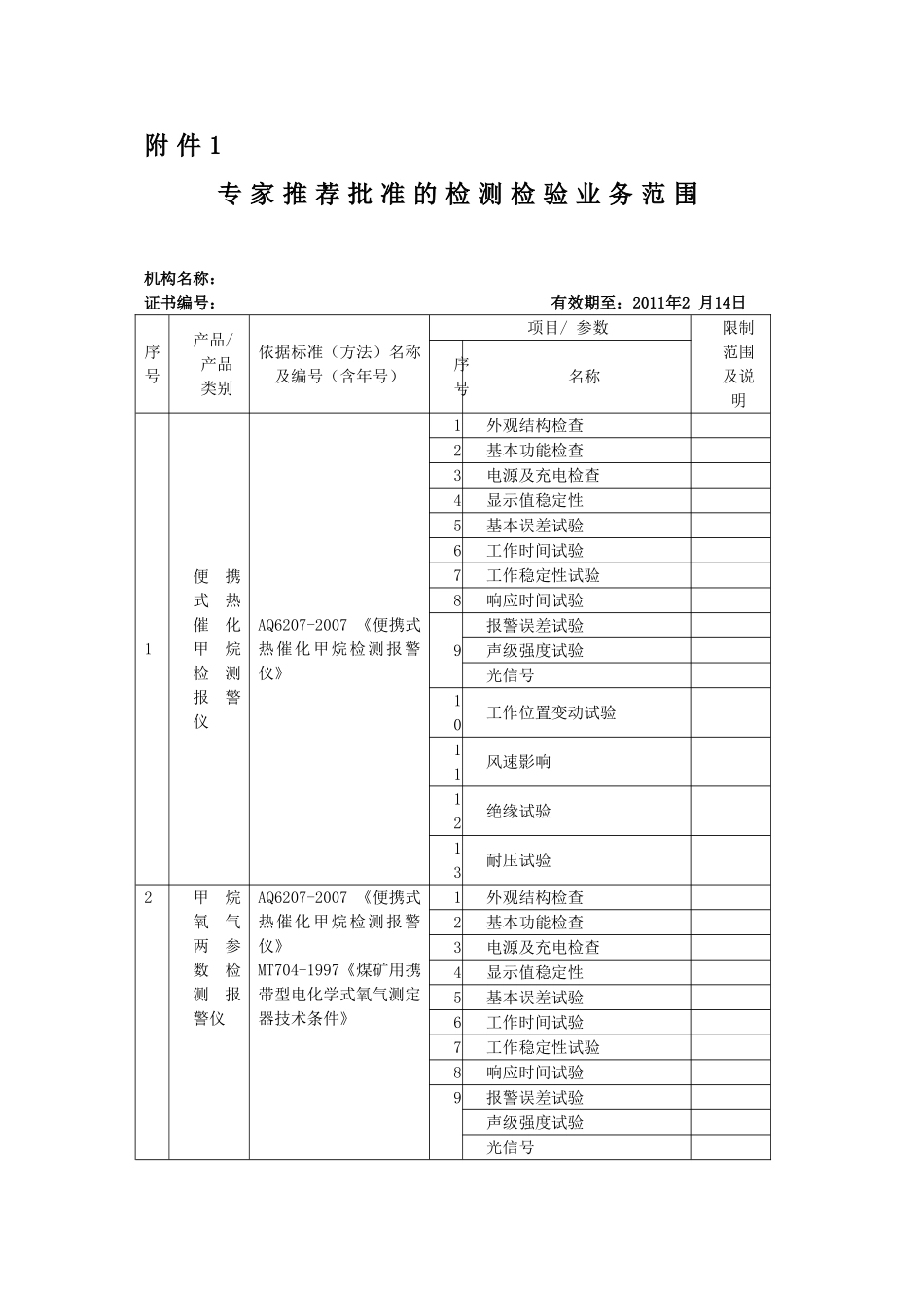
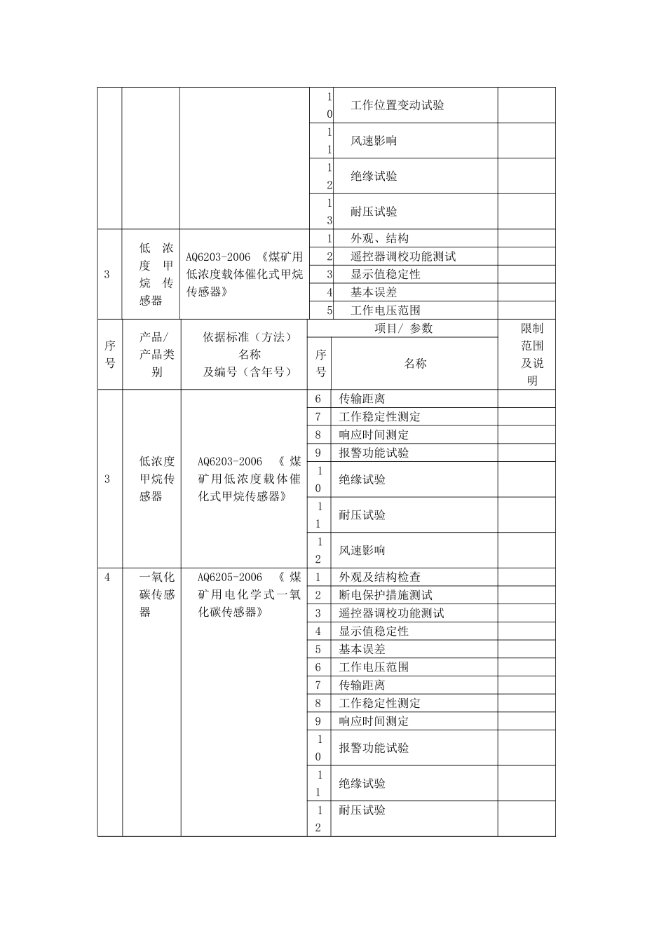
附 件 1专 家 推 荐 批 准 的 检 测 检 验 业 务 范 围机构名称:证书编号: 有效期至:2011年2 月14日序号产品/产品类别依据标准(方法)名称及编号(含年号)项目/ 参数限制范围及说明序号名称1便携式热催化甲烷检测报警仪AQ6207-2007 《便携式热催化甲烷检测报警仪》1外观结构检查2基本功能检查3电源及充电检查4显示值稳定性5基本误差试验6工作时间试验7工作稳定性试验8响应时间试验9报警误差试验声级强度试验光信号10工作位置变动试验11风速影响12绝缘试验13耐压试验2甲烷氧气两参数检测报警仪AQ6207-2007 《便携式热催化甲烷检测报警仪》MT704-1997《煤矿用携带型电化学式氧气测定器技术条件》1外观结构检查2基本功能检查3电源及充电检查4显示值稳定性5基本误差试验6工作时间试验7工作稳定性试验8响应时间试验9报警误差试验声级强度试验光信号10工作位置变动试验11风速影响12绝缘试验13耐压试验3低浓度甲烷传感器AQ6203-2006 《煤矿用低浓度载体催化式甲烷传感器》1外观、结构2遥控器调校功能测试3显示值稳定性4基本误差5工作电压范围序号产品/产品类别依据标准(方法)名称及编号(含年号)项目/ 参数限制范围及说明序号名称3低浓度甲烷传感器AQ6203-2006《 煤矿用低浓度载体催化式甲烷传感器》6传输距离7工作稳定性测定8响应时间测定9报警功能试验10绝缘试验11耐压试验12风速影响4一氧化碳传感器AQ6205-2006《 煤矿用电化学式一氧化碳传感器》1外观及结构检查2断电保护措施测试3遥控器调校功能测试4显示值稳定性5基本误差6工作电压范围7传输距离8工作稳定性测定9响应时间测定10报警功能试验11绝缘试验12耐压试验13风速影响5固定式甲烷断电仪AQ6208-2007《 煤矿用固定式甲烷断电仪》1主机外观及结构检查2显示功能3报警功能4闭锁功能5人工解锁功能6自动解锁功能7备用电源功能试验8最大传输距离试验9电源波动适应性试验10工作稳定性试验11备用电源性能试验12信号处理误差13绝缘电阻14工频耐压6光干涉式甲烷测定器MT28-2005 《 光 干涉式甲烷测定器》1外观检查2干涉条纹检查3基本误差4稳定性试验5气密性试验6扩散性试验7自由跌落试验序号产品/产品类别依据标准(方法)名称及编号(含年号)项目/ 参数限制范围及说明序号名称7移动式甲烷断电仪MT282-1994 ( 2005 ) 《 煤矿用移动式甲烷断电 仪 通 用 技 术 条件》1甲烷浓度、电源、报警、断电、故障显示功能检查2报警功能试验3闭锁和人工解锁功能试...

1、当您付费下载文档后,您只拥有了使用权限,并不意味着购买了版权,文档只能用于自身使用,不得用于其他商业用途(如 [转卖]进行直接盈利或[编辑后售卖]进行间接盈利)。
2、本站所有内容均由合作方或网友上传,本站不对文档的完整性、权威性及其观点立场正确性做任何保证或承诺!文档内容仅供研究参考,付费前请自行鉴别。
3、如文档内容存在违规,或者侵犯商业秘密、侵犯著作权等,请点击“违规举报”。

碎片内容

专家推荐批准的检测检验业务范围

文章天下+ 关注
实名认证
内容提供者

各种文档应有尽有

确认删除?
VIP
微信客服
  • 扫码咨询
会员Q群
  • 会员专属群点击这里加入QQ群
客服邮箱
回到顶部