电脑桌面
添加小米粒文库到电脑桌面
安装后可以在桌面快捷访问

制冷课设20113989VIP专享VIP免费

制冷课设20113989_第1页
1/28
制冷课设20113989_第2页
2/28
制冷课设20113989_第3页
3/28
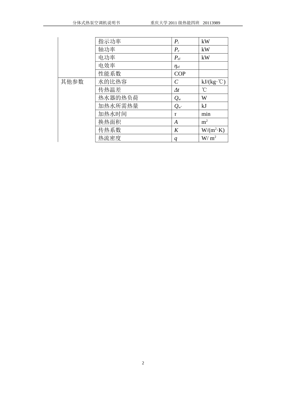
目录1符号说明2任务说明3设计工况4设计内容4.1负荷计算4.2方案确定与工作控制原理4.3热力计算(夏季制冷)4.3.1制冷量4.3.2消耗的功率4.3.3放出热量4.4系统选型、设计4.4.1压缩机选择4.4.2蒸发器设计4.4.3冷凝器选型4.4.4节流阀选择4.4.5管道选择4.4.6其他设备的选择4.4.7其他阀门选择4.5冬季供热校核计算5参考文献6附录分体式热泵空调机说明书重庆大学2011级热能四班201139891符号说明表1-1列出改设计说明书中常用的参数符号说明,其他符号将在计算过程中进行说明。表1-1常用符号说明应用场合参数名称符号单位蒸发器要求制冷量Q0rW制冷量(蒸发器热负荷)Q0W单位质量制冷量q0kJ/kg蒸发温度t0℃冷凝器要求制热量QkrW制热量(冷凝器热负荷)QkW单位质量制热量qkkJ/kg冷凝温度tk℃热力循环图蒸发温度下饱和气相温度t1℃蒸发温度下饱和气相比焓h1kJ/kg蒸发器出口温度t1'℃蒸发器出口比焓h1’kJ/kg压缩机吸气口温度t1"℃压缩机吸气口比焓h1"kJ/kg压缩机吸气口比体积v1”m3/kg压缩机排气口温度t2℃压缩机排气口比焓h2kJ/kg压缩机排气口比体积v2m3/kg冷凝温度下饱和液相温度t3℃冷凝温度下饱和液相比焓h3kJ/kg冷凝器出口温度t4℃冷凝器出口比焓h4kJ/kg蒸发器进口温度t5℃蒸发器进口比焓h5kJ/kg制冷剂理论质量流量qmtkg/s制冷剂实际质量流量qmakg/s制冷剂理论体积流量qvtm3/s制冷剂实际体积流量qvam3/s容积系数ηv压力比ε压缩机功率理论比功wtkJ/kg理论功率PtkW1分体式热泵空调机说明书重庆大学2011级热能四班20113989指示功率PikW轴功率PekW电功率PelkW电效率ηel性能系数COP其他参数水的比热容CkJ/(kg·℃)传热温差Δt℃热水器的热负荷QwW加热水所需热量Qw’kJ加热水时间τmin换热面积Am2传热系数KW/(m2·K)热流密度qW/m22分体式热泵空调机说明书重庆大学2011级热能四班201139892任务说明本次制冷技术与低温原理的课程设计,要求设计一款“分体式热泵空调机”即具有夏季制冷、制热两种功能的空调机。要求能在一定的负荷条件、不同的工况条件下,实现不同的功能。3设计工况根据任务说明以及设计要求,所要设计的空调需在两种工况情况下运行,工况说明如下:(1)夏季单独制冷(以下简称“夏季单冷”)要求在夏季,作为类似普通家用制冷空调,完成一定制冷负荷的制冷功能此时室内的换热器即为蒸发器,室外的换热器即为冷凝器;室内为热源,室外为热汇。(2)冬季单独供暖(以下简称“冬季制热”)要求在冬天,与普通家用空调相同,空调作为热泵制热供暖,室内换热器为冷凝器,室外换热器为蒸发器;室内为热汇,室外为热源。根据上述讨论,并考虑到气象参数、自来水冬夏温度等因素,选定两种不同工作方式时的标准工况(空冷冷凝器名义工况、蒸发器名义工况、热泵工况)如(表3-1)所示。表3-1两种工作方式的标准工况空冷冷凝器名义工况迎面风速2.5m/s空气侧干球温度35.0℃入口温度湿球温度24.0℃入口过热蒸汽温度95.0℃制冷机侧入口压力对应的过冷温度54.4℃过冷度5.0℃3分体式热泵空调机说明书重庆大学2011级热能四班20113989蒸发器的名义工况迎面风速2.0m/s空气侧干球温度27.0℃入口温度湿球温度19.5℃膨胀阀前过冷液温度46.1℃制冷机侧出口压力对应蒸发温度7.2℃出口温度15.0℃热泵工况实验室内干球温度20℃室外干球温度7℃湿球温度6℃蒸发温度2℃吸气温度12℃冷凝温度35℃液体温度25℃4设计内容4.1负荷计算根据制冷设计说明书,则需要的制冷量Q0为Q0=2950W4.2方案确定工作控制原理根据所需制冷量Q0=2950W,并考虑到应用于家庭的空调,故采用窗式分体式空调。根据常见的家庭空调机,本次设计使用的室外换热器、室内换热器均为强制通风、空气对流换热式热交换器,这种类型的换热器换热效果良好,为非水冷换4分体式热泵空调机说明书重庆大学2011级热能四班20113989热器,受环境制约小,且制作工艺成熟,广泛应用与一般小型制冷设备。但该种换热器需要风机的加入来完成强制通风,增加了电耗。制冷剂采用R410A,该种制冷剂较为广泛的应用与小型空调装置中,与润滑油有一定的溶解能力,且性能良好,适用于本次设计。根据以上对制冷设备、制冷剂的选择,制定如附录所示的制冷装置循环图及蒸发...

1、当您付费下载文档后,您只拥有了使用权限,并不意味着购买了版权,文档只能用于自身使用,不得用于其他商业用途(如 [转卖]进行直接盈利或[编辑后售卖]进行间接盈利)。
2、本站所有内容均由合作方或网友上传,本站不对文档的完整性、权威性及其观点立场正确性做任何保证或承诺!文档内容仅供研究参考,付费前请自行鉴别。
3、如文档内容存在违规,或者侵犯商业秘密、侵犯著作权等,请点击“违规举报”。

碎片内容

制冷课设20113989

确认删除?
VIP
微信客服
  • 扫码咨询
会员Q群
  • 会员专属群点击这里加入QQ群
客服邮箱
回到顶部