电脑桌面
添加小米粒文库到电脑桌面
安装后可以在桌面快捷访问

混凝土结构课程设计(单层厂房)—单跨21

混凝土结构课程设计(单层厂房)—单跨21_第1页
1/8
混凝土结构课程设计(单层厂房)—单跨21_第2页
2/8
混凝土结构课程设计(单层厂房)—单跨21_第3页
3/8
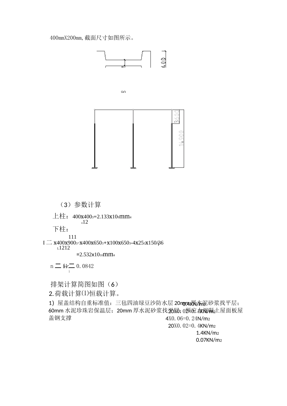
单层工业厂房课程设计一、工程名称二、设计资料某单层单跨钢筋混凝土装配车间跨度 21 米,长 72 米,柱距 6 米;① 建筑地点:杭州市境内② 车间所在场地,地坪下 0.7 米内为杂填土,填土下层 3 米内为亚粘土,地基容许承载力标准值 f=200kN/m2,地下水位-1.5 米,该地区历年最大冻深为 0.5 米,地下水及土质无腐蚀性。基本风压 W=0.45kN/m2,基0本雪压 S 二 0.45kN/m2。屋面活荷载为 0.5kN/m2。0三、结构构件选型及柱截面尺寸确定因该厂房跨度为 21m,在 15〜36m 之间,且柱顶标高大于 8m,故采用钢筋混凝土排架结构。为了使屋盖具有较大刚度,选用预应力混凝土折线屋架及预应力混凝土屋面板。选用钢筋混凝土吊车梁及基础梁。厂房各主要构件选型见下表:主要承重构件选型表构件名称标准图集选用型号重力荷载标准值屋面板G410(—)1.5mx6m 预应力混凝土屋面板YWB-2II1.4KN/m2天沟板G410(三)1.5mx6m 预应力混凝土屋面板(卷材防水天沟板)TGB68—11.91KN/m2屋架G415(三)预应力混凝土折线形屋架(跨度 21m)YWJA—21—2Ad92.9KN/榀0.05KN/m2吊车梁G323(二)钢筋混凝土吊车梁(吊车工作级别为 A1~A5)DL--940.8KN/根轨道连接G325(二)吊车轨道联结详图0.80KN/m基础梁G320钢筋混凝土基础梁JL--1813.1KN/根OC.6xt.&g*1X/辿g9Q'K/图⑵一厂房剖面图iC.0四、排架的荷载计算1.排架计算简图的确定⑴确定柱高。牛腿标高=7.2m柱顶标高=10.5m吊车梁顶标高二吊车梁高+牛腿标高=1.2+7.2=8.4m轨顶标高二吊车梁顶标高+轨道构造高度=8.4+0.2=8.6m上柱高叫二柱顶标高--牛腿标高=10.5-7.2=3.3m全柱高 H 二柱顶标高一基顶标高=10.5-(-0.5)=11m下柱高 Hi=H--Hu=11-3.3=7.7m,入=Hu/H=3.3/11=0.3(2)初步拟订柱尺寸 U根据表一的参考尺寸,取上柱 bXh=400mmX400mm,下柱 bXhXh=900mmXfRxxF500i).000~7~-(局程:叫长度:1比0.4KN/m220X0.02=0.4KN/m24X0.06=0.24N/m220X0.02=0.4KN/m21.4KN/m20.07KN/m2400mmX200mm,截面尺寸如图所示。(3)参数计算上柱:400x4003=2.133x109mm4u12下柱:111I 二 x400x9003-x400x6503+x100x6503-4x253x150/36L1212=2.532x1010mm4n 二 iu二 0.0842i排架计算简图如图(6)2.荷载计算⑴恒载计算。1)屋盖结构自重标准值:三毡四油绿豆沙防水层 20mm 厚水泥砂浆找平层;60mm 水泥珍珠岩保温层;20mm 厚水泥砂浆找平层;预应力混凝土屋面板屋盖钢支撑9020天沟板屋架自重G12.91x6xT+11.46+92.9二gk=2.91KN...

1、当您付费下载文档后,您只拥有了使用权限,并不意味着购买了版权,文档只能用于自身使用,不得用于其他商业用途(如 [转卖]进行直接盈利或[编辑后售卖]进行间接盈利)。
2、本站所有内容均由合作方或网友上传,本站不对文档的完整性、权威性及其观点立场正确性做任何保证或承诺!文档内容仅供研究参考,付费前请自行鉴别。
3、如文档内容存在违规,或者侵犯商业秘密、侵犯著作权等,请点击“违规举报”。

碎片内容

混凝土结构课程设计(单层厂房)—单跨21

您可能关注的文档

确认删除?
VIP
微信客服
  • 扫码咨询
会员Q群
  • 会员专属群点击这里加入QQ群
客服邮箱
回到顶部