电脑桌面
添加小米粒文库到电脑桌面
安装后可以在桌面快捷访问

阶梯轴机械加工工序卡片

阶梯轴机械加工工序卡片_第1页
1/3
阶梯轴机械加工工序卡片_第2页
2/3
阶梯轴机械加工工序卡片_第3页
3/3
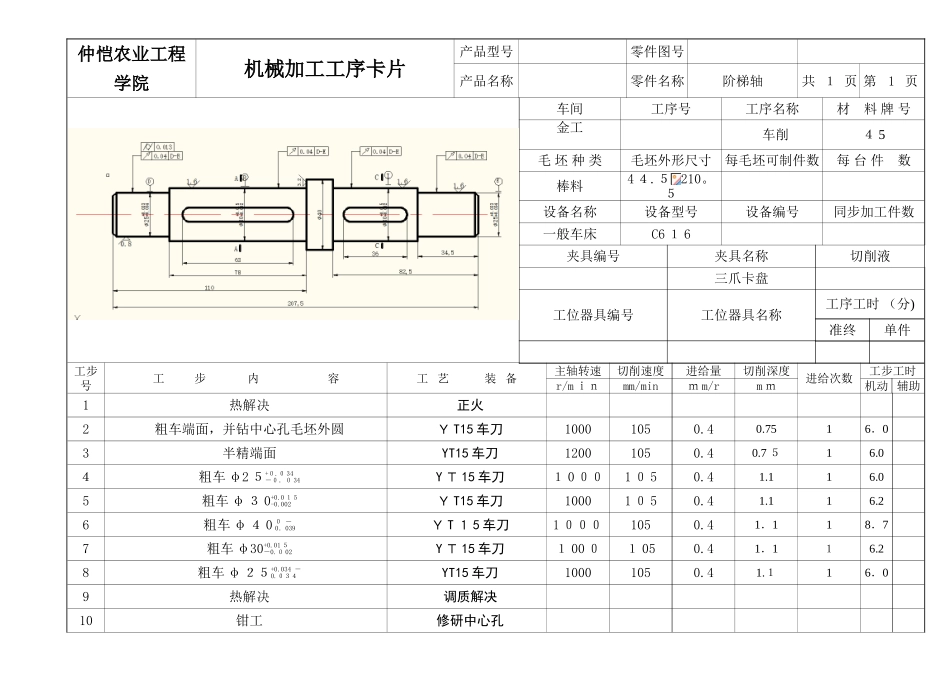
仲恺农业工程学院机械加工工序卡片产品型号零件图号产品名称零件名称阶梯轴共 1 页 第1 页车间工序号工序名称材 料 牌 号金工车削4 5毛 坯 种 类毛坯外形尺寸每毛坯可制件数每 台 件 数棒料4 4.5 210。5设备名称设备型号设备编号同步加工件数一般车床C6 1 6夹具编号夹具名称切削液三爪卡盘工位器具编号工位器具名称工序工时 (分)准终单件工步号工 步 内 容工 艺 装 备主轴转速切削速度进给量切削深度进给次数工步工时r/m inmm/minm m/rm m机动 辅助1热解决正火2粗车端面,并钻中心孔毛坯外圆Y T15 车刀10001050.40.7516.03半精端面YT15 车刀12001050.40.7 516.04粗车 φ2 5+0.0 34 -0.0 34Y T 15 车刀1 0 001 0 50.41.116.05粗车 φ 3 0+0.0 1 5 -0.002Y T15 车刀10001 0 50.41.116.26粗车 φ 4 00 -0.039Y T 1 5 车刀1 0001050.41.118.77粗车 φ30+0.01 5 -0.0 02Y T 15 车刀1 00 01 050.41.116.28粗车 φ 25+0.034 -0.034YT15 车刀10001050.41.116.09热解决调质解决10钳工修研中心孔1 1半精车 φ25+0.03 4 -0.034YT15 车刀1 20 01300.30.32516.012半精车 φ 3 0+0.015 -0.0 0 2YT1 5车刀12001300.30.6516.213半精车 φ400 -0.039Y T15 车刀1 20 013 0.0.30.3 2518.71 4半精车 φ 3 0+0.015 -0.0 02YT 15车刀1 2 001300.30.6 516.215半精车 φ 2 5+0.034 -0.03 4YT 15车刀12 001 3 00.30.3 2 516.01 6精车 φ2 5+0.034 -0.0 3 4Y T3 0 车刀14 0015 00.20.32516.017精车 φ3 0+0.015 -0.0 0 2YT30 车刀14 001500.20.2516.21 8精车 φ 4 00 -0.039Y T30 车刀1 40 01500.20.3 2518.719精车 φ 3 0+0.0 1 5 -0.00 2Y T 3 0 车刀1 4001500.20.2516.22 0精车 φ 25+0.034 -0.0 3 4YT 3 0 车刀1 4001 500.20.3 2516.0纵向进给量 mm/m in径向进给量mm/mi n背吃刀量mm/m i n切削深度 mm21粗键槽削平柄键槽铣刀471 431.522半精车键槽削平柄键槽铣刀47140.50.2523清除所有毛刺2 4按零件图样规定全面检查 设 计(日 期) 校 对 ( 日期) 审 核(日期) 原则化(日期) 会 签(日期)19 96月 1 日标记 处数 更改文献号 签 字 日 期标记 处数 更改文献号 签 字 日 期

1、当您付费下载文档后,您只拥有了使用权限,并不意味着购买了版权,文档只能用于自身使用,不得用于其他商业用途(如 [转卖]进行直接盈利或[编辑后售卖]进行间接盈利)。
2、本站所有内容均由合作方或网友上传,本站不对文档的完整性、权威性及其观点立场正确性做任何保证或承诺!文档内容仅供研究参考,付费前请自行鉴别。
3、如文档内容存在违规,或者侵犯商业秘密、侵犯著作权等,请点击“违规举报”。

碎片内容

阶梯轴机械加工工序卡片

您可能关注的文档

确认删除?
VIP
微信客服
  • 扫码咨询
会员Q群
  • 会员专属群点击这里加入QQ群
客服邮箱
回到顶部