电脑桌面
添加小米粒文库到电脑桌面
安装后可以在桌面快捷访问

基础分坑及开挖检查记录表(线记2)

基础分坑及开挖检查记录表(线记2)_第1页
1/44
基础分坑及开挖检查记录表(线记2)_第2页
2/44
基础分坑及开挖检查记录表(线记2)_第3页
3/44
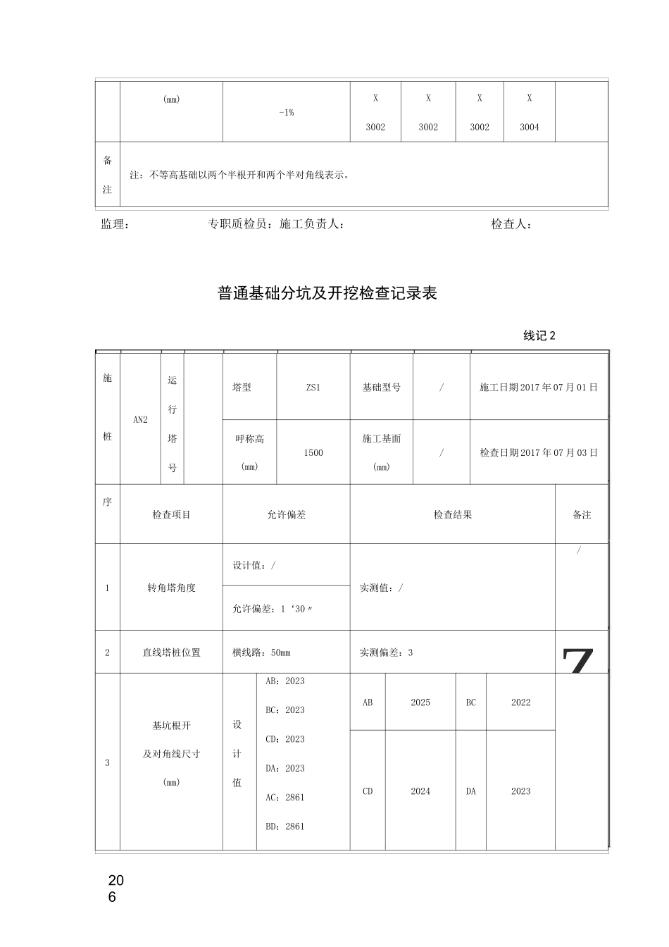
205普通基础分坑及开挖检查记录表206(mm)-1%X3002X3002X3002X3004备注注:不等高基础以两个半根开和两个半对角线表示。监理:专职质检员:施工负责人:检查人:普通基础分坑及开挖检查记录表线记 2施桩AN2运行塔号塔型ZS1基础型号/施工日期 2017 年 07 月 01 日呼称高(mm)1500施工基面(mm)/检查日期 2017 年 07 月 03 日序检查项目允许偏差检查结果备注1转角塔角度设计值:/实测值://允许偏差:1‘30〃2直线塔桩位置横线路:50mm实测偏差:3Z3基坑根开及对角线尺寸(mm)设计值AB:2023BC:2023CD:2023DA:2023AC:2861BD:2861AB2025BC2022CD2024DA2023监理:专职质检员:施工负责人:检查人:207±%AC2860BD28604基础坑深设计值:2200ABCD /(mm)+100,-502205220522032209基础坑底断面尺寸设计值:1400X14001404140214051403 /5XXXX(mm)-1%1403140414061402 /备注:不等高基础以两个半根开和两个半对角线表示。注普通基础分坑及开挖检查记录表线记 2监理:专职质检员:施工负责人:检查人:208普通基础分坑及开挖检查记录表线记 2施工桩号AN4运行塔号塔型ZS1基础型号/施工日期 2017 年 07 月 02 日呼称高(mm)1500施工基面(mm)/检查日期 2017 年 07 月 04 日209序检查项目允许偏差检查结果备注转角塔角度设计值:/实测值//1:允许偏差:1‘30〃/2直线塔桩位置横线路:50mm实测偏差:4ZAB:2023AB2025BC2023设BC:2023CD:2023/基坑根开计/DA:20233及对角线尺寸值CD2023DA20231AC:2861(mm)BD:28611±%AC2860BD28604基础坑深设计值:2200ABCD /(mm)+100,-502207220622092205 /基础坑底断面尺寸设计值:1400X14001401140014031400 /5XXXX(mm)-1%1400140214001402 /备注:不等高基础以两个半根开和两个半对角线表示。注监理:专职质检员:施工负责人:检查人:普通基础分坑及开挖检查记录表210211备注注:不等高基础以两个半根开和两个半对角线表示。监理:专职质检员:施工负责人:检查人:普通基础分坑及开挖检查记录表线记 2施桩AN6运行塔号塔型JS1呼称高(mm)1200序检查项目允许偏差1转角塔角度设计值:右 12°37’32〃允许偏差:1‘30〃2直线塔桩位置横线路:50mm3基坑根开及对角线尺寸(mm)设计值AB:3016BC:3016CD:3016DA:3016AC:4265BD:4265±%基础型号/施工日期 2017 年 07 月 03 日施工基面(mm)/检查日期 2017 年 07 月 05 日检查结果备注实测值:右 12°37’32〃/实测偏差:/AB3016B...

1、当您付费下载文档后,您只拥有了使用权限,并不意味着购买了版权,文档只能用于自身使用,不得用于其他商业用途(如 [转卖]进行直接盈利或[编辑后售卖]进行间接盈利)。
2、本站所有内容均由合作方或网友上传,本站不对文档的完整性、权威性及其观点立场正确性做任何保证或承诺!文档内容仅供研究参考,付费前请自行鉴别。
3、如文档内容存在违规,或者侵犯商业秘密、侵犯著作权等,请点击“违规举报”。

碎片内容

基础分坑及开挖检查记录表(线记2)

wxg+ 关注
实名认证
内容提供者

该用户很懒,什么也没介绍

确认删除?
VIP
微信客服
  • 扫码咨询
会员Q群
  • 会员专属群点击这里加入QQ群
客服邮箱
回到顶部