电脑桌面
添加小米粒文库到电脑桌面
安装后可以在桌面快捷访问

幕墙工程材料的垂直运输及中转方案

幕墙工程材料的垂直运输及中转方案_第1页
1/7
幕墙工程材料的垂直运输及中转方案_第2页
2/7
幕墙工程材料的垂直运输及中转方案_第3页
3/7
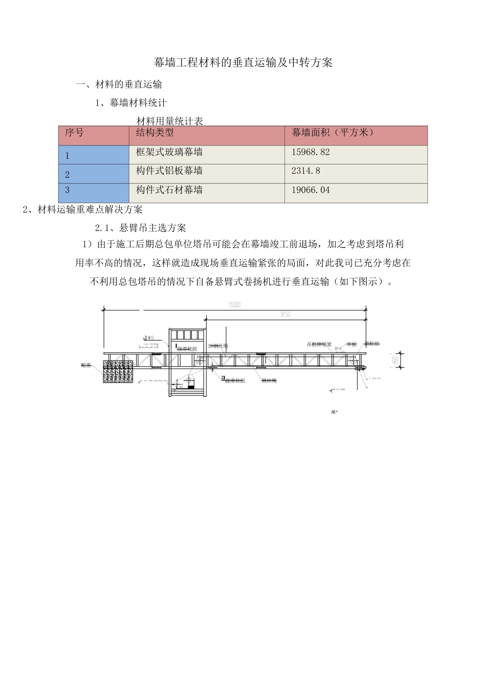
吊^幕墙工程材料的垂直运输及中转方案一、材料的垂直运输1、幕墙材料统计材料用量统计表序号结构类型幕墙面积(平方米)1框架式玻璃幕墙15968.822构件式铝板幕墙2314.83构件式石材幕墙19066.042、材料运输重难点解决方案2.1、悬臂吊主选方案1)由于施工后期总包单位塔吊可能会在幕墙竣工前退场,加之考虑到塔吊利用率不高的情况,这样就造成现场垂直运输紧张的局面,对此我司已充分考虑在不利用总包塔吊的情况下自备悬臂式卷扬机进行垂直运输(如下图示)。机支撑架钢丝绳'电动卷杨机组上 K7I 丄口 rrVr..丄字钢机座止挡块伸缩滑轮组2)建议总包每隔 3 层左右设置一个钢制卸料平台,如不能满足,我司考虑在存放层架设进料钢平台,进料钢平台安 装 位 置 在 板 块 存 放 层 的 层 间 楼 板 上 , 并 与 上 部 结 构 层 进 行 牢 固 拉 结 。 如 下 图 :1)据现场勘查了解该工程总包已在现场设置两台塔吊,主体结构施工期间将在塔楼设置施工电梯(一柱两笼)。幕墙施工期间我司将充分利用总包塔吊及施工电梯进行垂直运输。钢质卸料2.2、塔吊辅助运输现场塔吊布置图片2)针对超大板块及塔楼顶部框架幕墙构件,我司将在塔吊空余时间优先利用总包塔吊进行垂直运输。3)其余的幕墙构件,我司考虑在总包闲时利用总包塔吊闲时进行运输。塔吊的设置,我司建议主体工程在楼层的核心筒处及建筑楼层外。2.3、施工电梯辅助根据总包平面布置图及现场实际情况,了解到总包将在塔楼位置设置 2 台施工电梯。框架式幕墙构件完全可以依靠施工电梯进行运输。施工电梯用于胶、五金件等小宗材料及人员的垂直运输。人货两用施工电梯示意图2.4、自备卷扬机(辅助方案)该工程裙楼建筑高度不大,加之幕墙材料均为构件式零散材料,为此我司将在裙楼楼层内设置可移动卷扬机,利用脚手架预留通道辅助进行材料的垂直运输工作,该移动卷扬机可根据运输位置变化移动后进行固定,并利用楼层内外挑钢架作为受力结构。二、板块的中转及存放1、分析1.1、本工程施工持续时间长,幕墙工程量大,根据我司现场勘察,该工程现场场地较大,现场已具备临时施工道路,材料运输和周转较为便利。1.2、本工程主要为框架式幕墙,板块及材料众多。2、板块运力计算2.1、提升设备参数如下表卷扬机运行速度20m/min一吊次所需时间分配(min)一吊次所需总时间(min)绑扎起钩就位松钩落钩XU自备卷扬机垂直运输示意图^777777777777771^7777?隹篩訣n 云巔;3^777^7...

1、当您付费下载文档后,您只拥有了使用权限,并不意味着购买了版权,文档只能用于自身使用,不得用于其他商业用途(如 [转卖]进行直接盈利或[编辑后售卖]进行间接盈利)。
2、本站所有内容均由合作方或网友上传,本站不对文档的完整性、权威性及其观点立场正确性做任何保证或承诺!文档内容仅供研究参考,付费前请自行鉴别。
3、如文档内容存在违规,或者侵犯商业秘密、侵犯著作权等,请点击“违规举报”。

碎片内容

幕墙工程材料的垂直运输及中转方案

您可能关注的文档

确认删除?
VIP
微信客服
  • 扫码咨询
会员Q群
  • 会员专属群点击这里加入QQ群
客服邮箱
回到顶部