电脑桌面
添加小米粒文库到电脑桌面
安装后可以在桌面快捷访问

气液两相流实验VIP免费

气液两相流实验_第1页
1/16
气液两相流实验_第2页
2/16
气液两相流实验_第3页
3/16
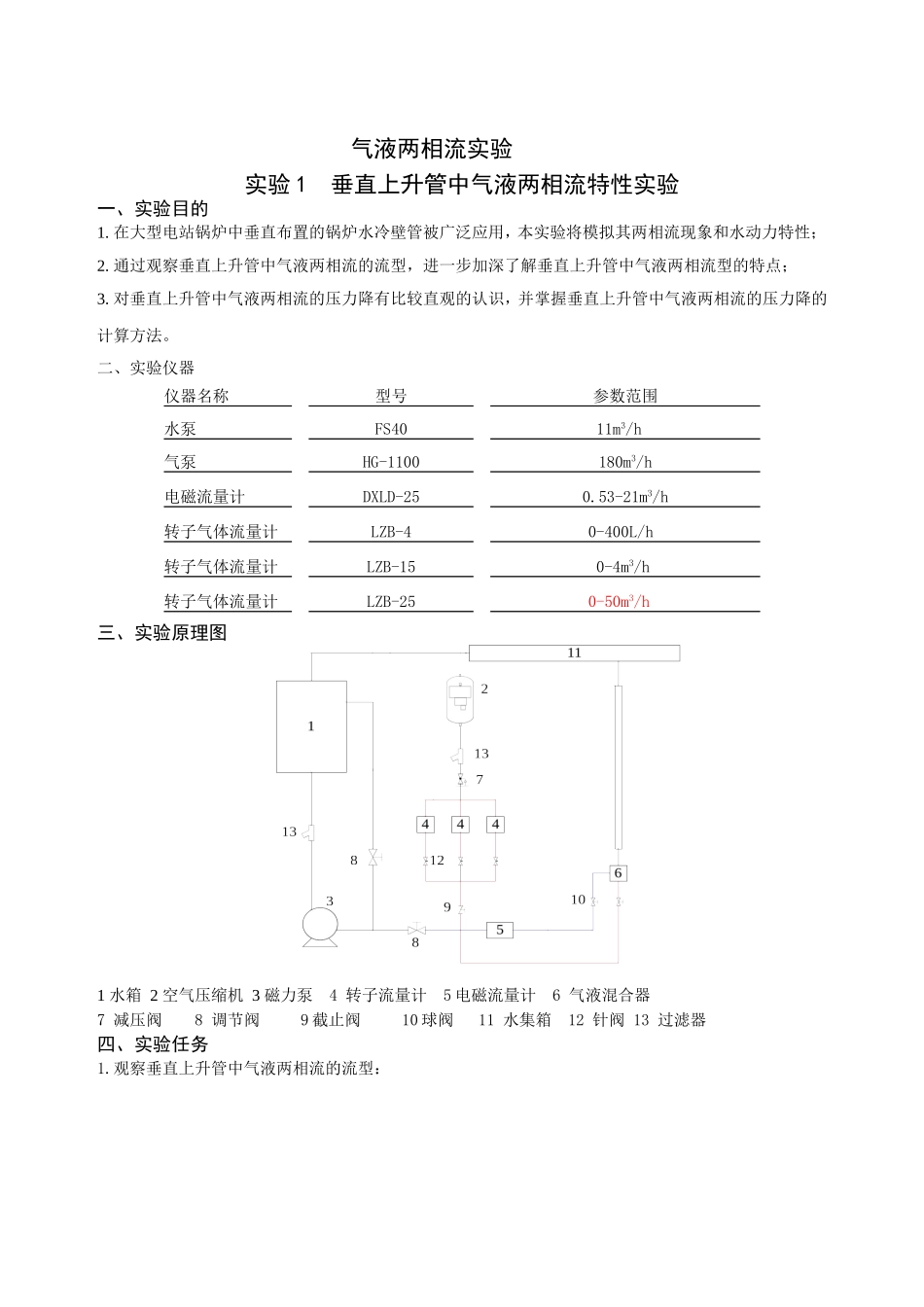
气液两相流实验实验1垂直上升管中气液两相流特性实验一、实验目的1.在大型电站锅炉中垂直布置的锅炉水冷壁管被广泛应用,本实验将模拟其两相流现象和水动力特性;2.通过观察垂直上升管中气液两相流的流型,进一步加深了解垂直上升管中气液两相流型的特点;3.对垂直上升管中气液两相流的压力降有比较直观的认识,并掌握垂直上升管中气液两相流的压力降的计算方法。二、实验仪器仪器名称型号参数范围水泵FS4011m3/h气泵HG-1100180m3/h电磁流量计DXLD-250.53-21m3/h转子气体流量计LZB-40-400L/h转子气体流量计LZB-150-4m3/h转子气体流量计LZB-250-50m3/h三、实验原理图1水箱2空气压缩机3磁力泵4转子流量计5电磁流量计6气液混合器7减压阀8调节阀9截止阀10球阀11水集箱12针阀13过滤器四、实验任务1.观察垂直上升管中气液两相流的流型:(1)打开系统电源,使气体、液体流量计预热2分钟;然后打开采集程序,记下采集程序上显示的气路和水路温度(根据此温度查出水和空气的密度);(2)打开磁力泵,将主路的调节阀开度调小和旁路的调节阀开度调大,同时将垂直上升管实验段水路的球阀开启,使水缓慢地流过实验段,直到取压管内大体上充满水为止;(3)关闭磁力泵和水路的球阀,打开空气压缩机和气路的球阀,将50-500L/min转子流量计一路的针阀开启,调节针阀开度,使转子气体流量计所测得的体积流量保持在300L/min;打开磁力泵,调节主路和旁路的调节阀开度,将主路阀门开度达到最小,旁路阀门开度达到最大。按下表调节气量和水量,观察并记录垂直上升管中气液两相流的流型的变化;水流量(L/min)0.6-1.6(96L/h,LZB-10)0.7-1.4空气(L/min)160-220(13.2m3/h,LZB-25)18-36流型环状流块状流水流量(L/min)0.65-1.53.6-5.6空气(L/min)5-158.6-15.6流型弹状流泡状流(4)实验完毕时,先关闭磁力泵,然后关闭实验段水路的球阀,再关闭气路的球阀,最后关闭空气压缩机同时关闭气路的针阀。2.气液两相流流经垂直上升管的压力降:(1)打开系统电源,使气体、液体流量计预热2分钟;然后打开采集程序,记下采集程序上显示的气路和水路温度(根据此温度查出水和空气的密度);(2)打开磁力泵,将主路的调节阀开度调小和旁路的调节阀开度调大,同时将垂直上升管实验段水路的球阀开启,使水缓慢地流过实验段,直到取压管内大体上充满水为止;(3)关闭磁力泵和水路的球阀,打开空气压缩机和气路的球阀,将50-500L/min转子流量计一路的针阀开启,调节针阀开度,使转子气体流量计所测得的体积流量保持在300L/min;打开磁力泵,调节主路和旁路的调节阀开度,将主路阀门开度达到最小,旁路阀门开度达到最大。按下表调节气量和水量,观察并记录垂直上升管中气液两相流的压力降变化;水流量(L/min)0.6-1.60.7-1.4空气(L/min)160-22018-36流型环状流块状流水流量(L/min)0.65-1.53.6-5.6空气(L/min)5-158.6-15.6流型弹状流泡状流(4)实验完毕时,先关闭磁力泵,然后关闭实验段水路的球阀,再关闭气路的球阀,最后关闭空气压缩机同时关闭气路的针阀。五、实验报告要求1对应实验中转子流量计显示的空气流量和电磁流量计显示的水流量,根据以下公式计算出气相折算速度和液相折算速度:式中——气相折算速度,m/s;——液相折算速度,m/s;——气相体积流量,m3/s;——液相体积流量,m3/s;——管道横截面积,m2;(本实验管子内径为14.5mm)2根据实验中的每一种情况分别计算出的和,对照下图找出所对应的流型,并与实验观察到的流型对比3根据实验中的每一种情况,根据下面的公式分别计算出垂直上升管中气液两相流的压力降,并与实验记录的压力降进行对比——总压力降;——摩擦阻力压力降——重位压力降式中——单相液体摩擦阻力系数,根据Moody图或按相应公式计算;——管子长度,m;(本实验为1m)——管子内径,m;(本实验为14mm)——均匀流动时气液两相流平均密度,Kg/m3——均匀流动时气液两相流平均流速,m/s其中实验2倾斜管中气液两相流特性实验一、实验目的1.在工业锅炉中螺旋管锅炉被广泛应用,本实验将模拟其两相流现象和水动力特性;2.通过观察倾斜管中气液两相流的流型,进一步加深了解倾斜管中气液两相流...

1、当您付费下载文档后,您只拥有了使用权限,并不意味着购买了版权,文档只能用于自身使用,不得用于其他商业用途(如 [转卖]进行直接盈利或[编辑后售卖]进行间接盈利)。
2、本站所有内容均由合作方或网友上传,本站不对文档的完整性、权威性及其观点立场正确性做任何保证或承诺!文档内容仅供研究参考,付费前请自行鉴别。
3、如文档内容存在违规,或者侵犯商业秘密、侵犯著作权等,请点击“违规举报”。

碎片内容

气液两相流实验

文章天下+ 关注
实名认证
内容提供者

各种文档应有尽有

确认删除?
VIP
微信客服
  • 扫码咨询
会员Q群
  • 会员专属群点击这里加入QQ群
客服邮箱
回到顶部