电脑桌面
添加小米粒文库到电脑桌面
安装后可以在桌面快捷访问

110kV输变电工程GIS交流耐压试验作业指导书VIP免费

110kV输变电工程GIS交流耐压试验作业指导书_第1页
1/7
110kV输变电工程GIS交流耐压试验作业指导书_第2页
2/7
110kV输变电工程GIS交流耐压试验作业指导书_第3页
3/7
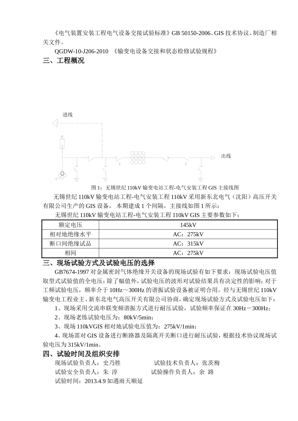
无锡世纪110kV输变电工程变电站电气安装工程GIS交流耐压试验作业指导书无锡世纪110kV输变电-变电站电气安装工程GIS交流耐压试验作业指导书一、适用范围本作业指导书适用于无锡世纪110kV输变电站工程-电气安装工程110kV部分GIS交流耐压试验。二、引用文件IEC60517-19《Gas-insulatedmetal-enclosedswitchgearforratedvoltagesof72,5kVandabove》GB7674-1997《72.5kV及以上气体绝缘金属封闭开关设备》GB311.1-1997《高压输变电设备的绝缘配合》GB311.2-7-1997《高电压试验技术》DL/T618-1997《气体绝缘金属封闭开关设备现场交接试验规程》《电气装置安装工程电气设备交接试验标准》GB50150-2006、GIS技术协议、制造厂相关文件。QGDW-10-J206-2010《输变电设备交接和状态检修试验规程》三、工程概况图1:无锡世纪110kV输变电站工程-电气安装工程GIS主接线图无锡世纪110kV输变电站工程-电气安装工程110kV采用新东北电气(沈阳)高压开关有限公司生产的GIS设备,本期建成1个间隔,主接线如图1所示:无锡世纪110kV输变电站工程-电气安装工程110kVGIS主要参数如下:额定电压145kV相对地绝缘水平AC:275kV断口间绝缘试品AC:315kV相间AC:275kV三、现场试验方式及试验电压的选择GB7674-1997对金属密封气体绝缘开关设备的现场试验有如下要求:现场试验电压值取型式试验值的全电压;除了幅值外,试验电压的波形对试验结果具有决定性的影响;对于工频试验电压,频率介于10Hz~300Hz的谐振试验设备被证明合用。经与无锡世纪110kV输变电工程业主、新东北电气高压开关有限公司协商,确定现场试验方式及试验电压如下:1、现场采用交流串联变频谐振方式进行耐压试验,试验频率保证在30Hz-300Hz;2、现场老练试验电压为:80kV/5min;3、现场110kVGIS相对地试验电压值为:275kV/1min;4、现场需对GIS设备进行断路器及隔离开关断口进行耐压试验,根据技术协议现场试验电压为315kV/1min。四、试验时间及组织安排现场试验负责人:史乃胜试验技术负责人:张茨梅试验安全负责人:朱淳试验操作负责人:余路试验时间:2013.4.9如遇雨天顺延进线出线五、试验原理及试验接线图变频谐振耐压原理接线图如图2所示:图2:交流变频谐振耐压试验原理图图中:f——变频器T1——激磁变压器F——氧化锌避雷器L1·····Ln——谐振电抗器C1·····Cn——电容分压器高压臂C2——电容分压器低压臂Cx1·····Cxn——被试品六、试验前应具备条件1、GIS安装完成,各气室充气到额定压力,并要求密封试验和气体微水等试验合格;2、已完成GIS常规项目的试验,且合格;3、所有开关、接地开关及隔离开关均可电动操作,且信号指示正确。4、所有接地铜排均已复归到位;5、所有电流互感器的二次绕组均已短路并接地;6、GIS各套管引线与GIS本体脱开,确保安全距离不小于3m,并应接地;7、现场提供可靠的试验电源,其容量不小于50kVA,空气开关额定电流不小于100A,现场试验电源采用3×35mm2电缆作为进线;8、请无锡世纪110kV输变电工程业主、江苏兴力建设监理咨询有限公司110kV世纪输变电工程项目监理部、新东北电气高压开关有限公司现场服务人员三方到现场见证。七、110kVGIS交流耐压试验方案1、GIS本体及电压互感器、及避雷器净化试验1.1按下图摆放各开关、刀闸位置:出线进线!#主变#母线焦楼12#主变#母线焦楼21.2设定过压保护为试验电压的1.1倍,空试设备;1.3电压由主变出线套管注入,分别对A、B、C相施加80kV试验电压,非被试相应可靠接地,升压过程中匀速,试验频率45-65Hz;1.4升压到80kV后,持续5min,在此过程中对电压互感器进行高电压下的核相及电压变比校核,并在次过程中测量避雷器的和阻性电流、全电流,如试验正常,持续时间到后,均匀降压为零。2、GIS本体老练及耐压试验2.1按下图摆放各开关、刀闸位置:2.2设定过压保护为试验电压的1.1倍,空试设备;2.3电压由主变出线套管注入,对A相施加80kV试验电压,非被试相应可靠接地,持续5min后升压至145kV试验电压,持续3min,然后匀速升压到275kV,持续1min后均匀降压为零。以相同的步骤对B、C相进行耐压。3、GIS断口耐压试验3.1.1按下图摆放各开关、刀闸位置:(...

1、当您付费下载文档后,您只拥有了使用权限,并不意味着购买了版权,文档只能用于自身使用,不得用于其他商业用途(如 [转卖]进行直接盈利或[编辑后售卖]进行间接盈利)。
2、本站所有内容均由合作方或网友上传,本站不对文档的完整性、权威性及其观点立场正确性做任何保证或承诺!文档内容仅供研究参考,付费前请自行鉴别。
3、如文档内容存在违规,或者侵犯商业秘密、侵犯著作权等,请点击“违规举报”。

碎片内容

110kV输变电工程GIS交流耐压试验作业指导书

您可能关注的文档

确认删除?
VIP
微信客服
  • 扫码咨询
会员Q群
  • 会员专属群点击这里加入QQ群
客服邮箱
回到顶部