电脑桌面
添加小米粒文库到电脑桌面
安装后可以在桌面快捷访问

羽绒羽毛标准VIP专享VIP免费

羽绒羽毛标准_第1页
1/4
羽绒羽毛标准_第2页
2/4
羽绒羽毛标准_第3页
3/4
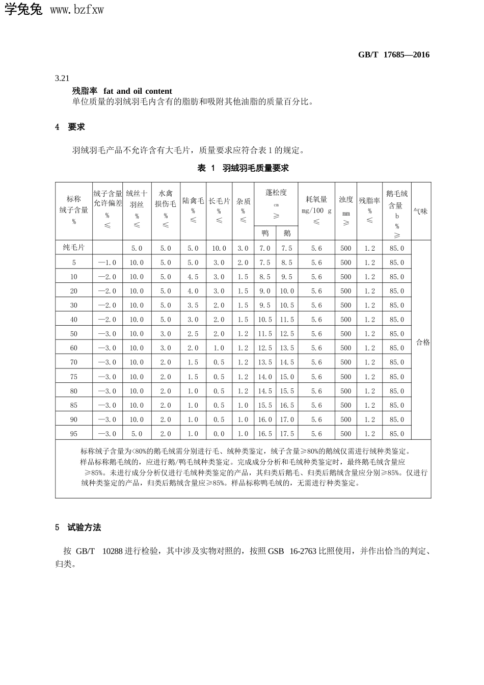
GB/T17685—2016羽绒羽毛1范围本标准规定了羽绒羽毛的术语和定义、要求、试验方法、判定规则、标志、包装、运输和贮存。本标准适用于羽绒羽毛的生产、加工和贸易。2规范性引用文件下列文件对于本文件的应用是必不可少的。凡是注日期的引用文件,仅注日期的版本适用于本文件。凡是不注日期的引用文件,其最新版本(包括所有的修改单)适用于本文件。GB/T10288羽绒羽毛检验方法GSB16-2763羽绒羽毛标准样照3术语和定义下列术语和定义适用于本文件。3.1羽毛绒downandfeather生长在水禽类动物身上的羽绒和羽毛的统称其中标称值为“绒子含量”大于或等于50%的称为“羽绒”,标称值为“绒子含量”小于50%的称为“羽笔”。常见种类有鹅毛绒和鸭毛绒。3.2绒子down包括朵绒、未成熟绒、类似绒、损伤绒。3.3绒子含量downcontent羽绒羽毛中绒子所占的质量百分比。3.4朵绒downcluster一个绒核放射出许多绒丝并形成朵状者。3.5未成熟绒nestlingdown未长全的绒,呈伞状。3.6类似绒plumule毛型带茎,其茎细而较柔软,梢端呈丝状而零乱。3.7损伤绒damageddown从一个绒核放射出两根及以上绒丝者。1GB/T17685—20163.8绒丝downfiber从绒子或毛片根部脱落下来的单根绒丝。3.9毛片feather生长在鹅、鸭全身的羽毛,两端对折而不断。3.10长毛片longfeather长度大于或等于7cm的鸭毛片或大于或等于8cm的鹅毛片,或纯毛片中超过约定长度的鸭毛片或鹅毛片。3.11未成熟毛nestlingfeather全根毛有三分之二以上形成毛片状、下半部带有血管的毛。3.12羽丝featherfiber从毛片羽面上脱落下来的单根羽枝。3.13大毛片quillfeather长度大于或等于12cm或羽根长度大于或等于1.2cm的毛片。3.14异色毛绒coloreddownandfeather白鹅、白鸭毛绒中的有色毛绒。3.15损伤毛damagedfeather虫蛀、霉烂以及加工时机械损伤的毛片。包括折断毛和损伤面积超过总面积的三分之一以上的毛片。3.16陆禽毛landfowlfeather以陆地为栖息习性的禽类的羽毛。常见种类有鸡、鸽、鸵鸟类。3.17杂质residue灰沙、粉尘、皮屑、小血管及其他外来异物。3.18蓬松度fillingpower在一定直径的容器内,一定量的羽绒羽毛样品在规定的压力下所占的体积。3.19耗氧量oxygennumber羽绒羽毛样品经振荡过滤后,其滤出液中还原性物质在氧化过程中消耗高锰酸钾中氧的量,以100g试样所对应的mg数表示。3.20浊度turbidity羽毛绒样品的水洗过滤液用浊度计测量所得的测量值,表示羽绒羽毛清洁的程度。2学兔兔www.bzfxwGB/T17685—20163.21残脂率fatandoilcontent单位质量的羽绒羽毛内含有的脂肪和吸附其他油脂的质量百分比。4要求羽绒羽毛产品不允许含有大毛片,质量要求应符合表1的规定。表1羽绒羽毛质量要求标称绒子含量%绒子含量允许偏差%≤绒丝十羽丝%≤水禽损伤毛%≤陆禽毛%≤长毛片%≤杂质%≤蓬松度cm≥耗氧量mg/100g≤浊度mm≥残脂率%≤鹅毛绒含量b%≥气味鸭鹅纯毛片5.05.05.010.03.07.07.55.65001.285.0合格5—1.010.05.05.03.02.07.58.55.65001.285.010—2.010.05.04.53.01.58.59.55.65001.285.020—2.010.05.04.03.01.59.010.05.65001.285.030—2.010.05.03.52.01.59.510.55.65001.285.040—2.010.05.03.02.01.510.511.55.65001.285.050—3.010.03.02.52.01.211.512.55.65001.285.060—3.010.03.02.01.01.212.513.55.65001.285.070—3.010.02.01.50.51.213.514.55.65001.285.075—3.010.02.01.50.51.214.015.05.65001.285.080—3.010.02.01.00.51.214.515.55.65001.285.085—3.010.02.01.00.51.015.516.55.65001.285.090—3.010.02.01.00.51.016.017.05.65001.285.095—3.05.02.01.00.01.016.517.55.65001.285.0标称绒子含量为<80%的鹅毛绒需分别进行毛、绒种类鉴定,绒子含量≥80%的鹅绒仅需进行绒种类鉴定。样品标称鹅毛绒的,应进行鹅/鸭毛绒种类鉴定。完成成分分析和毛绒种类鉴定时,最终鹅毛绒含量应≥85%。未进行成分分析仅进行毛绒种类鉴定的产品,其归类后鹅毛、归类后鹅绒含量应分别≥85%。仅进行绒种类鉴定的产品,归类后鹅绒含量应≥85%。样品标称鸭毛绒的,无需进行种类鉴定。5试验方法按GB/T10288进行检验,其中涉及实物对照的,按照GSB16-2763比照使...

1、当您付费下载文档后,您只拥有了使用权限,并不意味着购买了版权,文档只能用于自身使用,不得用于其他商业用途(如 [转卖]进行直接盈利或[编辑后售卖]进行间接盈利)。
2、本站所有内容均由合作方或网友上传,本站不对文档的完整性、权威性及其观点立场正确性做任何保证或承诺!文档内容仅供研究参考,付费前请自行鉴别。
3、如文档内容存在违规,或者侵犯商业秘密、侵犯著作权等,请点击“违规举报”。

碎片内容

羽绒羽毛标准

确认删除?
VIP
微信客服
  • 扫码咨询
会员Q群
  • 会员专属群点击这里加入QQ群
客服邮箱
回到顶部