电脑桌面
添加小米粒文库到电脑桌面
安装后可以在桌面快捷访问

地脚螺栓预埋施工方案

地脚螺栓预埋施工方案_第1页
1/4
地脚螺栓预埋施工方案_第2页
2/4
地脚螺栓预埋施工方案_第3页
3/4
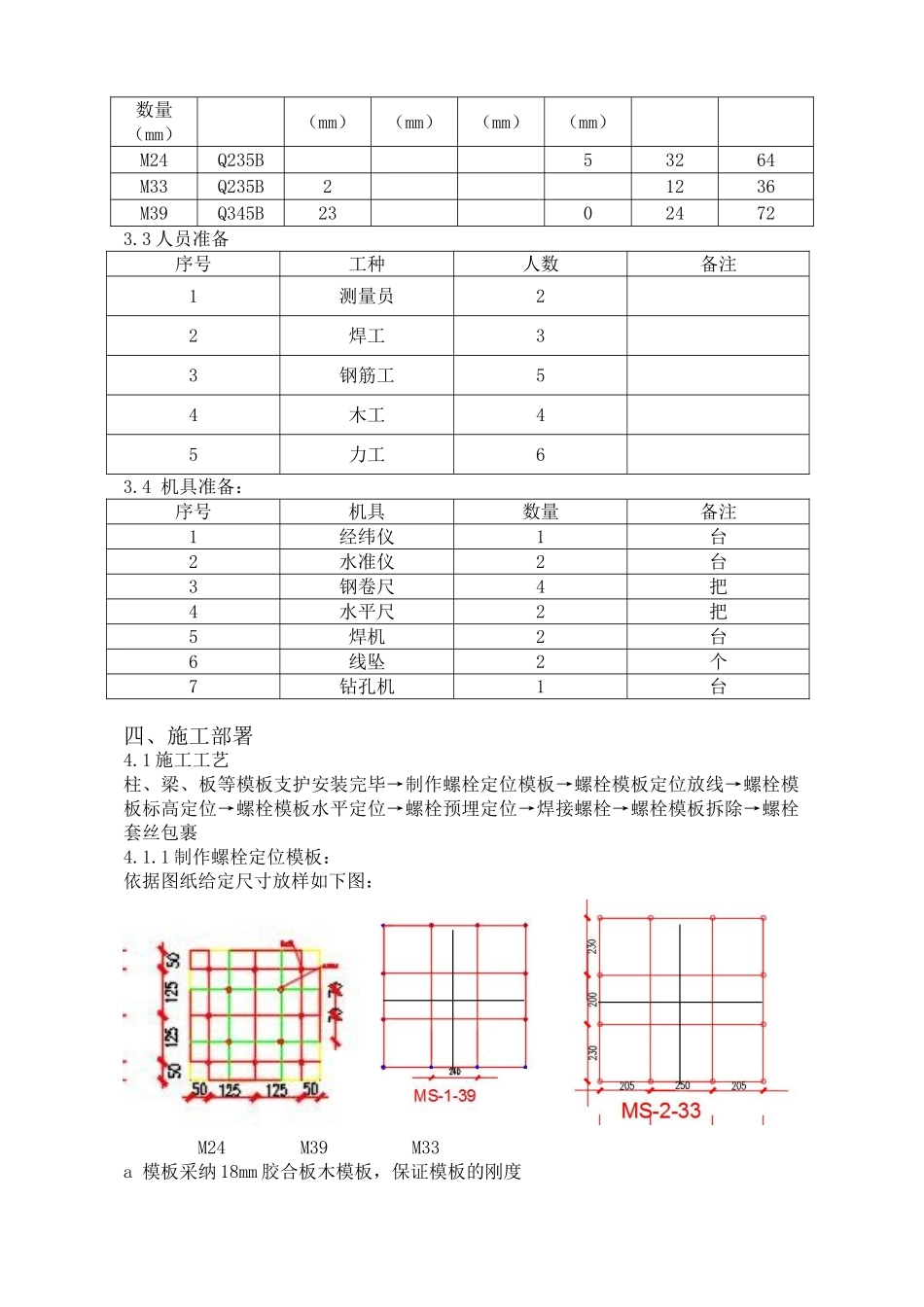
一、编制依据1、混凝土结构工程施工质量验收法律规范 GB50204-20252、建筑工程施工质量验收统一标准 GB50300-20013、《工程建设标准强制性条文》(房屋建筑部分)4、施工图纸5、钢结构高强度螺栓连接技术规程 JGJ 82-2025 6、建筑钢结构焊接技术规程 JGJ81-20257、钢结构工程施工质量验收法律规范 GB50205-2001二、工程概况2.1 永顺泰(秦皇岛)麦芽有限公司厂区位于秦皇岛市经济技术开发区东区江苏北路 1 号,交通便利。本项目为厂区内原料车间工程,总建筑面积约:5925.57 平米。2.2 原料车间工程由清选楼、筒仓和卸料间组成;本工程预埋地脚螺栓部位位于清选楼一层室内钢结构、顶层钢结构及其基础附近连廊短柱,共计 3 种型号M24、M33、M39。2.3 参建单位建设单位:永顺泰(秦皇岛)麦芽有限公司监理单位:北京中轻国际工程项目管理有限公司施工单位:河北建设集团有限公司勘察单位:中冶沈勘秦皇岛技术有限公司 设计单位:中国中轻国际工程有限公司三、施工准备1 技术准备1.1 仔细批阅相关图纸及法律规范要求,理解设计意图1.2 确定需要的螺栓型号及规格保证精确施工1.3 组织操作工人进行培训,对工人进行详细的技术交底工作,对无焊接工作证或已过期证件的工人严禁上岗。2 材料准备2.1 根据图纸及法律规范要求确定本工程螺栓 2 种规格 3 种型号。M24 定型螺栓共计 32 条、M33 螺栓共计 12 条、M39 螺栓共计 24 条。型号及规格如下图: 规格材质套丝锚固段直钩全长根数螺母数量(mm)(mm)(mm)(mm)(mm)M24Q235B53264M33Q235B21236M39Q345B23024723.3 人员准备序号工种人数备注1测量员22焊工33钢筋工54木工45力工63.4 机具准备:序号机具数量备注1经纬仪1台2水准仪2台3钢卷尺4把4水平尺2把5焊机2台6线坠2个7钻孔机1台四、施工部署4.1 施工工艺柱、梁、板等模板支护安装完毕→制作螺栓定位模板→螺栓模板定位放线→螺栓模板标高定位→螺栓模板水平定位→螺栓预埋定位→焊接螺栓→螺栓模板拆除→螺栓套丝包裹4.1.1 制作螺栓定位模板:依据图纸给定尺寸放样如下图: M24 M39 M33a 模板采纳 18mm 胶合板木模板,保证模板的刚度b 根据图纸尺寸放样,定位螺栓位置及空洞大小(空洞直径比螺栓大 2mm)。采纳钢尺定位保证螺栓位置精确。c 用钻孔机打孔,打孔完毕后。空洞边进行过二次打磨剔除毛茬。4.1.2 螺栓模板定位放线A 用线坠将短柱轴线引至短柱顶面B 用水准仪定位柱子标高4.1.3 螺栓...

1、当您付费下载文档后,您只拥有了使用权限,并不意味着购买了版权,文档只能用于自身使用,不得用于其他商业用途(如 [转卖]进行直接盈利或[编辑后售卖]进行间接盈利)。
2、本站所有内容均由合作方或网友上传,本站不对文档的完整性、权威性及其观点立场正确性做任何保证或承诺!文档内容仅供研究参考,付费前请自行鉴别。
3、如文档内容存在违规,或者侵犯商业秘密、侵犯著作权等,请点击“违规举报”。

碎片内容

地脚螺栓预埋施工方案

您可能关注的文档

确认删除?
VIP
微信客服
  • 扫码咨询
会员Q群
  • 会员专属群点击这里加入QQ群
客服邮箱
回到顶部