电脑桌面
添加小米粒文库到电脑桌面
安装后可以在桌面快捷访问

施工机具安装验收表

施工机具安装验收表_第1页
1/2
施工机具安装验收表_第2页
2/2
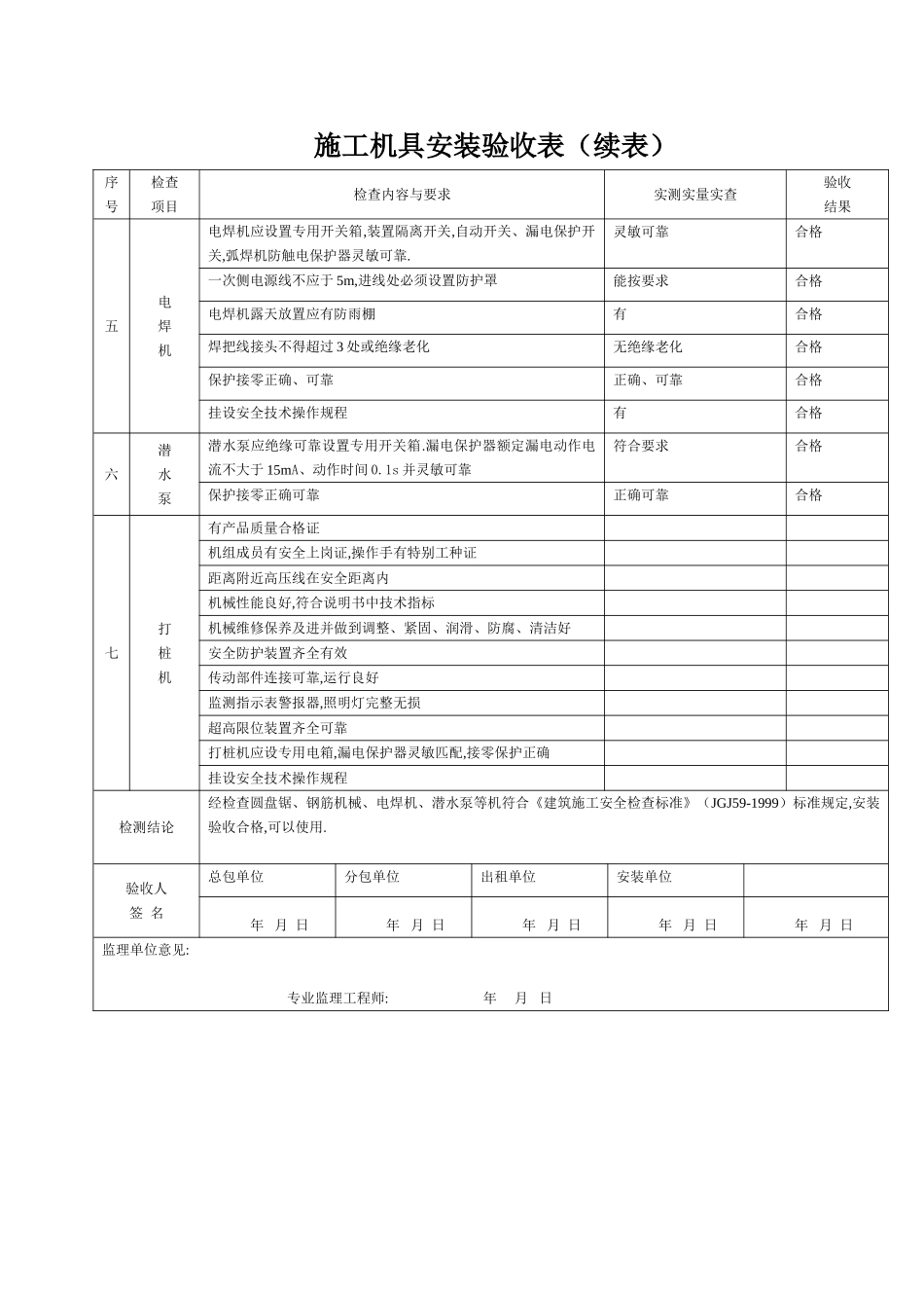
施工机具安装验收表AQ2.10.1.11□□工程名称交通工程监督检测大楼施工单位深圳市建宏达建设实业有限公司项目负责人分包单位—分包负责人安装单位—安装资格情况机具安装位置施工现场验收日期2007-9-15序号检查项目检查内容与要求实测实量实查验收结果一平刨外露转动部分必须有防护罩,刀刃外装有护手防护装置,露天放置要有防雨棚刀片和刀片螺丝的硬度、重量必须一致,刀架夹板必须平整贴紧,合金刀片焊缝的高度不得超出刀头,刀片紧固螺丝应按入刀片槽内,槽端离刀背不得小于 10mm.平刨必须单独使用一台电动机,不得与其他机械合用一台电机漏电保护天关灵敏、匹配,保护接零符合要求.挂设安全技术操作规程牌.二圆盘锯锯片必须平整,不应有裂纹,锯齿应尖锐,不得连续缺齿两个完好合格锯盘护罩、分料器(锯尾刀)、防护挡板安全装置齐全有效安全有效合格传动部位防护罩齐全牢固齐整牢固合格操作必须用单向密封式电动开关符合要求合格漏电保护开关灵敏、匹配,保护接零符合要求.符合要求合格挂设安全技术操作规程牌.有合格三钢筋机械钢筋机械包括:钢筋切断机、钢筋弯曲机、钢筋冷拉机、预应力钢筋拉伸机、钢筋调直机等.机械的安装必须稳固,保持水平位置稳固平整合格传动机构间隙符合要求,齿轮啮合和滑动部位润滑良好,运行无异响,外露传动部分有防护罩完好,有防护罩合格室外安装应有防雨棚,机旁应有存放材料、半成品的场地.场地两端外侧应有防护栏和警告标志.有合格电保护开关灵敏、匹配,保护接零正确可靠.符合要求合格四搅拌机机体安装和作业平稳,有防雨操作棚传动部位有防护罩,离合器、制动器、钢丝绳等符合规定操作手柄有肿险装置料斗保险挂钩齐全完好挂设安全技术操作规程应设置专用开关箱,保护接零正确可靠,漏电保护器灵敏、匹配施工机具安装验收表(续表)序号检查项目检查内容与要求实测实量实查验收结果五电焊机电焊机应设置专用开关箱,装置隔离开关,自动开关、漏电保护开关,弧焊机防触电保护器灵敏可靠.灵敏可靠合格一次侧电源线不应于 5m,进线处必须设置防护罩能按要求合格电焊机露天放置应有防雨棚有合格焊把线接头不得超过 3 处或绝缘老化无绝缘老化合格保护接零正确、可靠正确、可靠合格挂设安全技术操作规程有合格六潜水泵潜水泵应绝缘可靠设置专用开关箱.漏电保护器额定漏电动作电流不大于 15mA、动作时间 0.1s 并灵敏可靠符合要求合格保护接零正确可靠正确可靠合格七打桩机有产品质量合格证机组成员有安全上岗证,操作手有特别工种证距离附...

1、当您付费下载文档后,您只拥有了使用权限,并不意味着购买了版权,文档只能用于自身使用,不得用于其他商业用途(如 [转卖]进行直接盈利或[编辑后售卖]进行间接盈利)。
2、本站所有内容均由合作方或网友上传,本站不对文档的完整性、权威性及其观点立场正确性做任何保证或承诺!文档内容仅供研究参考,付费前请自行鉴别。
3、如文档内容存在违规,或者侵犯商业秘密、侵犯著作权等,请点击“违规举报”。

碎片内容

施工机具安装验收表

您可能关注的文档

确认删除?
VIP
微信客服
  • 扫码咨询
会员Q群
  • 会员专属群点击这里加入QQ群
客服邮箱
回到顶部