电脑桌面
添加小米粒文库到电脑桌面
安装后可以在桌面快捷访问

物料提升机安拆方案

物料提升机安拆方案_第1页
1/6
物料提升机安拆方案_第2页
2/6
物料提升机安拆方案_第3页
3/6
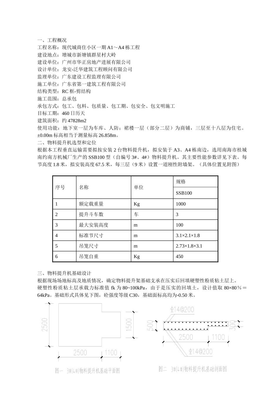
一、工程概况工程名称:现代城商住小区一期 A1~A4 栋工程建设地点:增城市新塘镇群星村大岭建设单位:广州市华正房地产进展有限公司设计单位:龙安-泛华建筑工程顾问有限公司监理单位:广东建设工程监理有限公司施工单位:广东省第一建筑工程有限公司结构类型:RC 框-剪结构施工范围:总承包承包方式:包工、包料、包质量、包工期、包安全、包文明施工目标工期:460 日历天建筑面积:约 47828m2 使用功能:地下室一层为车库、人防;裙楼一层(部分二层)为商铺,三层至十八层为住宅。±0.00m 标高相当于测量标高 26.858m。二、物料提升机选型和定位根据本工程垂直运输需要拟按安装 2 台物料提升机,拟安装于 A3、A4 栋南边,选用南海市桂城南约南方机械厂生产的 SSB100 型(自编号 3#、4#)物料提升机。其主要性能参数详见下表。每节高度 1.8 米,拟安装高度 67.5 米,每三层(9 米)设置一道刚性附墙架。(具体位置见附图)序号名称单位规格SSB1001额定载重量Kg10002提升斗车数车33最大安装高度m1004标准节尺寸m3.1×2.1×1.85吊笼尺寸m2.73×1.8×3.16吊笼自重Kg450三、物料提升机基础设计根据现场场地标高及地质情况,确定物料提升架基础支承在压实后回填硬塑性粉质粘土层上。硬塑性粉质粘土层承载力标准值 fk 为 80~100kPa,由于是压实的回填土,设计值取 80×80%=64kPa。基础形式具体见下图,砼强度等级 C30,基础面标高均为-0.50 米。1、物料提升机基础承载力计算: 基础承载力 N=3.5×2.5×64=560(KN)2、物料提升机基础荷载计算:3#机、4#机荷载传递如图 3(1).计算数据:基础 G1=3.5×2.5×0.5×2.5×9.8=107.18kN井架自重 G2=28.8÷1.8×0.45×9.8=165.38kN井架配重、钢丝绳等 G3: 24.5kN工作荷载: G4: 9.88kN(2).物料提升机基础荷载 G:G=1.2×(G1+ G2 +G3) +1.4×G4=1.2×(107.18+165.38+24.5) +1.4×9.8=370.19 kN(3).物料提升机基础竖向受力分析:图三:钢井架基础受力示意图基础受力分析:N-G=560-370.19=189.81 kN >0基础受力符合要求。 (4).物料提升机基础水平力受力较小,不作水平承载力核算。故 3#、4#物料提升机基础基础安全四、施工准备为确保施工安全,参加安装、拆除人员必须持有效期操作证,身体、精神状况良好,并经技术交底。在钢井架安装和拆除之前,将参加操作人员有效期操作证呈报监理公司审批同意方可作业。1、安装施工准备1)检查钢井架各杆件...

1、当您付费下载文档后,您只拥有了使用权限,并不意味着购买了版权,文档只能用于自身使用,不得用于其他商业用途(如 [转卖]进行直接盈利或[编辑后售卖]进行间接盈利)。
2、本站所有内容均由合作方或网友上传,本站不对文档的完整性、权威性及其观点立场正确性做任何保证或承诺!文档内容仅供研究参考,付费前请自行鉴别。
3、如文档内容存在违规,或者侵犯商业秘密、侵犯著作权等,请点击“违规举报”。

碎片内容

物料提升机安拆方案

您可能关注的文档

确认删除?
VIP
微信客服
  • 扫码咨询
会员Q群
  • 会员专属群点击这里加入QQ群
客服邮箱
回到顶部