电脑桌面
添加小米粒文库到电脑桌面
安装后可以在桌面快捷访问

《建筑基础工程施工质量管理》课程考核题目VIP专享

《建筑基础工程施工质量管理》课程考核题目_第1页
1/10
《建筑基础工程施工质量管理》课程考核题目_第2页
2/10
《建筑基础工程施工质量管理》课程考核题目_第3页
3/10
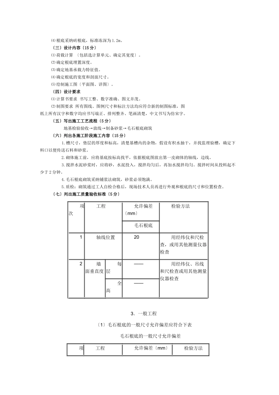
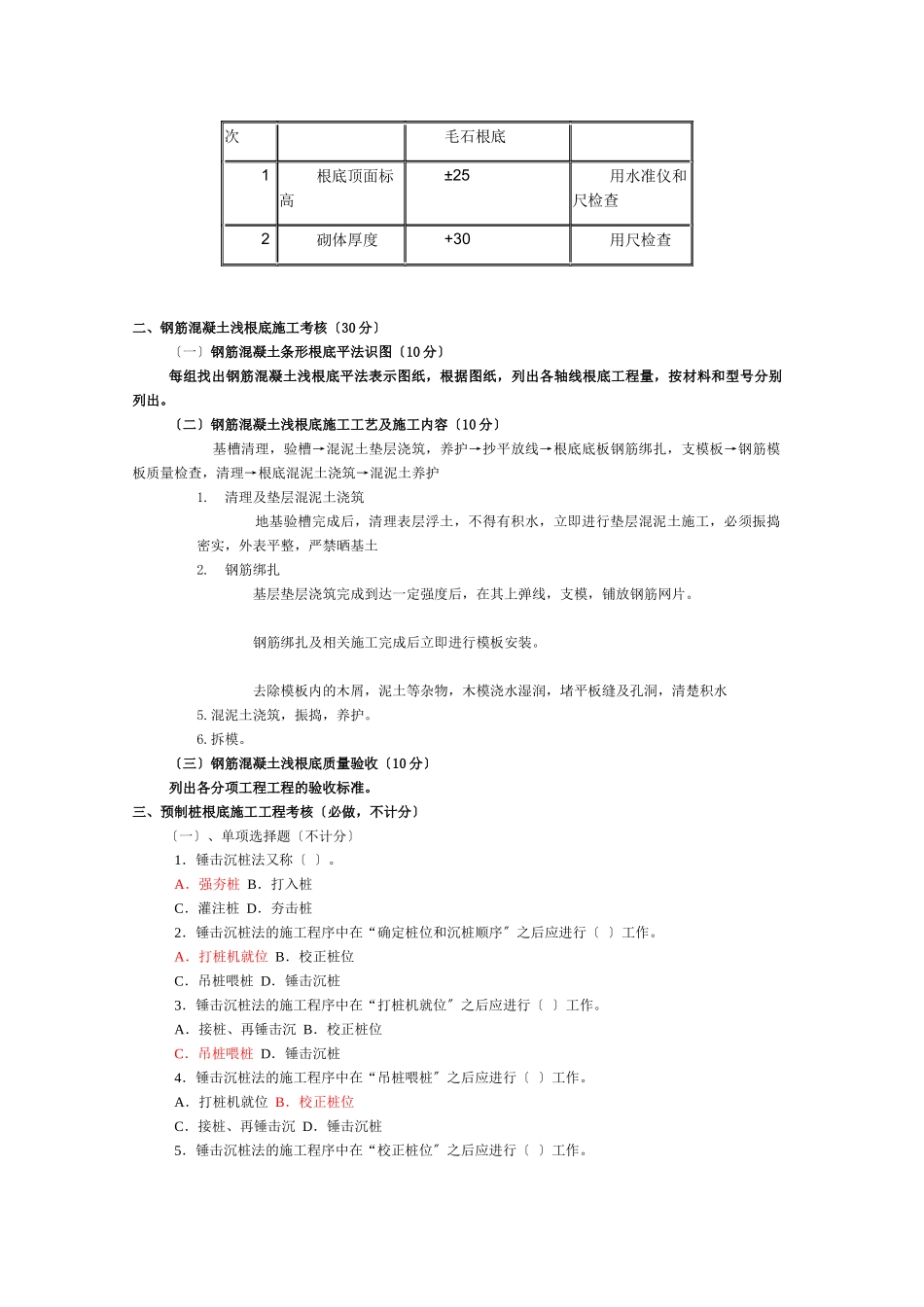
10 级建筑工程管理专业?建筑根底工程施工质量管理?课程期末考核题目一、墙下条形根底课程设计、施工及验收〔40 分〕〔一〕设计题目某教学楼采纳条形砖根底,教学楼建筑平面如图 1 所示,试设计该根底。〔二〕设计资料⑴ 工程地质条件如图 2 所示。杂填土 γ=16 KN/m3粉质粘土 γ=18KN/m3ηb=0.3 Es=10 MPaηd=1.6 f k=196KN/m2淤泥质土Es=2MPa f k=88KN/m2⑵ 室外设计地面-0.6m,室外设计地面标高同天然地面标高。⑶ 由上部结构传至根底顶面的竖向力值分别为外纵墙∑F1K=558.57kN,山墙∑F2K=168.61kN,内横墙∑F3K=162.68kN,内纵墙∑F4K=1533.15kN。图 1 平面图图 4-2 工程地质剖面图⑷ 根底采纳砖根底,标准冻深为 1.2m。〔三〕设计内容〔15 分〕⑴ 荷载计算 〔包括选计算单元、确定其宽度〕。 ⑵ 确定根底埋置深度。 ⑶ 确定地基承载力特征值。 ⑷ 确定根底的宽度和剖面尺寸。 ⑸ 绘制施工图〔平面图、详图〕。 〔四〕设计要求⑴ 计算书要求 书写工整、数字准确、图文并茂。⑵ 制图要求 所有图线、图例尺寸和标注方法均应符合新的制图标准,图纸上所有汉字和数字均应书写端正、排列整齐、笔画清楚,中文书写为仿宋字。〔五〕写出施工工艺流程〔5 分〕地基检验验收→放线→制备砂浆→毛石根底砌筑〔六〕列出各施工阶段施工内容〔15 分〕 1.槽尺寸,垫层的厚度和标高,清楚基槽内的杂物,假设有积水抽干,并找监理验槽,确定下料口以便传送石料和砂浆。 2.砌体施工前,应将基底按标高找平,依据根底图放出第一皮砌体的轴线,边线。 3.搅拌水泥砂浆时,应将砂,水泥投入,搅拌均匀后,再加水搅拌均匀。搅拌时间从投料起不少于 2 分钟。 4.毛石根底砌筑采纳铺浆法砌筑,砂浆必须饱满。 5.质检:砌筑通过工人自检合格后,现场技术人员再进行外观和根底的尺寸和位置检查。〔七〕列出施工质量验收标准〔5 分〕项次工程允许偏差〔mm〕检验方法毛石根底1轴线位置20用经纬仪和尺检查,或用其他测量仪器检查2墙面垂直度每层——用经纬仪、吊线和尺检查或用其他测量仪器检查全高—— 3.一般工程〔1〕毛石根底的一般尺寸允许偏差应符合下表 毛石根底的一般尺寸允许偏差项工程允许偏差〔mm〕检验方法次毛石根底1根底顶面标高±25用水准仪和尺检查2砌体厚度+30用尺检查二、钢筋混凝土浅根底施工考核〔30 分〕〔一〕钢筋混凝土条形根底平法识图〔10 分〕每组找出钢筋混凝土浅根底平法表示图纸,根据图...

1、当您付费下载文档后,您只拥有了使用权限,并不意味着购买了版权,文档只能用于自身使用,不得用于其他商业用途(如 [转卖]进行直接盈利或[编辑后售卖]进行间接盈利)。
2、本站所有内容均由合作方或网友上传,本站不对文档的完整性、权威性及其观点立场正确性做任何保证或承诺!文档内容仅供研究参考,付费前请自行鉴别。
3、如文档内容存在违规,或者侵犯商业秘密、侵犯著作权等,请点击“违规举报”。

碎片内容

《建筑基础工程施工质量管理》课程考核题目

确认删除?
VIP
微信客服
  • 扫码咨询
会员Q群
  • 会员专属群点击这里加入QQ群
客服邮箱
回到顶部