电脑桌面
添加小米粒文库到电脑桌面
安装后可以在桌面快捷访问

中考理化生2025合肥中考理科实验试题及评分细则

中考理化生2025合肥中考理科实验试题及评分细则_第1页
1/11
中考理化生2025合肥中考理科实验试题及评分细则_第2页
2/11
中考理化生2025合肥中考理科实验试题及评分细则_第3页
3/11
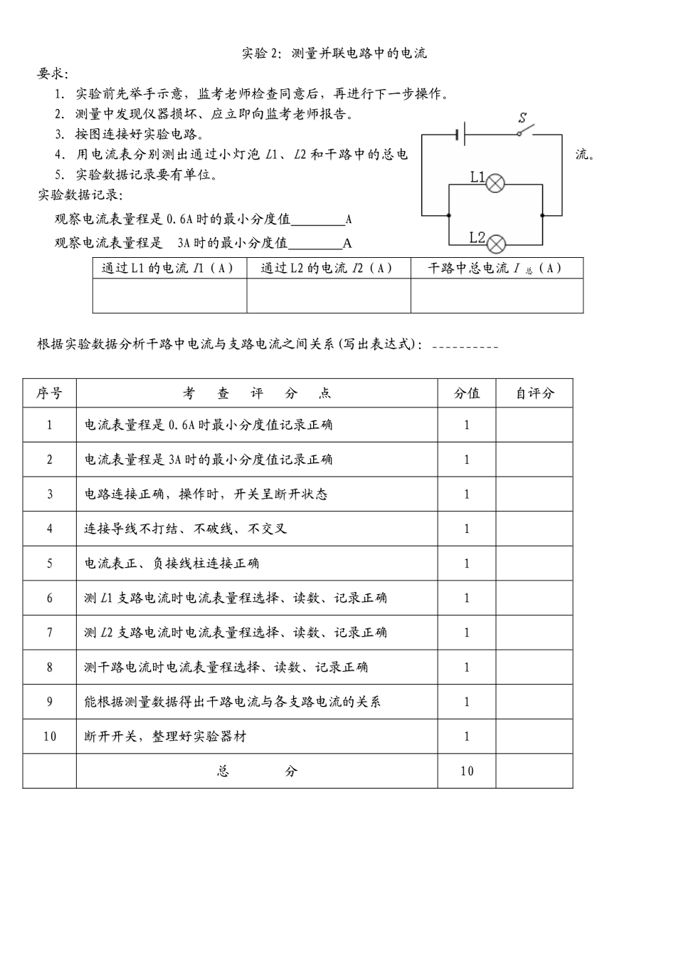
2025 年合肥市中考理科实验操作考试试卷及评分细则实验实验 11:用天平和量筒测金属块的密度:用天平和量筒测金属块的密度要求要求::11.测量前先举手示意,监考老师检查同意后,再进行下一步操作。.测量前先举手示意,监考老师检查同意后,再进行下一步操作。22.测量中发现仪器损坏、应立即向监考老师报告。.测量中发现仪器损坏、应立即向监考老师报告。33.用天平测金属块的质量,用量筒测金属块的体积。.用天平测金属块的质量,用量筒测金属块的体积。44.将测量结果记录在下表中,并计算金属块的密度。.将测量结果记录在下表中,并计算金属块的密度。实验数据记录实验数据记录::天平的量程是天平的量程是 , 游标尺上的最小分度值是, 游标尺上的最小分度值是 。。量筒的量程是 量筒的量程是 , 量筒上的最小分度值是 , 量筒上的最小分度值是 。金属块的质量金属块的质量((gg))量筒中水的体量筒中水的体积(积(cmcm33)) 放入放入金属块后量筒中水和金金属块后量筒中水和金属块的总体积(属块的总体积(cmcm33))金属块的体金属块的体积(积(cmcm33))金属块密度金属块密度((g/cmg/cm33))序号序号考 查 评 分 点考 查 评 分 点分值分值自评分自评分11天平的称量范围及游码标尺上的最小刻度值记录正确天平的称量范围及游码标尺上的最小刻度值记录正确1122量筒的量程和最小分度值记录正确量筒的量程和最小分度值记录正确1133将天平摆放在平整的水平台面上,取下保护垫圈将天平摆放在平整的水平台面上,取下保护垫圈1144将游码移在标尺的“将游码移在标尺的“0”0”刻度处,调节天平横梁平衡,能较刻度处,调节天平横梁平衡,能较好地推断天平平衡好地推断天平平衡1155把被测样品放在天平左盘,在天平右盘放砝码把被测样品放在天平左盘,在天平右盘放砝码1166放置和更换砝码、移动游码时用镊子放置和更换砝码、移动游码时用镊子1177能正确测量金属块的质量,数据记录正确。能正确测量金属块的质量,数据记录正确。1188能正确测量金属块的体积,数据记录正确 能正确测量金属块的体积,数据记录正确 1199金属块的密度计算正确(测量值与样品参考值符合)金属块的密度计算正确(测量值与样品参考值符合)111010整理好实验器材,将实验台面恢复到操作前状态整理好实验器材,将实验台面恢复到操作前状态11总 分总 分1010实验实验 22:测量并联电路中的电流:测量并联电路中的电流要求:要求:11.实...

1、当您付费下载文档后,您只拥有了使用权限,并不意味着购买了版权,文档只能用于自身使用,不得用于其他商业用途(如 [转卖]进行直接盈利或[编辑后售卖]进行间接盈利)。
2、本站所有内容均由合作方或网友上传,本站不对文档的完整性、权威性及其观点立场正确性做任何保证或承诺!文档内容仅供研究参考,付费前请自行鉴别。
3、如文档内容存在违规,或者侵犯商业秘密、侵犯著作权等,请点击“违规举报”。

碎片内容

中考理化生2025合肥中考理科实验试题及评分细则

您可能关注的文档

确认删除?
VIP
微信客服
  • 扫码咨询
会员Q群
  • 会员专属群点击这里加入QQ群
客服邮箱
回到顶部