电脑桌面
添加小米粒文库到电脑桌面
安装后可以在桌面快捷访问

施工图识读试卷及答案

施工图识读试卷及答案_第1页
1/4
施工图识读试卷及答案_第2页
2/4
施工图识读试卷及答案_第3页
3/4
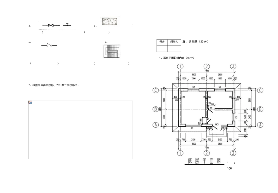
学院 2025—2025 学年度第一学期期末考核试卷考核课程: 建筑识图 考试类型: 理论考试 考试方式: 闭卷 学生所在院系: 年 级: 级 试 卷: A 卷 题号一二三四五总分得分得分阅卷人一、推断题(每题 2 分,共 10 分)1、指北针一般画在总平面图中及首层建筑平面图上。( )2、钢筋的标注 2Φ12 中的 2 表示钢筋的编号。( )3、六层的建筑物必须绘制 6 个“建筑平面图”。( )4、建筑物的室内外高差只能在建筑剖面图中才能读出。( )5、结构施工图中框架梁的代号是 KL。( ) 得分阅卷人二、选择题(每题 2 分,共 10 分,错选、多选、漏选的,该小题不得分)1、下面所述不是立面图命名法的是 ( ) A. 朝向 B. 主出入口 C. 楼梯所在位置 D.轴线2、基础的细部尺寸、截面形状、大放脚、材料做法及基底标高等通过( )反映出来。 A. 基础平面图 B. 基础剖面图 C. 基础详图 D. 总平面图3、楼板配筋图中底层钢筋弯钩应( )A.向上向右 B.向上向左 C.向下向右 D.向下向左4、建筑剖面图上,楼梯中间平台面应注明( )A. 建筑标高和相对标高 B. 结构标高和相对标高C. 建筑标高和绝对标高 D. 结构标高和绝对标高 5、要了解建筑物的平面位置的定位坐标,应阅读( )A.建筑平面图 B.建筑立面图C.首页图 D.总平面图 得分阅卷人三、填空题(每空 1 分,共 20 分)1、形体三面投影“三等”关系为 、 、 。2、图样的尺寸标注由 、 、 、 组成。3、建筑工程图纸中的尺寸单位,除标高及总平面图中以 为单位外,其余以 为单位。4、总平面图中新建建筑物用 线表示。5、房屋建筑施工图根据专业设计分工不同,主要分为 施工图、 施工图、 施工图。6、结构施工图中结构构件代号:梁 、板 、柱 、构造柱 。7、建筑立面图施工中主要用于 装饰施工。8、楼梯详图包括 、 和节点详图。 得分阅卷人四、画出相应图例及根据材料图例写出材料名称、补画第三面投影(1-6 小题每小题 3 分,第 7 小题 12 分,共 30 分)1、夯实土壤 2、钢筋混凝土班 级: 姓 名: 学 号: …………………………………………… 密……………………………………封…………………………………………线………………………………3、 4、 ( ) ( ) 5、 6、 ( ) ( ) 7、根据形体两面投影,作出第三面投影图。得分阅卷人五、识图题(30 分)1、写出下图识...

1、当您付费下载文档后,您只拥有了使用权限,并不意味着购买了版权,文档只能用于自身使用,不得用于其他商业用途(如 [转卖]进行直接盈利或[编辑后售卖]进行间接盈利)。
2、本站所有内容均由合作方或网友上传,本站不对文档的完整性、权威性及其观点立场正确性做任何保证或承诺!文档内容仅供研究参考,付费前请自行鉴别。
3、如文档内容存在违规,或者侵犯商业秘密、侵犯著作权等,请点击“违规举报”。

碎片内容

施工图识读试卷及答案

您可能关注的文档

确认删除?
VIP
微信客服
  • 扫码咨询
会员Q群
  • 会员专属群点击这里加入QQ群
客服邮箱
回到顶部