电脑桌面
添加小米粒文库到电脑桌面
安装后可以在桌面快捷访问

《电机与拖动实验》实验报告

《电机与拖动实验》实验报告_第1页
1/13
《电机与拖动实验》实验报告_第2页
2/13
《电机与拖动实验》实验报告_第3页
3/13
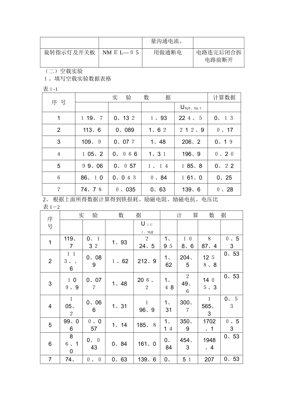
网络教育学院电 机 与 拖 动 实 验 报 告学习中心: 陕西礼泉 奥鹏学习中心 层 次: 专升本 专 业: 电气工程及其自动化 学 号 : 1 学 生 : 刘 洁 完成日期: 201 7 年 2 月 27 日 实验报告一实验名称: 单相变压器实验 实验目得: 1、通过空载 与短路实验测定变压器得变比与参数。 2 、 通过负载实验测取变压器得运行特性。 实验项目: 1 、 空载实验 测取空载特性 。 2、 短路实验 测取短路特性。 3、 负载实验 保持,得条件下,测取 . (一)填写实验设备表名称型号与规格用途使用注意事项电机教学实验台NM EL—I I提供电源、固定电机实验前调节输出电压到零三相组式变压器实验所需变压器短路实验室注意操作要快,以免短路实验线路过热三相可调电阻器NMEL—03改变输出电流注意量程运用,缓慢调节量程功率表、功率因数表NME L—20测量功率及功率因素不得超过量程,且线路不得接错沟通电压表、电流表MEL-0 01C沟通电压表其作用就是并联在电路中测量沟通电压,沟通电流表其作用就是串联在电路中测选择正确量程,准确读取数值量沟通电流。旋转指示灯及开关板NM E L—0 5用做通断电电路连完后闭合拆电路前断开(二)空载实验1。填写空载实验数据表格表1-1序 号实 验 数 据计算数据U1U1。1U 211 19、70、13 21、9322 4、50、132113、60、0891、6 22 1 2、90、173109、90、07 71、48206、20、1 941 05、20、06 61、3 1196、90、2 059 9、060、0 571、141 85、80、2 2686、1 00、0 430、841 61、00、25774、7 80、0350、63139、60、282、 根据上面所得数据计算得到铁损耗、励磁电阻、励磁电抗、电压比表 1-2序 号实 验 数 据计 算 数 据U 1U1。1U21119、70、13 21、93224、51、9 5108、6887、40、532113、、60、0891、62212、91、62204、512 58、80、5331 09、90、0771、4820 6、21、4 8249、614 05、30、534105、20、0661、31196、91、31300、71565、30、53599、060、0571、14185、81、1 4350、91702、10、53686、100、0430、84161、00、84454、31948、40、53774、0、00、63139、60、5 12070、53783 5634、33、8(三)短路实验1. 填写短路实验数据表格表 2 室温 θ=25 OC序 号实 验 数 据计算数据18、190、2111、680、9 72...

1、当您付费下载文档后,您只拥有了使用权限,并不意味着购买了版权,文档只能用于自身使用,不得用于其他商业用途(如 [转卖]进行直接盈利或[编辑后售卖]进行间接盈利)。
2、本站所有内容均由合作方或网友上传,本站不对文档的完整性、权威性及其观点立场正确性做任何保证或承诺!文档内容仅供研究参考,付费前请自行鉴别。
3、如文档内容存在违规,或者侵犯商业秘密、侵犯著作权等,请点击“违规举报”。

碎片内容

《电机与拖动实验》实验报告

确认删除?
VIP
微信客服
  • 扫码咨询
会员Q群
  • 会员专属群点击这里加入QQ群
客服邮箱
回到顶部