电脑桌面
添加小米粒文库到电脑桌面
安装后可以在桌面快捷访问

偏钒酸铵化学品安全技术说明书

偏钒酸铵化学品安全技术说明书_第1页
1/3
偏钒酸铵化学品安全技术说明书_第2页
2/3
偏钒酸铵化学品安全技术说明书_第3页
3/3
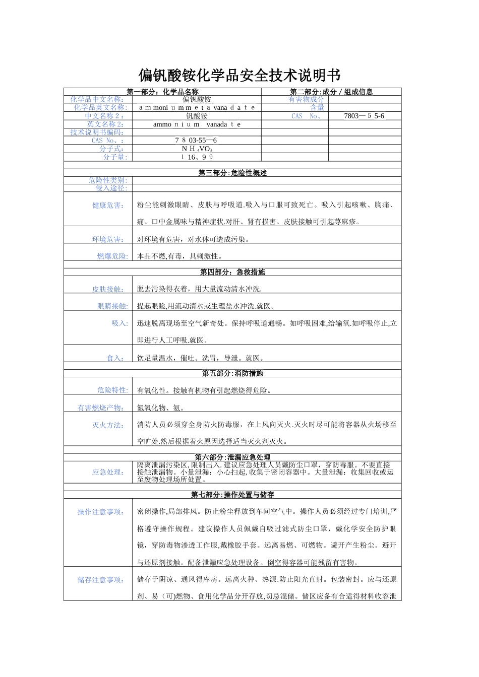
偏钒酸铵化学品安全技术说明书第一部分:化学品名称第二部分:成分/组成信息化学品中文名称:偏钒酸铵有害物成分化学品英文名称:am moni u m m e t a vana d a te含量中文名称2:钒酸铵CAS No、7803—5 5-6 英文名称 2:ammo n i u m vanada t e技术说明书编码:CAS No、:7 8 03-55—6 分子式:N H 4VO3分子量:1 16、9 9第三部分:危险性概述危险性类别:侵入途径:健康危害:粉尘能刺激眼睛、皮肤与呼吸道.吸入与口服可致死亡。吸入引起咳嗽、胸痛、痛、口中金属味与精神症状.对肝、肾有损害。皮肤接触可引起荨麻疹。 环境危害:对环境有危害,对水体可造成污染。燃爆危险:本品不燃,有毒,具刺激性。第四部分:急救措施皮肤接触:脱去污染得衣着,用大量流动清水冲洗.眼睛接触:提起眼睑,用流动清水或生理盐水冲洗.就医。吸入:迅速脱离现场至空气新奇处。保持呼吸道通畅。如呼吸困难,给输氧.如呼吸停止,立即进行人工呼吸.就医。食入:饮足量温水,催吐。洗胃,导泄。就医。第五部分:消防措施危险特性:有氧化性。接触有机物有引起燃烧得危险。有害燃烧产物:氮氧化物、氨。灭火方法:消防人员必须穿全身防火防毒服,在上风向灭火.灭火时尽可能将容器从火场移至空旷处.然后根据着火原因选择适当灭火剂灭火。第六部分:泄漏应急处理应急处理:隔离泄漏污染区,限制出入.建议应急处理人员戴防尘口罩,穿防毒服。不要直接接触泄漏物。小量泄漏:小心扫起,收集于密闭容器中。大量泄漏:收集回收或运至废物处理场所处置。第七部分:操作处置与储存操作注意事项:密闭操作,局部排风。防止粉尘释放到车间空气中。操作人员必须经过专门培训,严格遵守操作规程。建议操作人员佩戴自吸过滤式防尘口罩,戴化学安全防护眼镜,穿防毒物渗透工作服,戴橡胶手套。远离易燃、可燃物。避开产生粉尘。避开与还原剂接触。配备泄漏应急处理设备。倒空得容器可能残留有害物。储存注意事项:储存于阴凉、通风得库房。远离火种、热源.防止阳光直射。包装密封。应与还原剂、易(可)燃物、食用化学品分开存放,切忌混储。储区应备有合适得材料收容泄漏物。第八部分:接触控制/个体防护职业接触限值 中国 MAC(mg/m3):未制定标准前苏联 MAC(mg/m 3):未制定标准TL V T N:0、0 5 m g(V2O5)/m3T LVWN:未制定标准监测方法:工程控制:密闭操作,局部排风.呼吸系统防护:空气中粉尘浓度超标时,必须佩戴自吸过滤式防...

1、当您付费下载文档后,您只拥有了使用权限,并不意味着购买了版权,文档只能用于自身使用,不得用于其他商业用途(如 [转卖]进行直接盈利或[编辑后售卖]进行间接盈利)。
2、本站所有内容均由合作方或网友上传,本站不对文档的完整性、权威性及其观点立场正确性做任何保证或承诺!文档内容仅供研究参考,付费前请自行鉴别。
3、如文档内容存在违规,或者侵犯商业秘密、侵犯著作权等,请点击“违规举报”。

碎片内容

偏钒酸铵化学品安全技术说明书

您可能关注的文档

确认删除?
VIP
微信客服
  • 扫码咨询
会员Q群
  • 会员专属群点击这里加入QQ群
客服邮箱
回到顶部